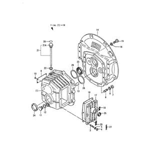
KBW10-E Large Grid View Table View FIG 88. CLUTCH HOUSING 0CR10-M14407_0088_00 Information FIG 89. INPUT SHAFT & IDLE GEAR SHAFT 0CR10-M14407_0089_00 Information FIG 90. OUTPUT SHAFT 0CR10-M14407_0090_00 Information FIG 91. REMOTE CONTROL DEVICE 0CR10-M14407_0091_00 Information FIG 92. TOOLS(OPTIONAL PARTS) 0CR10-M14407_0092_00 Information