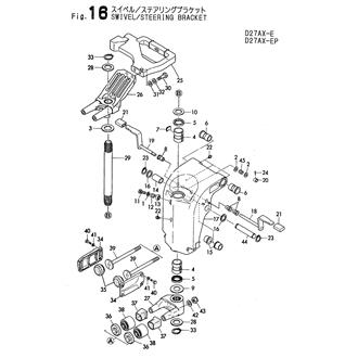
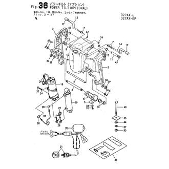
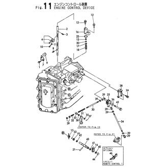
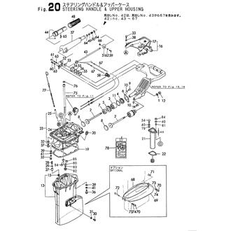
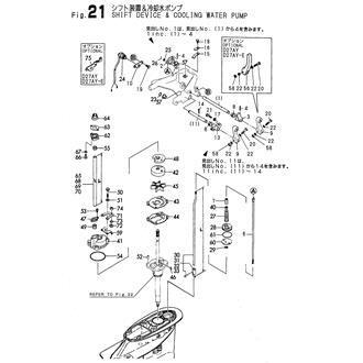
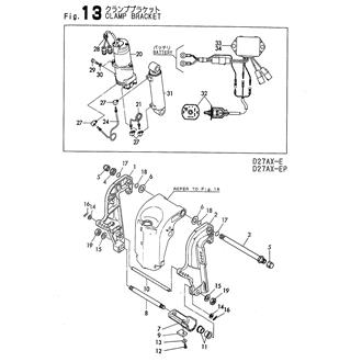
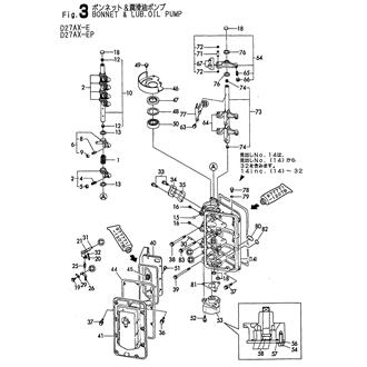
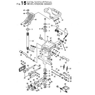
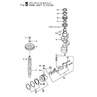
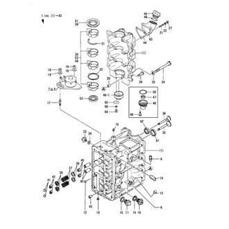
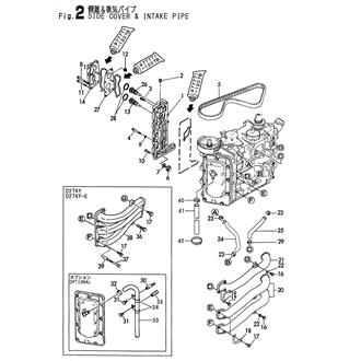
D27AX-EP Large Grid View Table View FIG 1. CYLINDER BLOCK 0CR10-M42401_0001_01 Information FIG 10. GOVERNOR & GOVERNOR LEVER 0CR10-M42401_0010_01 Information FIG 11. ENGINE CONTROL DEVICE 0CR10-M42401_0011_01 Information FIG 12. CLAMP BRACKET 0CR10-M42401_0012_01 Information FIG 13. CLAMP BRACKET 0CR10-M42401_0013_01 Information FIG 14. POWER UNIT COMPONENT PART(PU-3) 0CR10-M42401_0014_01 Information FIG 15. SWIVEL/STEERING BRACKET 0CR10-M42401_0015_01 Information FIG 16. SWIVEL/STEERING BRACKET 0CR10-M42401_0016_01 Information FIG 17. TOP COWLING & FUEL TANK 0CR10-M42401_0017_01 Information FIG 18. STOP LEVER & LOWER SET PART 0CR10-M42401_0018_01 Information FIG 19. BOTTOM COWLING & CONNECT.PART 0CR10-M42401_0019_01 Information FIG 2. SIDE COVER & INTAKE PIPE 0CR10-M42401_0002_01 Information FIG 20. STEERING HANDLE & UPPER HOUSING 0CR10-M42401_0020_01 Information FIG 21. SHIFT DEVICE & COOLING WATER PUMP 0CR10-M42401_0021_01 Information FIG 22. LOWER GEAR HOUSING & PROPELLER 0CR10-M42401_0022_01 Information FIG 23. SHIFT REMOTE CONTROL 0CR10-M42401_0023_01 Information FIG 24. STEERING REMO-CON(PREVIOUS) 0CR10-M42401_0024_01 Information FIG 25. TOOL & SPARE PART 0CR10-M42401_0025_01 Information FIG 26. NA12 REMOTE CONTROL HANDLE 0CR10-M42401_0026_01 Information FIG 27. SPECIAL TOOL(1)(OPTIONAL) 0CR10-M42401_0027_01 Information FIG 28. SPECIAL TOOL(2)(OPTIONAL) 0CR10-M42401_0028_01 Information FIG 29. REMOTE CONTROL(TYPE-A)(OPTIONAL) 0CR10-M42401_0029_01 Information FIG 3. BONNET & LUB.OIL PUMP 0CR10-M42401_0003_01 Information FIG 30. REMOTE CONTROL(TYPE-B)(OPTIONAL) 0CR10-M42401_0030_01 Information FIG 31. REMOTE CONTROL(TYPE-C)(OPTIONAL) 0CR10-M42401_0031_01 Information FIG 32. REMOTE CONTROL(TYPE-D)(OPTIONAL) 0CR10-M42401_0032_01 Information FIG 33. KL TOP CONTROL(OPTIONAL) 0CR10-M42401_0033_01 Information FIG 34. KL SIDE CONTROL(OPTIONAL) 0CR10-M42401_0034_01 Information FIG 35. GASKET SET(OPTIONAL) 0CR10-M42401_0035_01 Information FIG 36. POWER TILT(OPTIONAL) 0CR10-M42401_0036_01 Information FIG 38. SPARE PART(OPTIONAL) 0CR10-M42401_0038_01 Information FIG 39. (24A)STEERING REMO-CON(NEW) 0CR10-M42401_0039_01 Information FIG 5. CRANKSHAFT & PISTON 0CR10-M42401_0005_01 Information FIG 6. FLYWHEEL.STARTER & GENERATOR 0CR10-M42401_0006_01 Information FIG 8. LUB.OIL STRAINER & PRESS.CONTROL VALVE 0CR10-M42401_0008_01 Information FIG 9. FUEL STRAINER & FUEL PIPE 0CR10-M42401_0009_01 Information