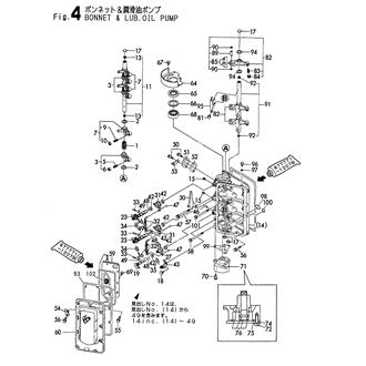
D27AY-E Large Grid View Table View FIG 1. CYLINDER BLOCK 0CR10-M42401_0001_03 Information FIG 10. GOVERNOR & GOVERNOR LEVER 0CR10-M42401_0010_03 Information FIG 11. ENGINE CONTROL DEVICE 0CR10-M42401_0011_03 Information FIG 12. CLAMP BRACKET 0CR10-M42401_0012_03 Information FIG 15. SWIVEL/STEERING BRACKET 0CR10-M42401_0015_03 Information FIG 17. TOP COWLING & FUEL TANK 0CR10-M42401_0017_03 Information FIG 18. STOP LEVER & LOWER SET PART 0CR10-M42401_0018_03 Information FIG 19. BOTTOM COWLING & CONNECT.PART 0CR10-M42401_0019_03 Information FIG 2. SIDE COVER & INTAKE PIPE 0CR10-M42401_0002_03 Information FIG 20. STEERING HANDLE & UPPER HOUSING 0CR10-M42401_0020_03 Information FIG 21. SHIFT DEVICE & COOLING WATER PUMP 0CR10-M42401_0021_03 Information FIG 22. LOWER GEAR HOUSING & PROPELLER 0CR10-M42401_0022_03 Information FIG 23. SHIFT REMOTE CONTROL 0CR10-M42401_0023_03 Information FIG 24. STEERING REMO-CON(PREVIOUS) 0CR10-M42401_0024_03 Information FIG 25. TOOL & SPARE PART 0CR10-M42401_0025_03 Information FIG 27. SPECIAL TOOL(1)(OPTIONAL) 0CR10-M42401_0027_03 Information FIG 28. SPECIAL TOOL(2)(OPTIONAL) 0CR10-M42401_0028_03 Information FIG 33. KL TOP CONTROL(OPTIONAL) 0CR10-M42401_0033_03 Information FIG 34. KL SIDE CONTROL(OPTIONAL) 0CR10-M42401_0034_03 Information FIG 35. GASKET SET(OPTIONAL) 0CR10-M42401_0035_03 Information FIG 39. (24A)STEERING REMO-CON(NEW) 0CR10-M42401_0039_03 Information FIG 4. BONNET & LUB.OIL PUMP 0CR10-M42401_0004_03 Information FIG 5. CRANKSHAFT & PISTON 0CR10-M42401_0005_03 Information FIG 6. FLYWHEEL.STARTER & GENERATOR 0CR10-M42401_0006_03 Information FIG 7. FLYWHEEL & RECOIL STARTER 0CR10-M42401_0007_03 Information FIG 8. LUB.OIL STRAINER & PRESS.CONTROL VALVE 0CR10-M42401_0008_03 Information FIG 9. FUEL STRAINER & FUEL PIPE 0CR10-M42401_0009_03 Information