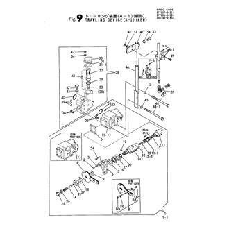
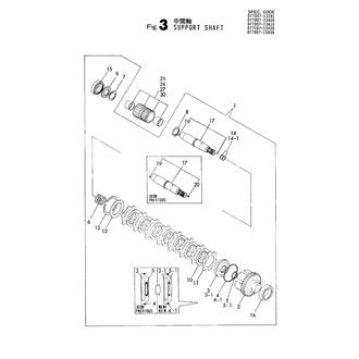
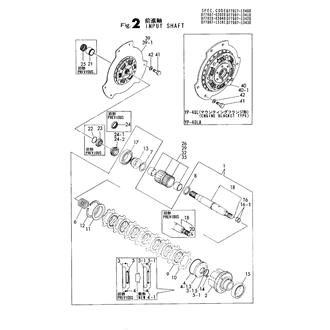
YP-40LE Large Grid View Table View FIG 1. CLUTCH HOUSING 0CF10-M40901_0001_02 Information FIG 10. HYD.OIL SWITCH VALVE(OPTIONAL) 0CF10-M40901_0010_02 Information FIG 12. TROLLING DEVICE(A-2)(PREVIOUS)(OPTIONAL) 0CF10-M40901_0012_02 Information FIG 15. GASKET SET 0CF10-M40901_0015_02 Information FIG 17. TOOL 0CF10-M40901_0017_02 Information FIG 2. INPUT SHAFT 0CF10-M40901_0002_02 Information FIG 3. SUPPORT SHAFT 0CF10-M40901_0003_02 Information FIG 4. OUTPUT SHAFT 0CF10-M40901_0004_02 Information FIG 5. HYD.OIL & LUB.OIL DEVICE 0CF10-M40901_0005_02 Information FIG 7. LUB.OIL COOLER 0CF10-M40901_0007_02 Information FIG 9. TROLLING DEVICE(A-1)(NEW) 0CF10-M40901_0009_02 Information