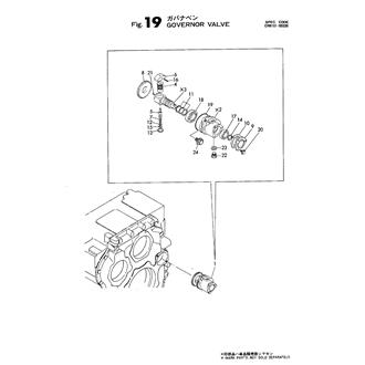
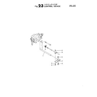
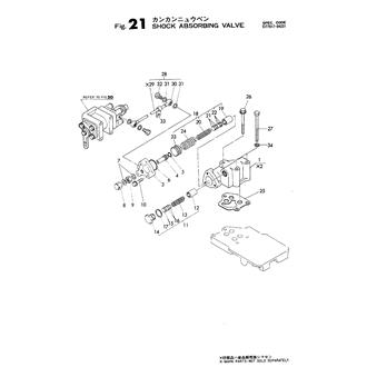
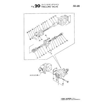
YP120K(B Large Grid View Table View FIG 18. TROLLING DEVICE (B) 0CG10-M14104_0018_00 Information FIG 19. GOVERNOR VALVE 0CG10-M14104_0019_00 Information FIG 20. TROLLING VALVE 0CG10-M14104_0020_00 Information FIG 21. SHOCK ABSORBING VALVE 0CG10-M14104_0021_00 Information FIG 22. HYDRAULIC OIL LINES 0CG10-M14104_0022_00 Information FIG 23. CONTROL DEVICE 0CG10-M14104_0023_00 Information