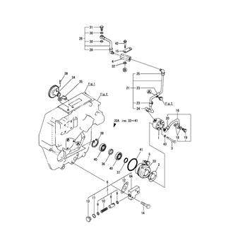
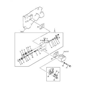
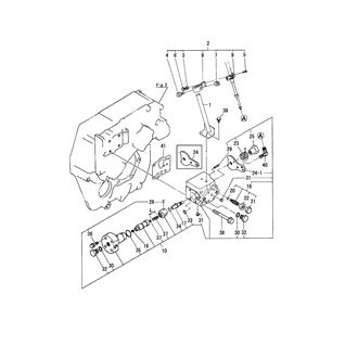
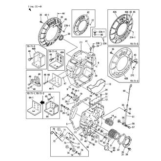
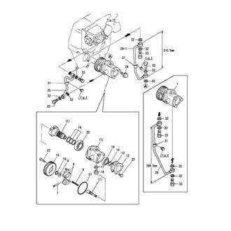
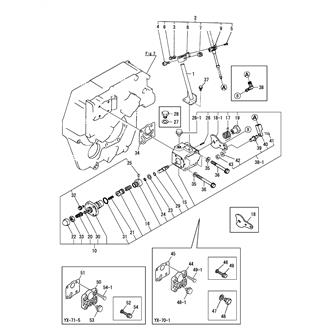
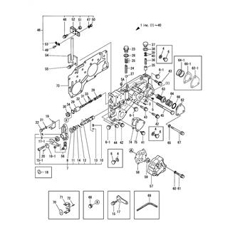
YX-70 Large Grid View Table View FIG 1. CLUTCH HOUSING 0CF10-M23106_0001_00 Information FIG 11. A2 TROLLING(YX-70,71-1,2,5,6) 0CF10-M23106_0011_00 Information FIG 13. BX TROLLING(TROLLING VALVE)(YX-70,71-1,2,6)(TO MAY 1993) 0CF10-M23106_0013_00 Information FIG 14. EB TROLLING(TROLLING VALVE)(YX-70,71-1,71-6)(FROM JUNE 1993) 0CF10-M23106_0014_00 Information FIG 17. BX TROLLING(GOVERNOR VALVE)(YX-70,71-1,2,6)(TO MAY 1993) 0CF10-M23106_0017_00 Information FIG 18. EB TROLLING(GOVERNOR VALVE)(YX-70,71-1,71-6)(FROM JUNE 1993) 0CF10-M23106_0018_00 Information FIG 2. CASE PLATE & HYD. OIL PUMP 0CF10-M23106_0002_00 Information FIG 20. TRAILING PUMP(YX-70,70-1) 0CF10-M23106_0020_00 Information FIG 22. SILENCER VALVE(OPTIONAL) 0CF10-M23106_0022_00 Information FIG 26. LABEL 0CF10-M23106_0026_00 Information FIG 3. INPUT SHAFT & FLEXIBLE COUPLING(YX-70,70-1,71-1,2,3,4,5) 0CF10-M23106_0003_00 Information FIG 5. SUPPORT SHAFT 0CF10-M23106_0005_00 Information FIG 6. OUTPUT SHAFT & COUPLING 0CF10-M23106_0006_00 Information FIG 7. LUB. OIL COOLER(YX-70,70-1,71-4,71-5) 0CF10-M23106_0007_00 Information