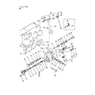
YX-71-2 Large Grid View Table View FIG 1. CLUTCH HOUSING 0CF10-M23106_0001_03 Information FIG 11. A2 TROLLING(YX-70,71-1,2,5,6) 0CF10-M23106_0011_03 Information FIG 13. BX TROLLING(TROLLING VALVE)(YX-70,71-1,2,6)(TO MAY 1993) 0CF10-M23106_0013_03 Information FIG 15. EB TROLLING(TROLLING VALVE)(YX-71-2)(FROM OCT. 1990) 0CF10-M23106_0015_03 Information FIG 17. BX TROLLING(GOVERNOR VALVE)(YX-70,71-1,2,6)(TO MAY 1993) 0CF10-M23106_0017_03 Information FIG 19. EB TROLLING(GOVERNOR VALVE)(W/O TRAILING PUMP SPEC.)(YX-71-2)(FROM OCT. 1990) 0CF10-M23106_0019_03 Information FIG 2. CASE PLATE & HYD. OIL PUMP 0CF10-M23106_0002_03 Information FIG 21. TRAILING PUMP(A2 TROLLING SPEC./WITHOUT TROLLING SPEC.)(YX-71-2,3,4,5,6) 0CF10-M23106_0021_03 Information FIG 25. HYDRAULIC PUMP & PRESSURE GAUGE(OPTIONAL) 0CF10-M23106_0025_03 Information FIG 26. LABEL 0CF10-M23106_0026_03 Information FIG 27. SPECIAL TOOL(OPTIONAL) 0CF10-M23106_0027_03 Information FIG 28. GASKET SET(OPTIONAL) 0CF10-M23106_0028_03 Information FIG 29. (19A)EB TROLLING(GOVERNOR VALVE)(TRAILING PUMP SPEC.)(YX-71-1,2,6) 0CF10-M23106_0029_03 Information FIG 3. INPUT SHAFT & FLEXIBLE COUPLING(YX-70,70-1,71-1,2,3,4,5) 0CF10-M23106_0003_03 Information FIG 5. SUPPORT SHAFT 0CF10-M23106_0005_03 Information FIG 6. OUTPUT SHAFT & COUPLING 0CF10-M23106_0006_03 Information FIG 9. LUB. OIL COOLER(YX-71-2) 0CF10-M23106_0009_03 Information