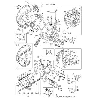
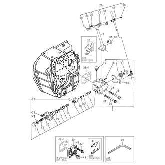
YX-20-1 Large Grid View Table View FIG 1. CLUTCH HOUSING 0CF10-M51701_0001_01 Information FIG 10. GASKET SET & TOOLS(OPTIONAL) 0CF10-M51701_0010_01 Information FIG 2. DUMPER DISK & RUBBER BLOCK 0CF10-M51701_0002_01 Information FIG 3. INPUT SHAFT 0CF10-M51701_0003_01 Information FIG 4. SUPPORT SHAFT 0CF10-M51701_0004_01 Information FIG 5. OUTPUT SHAFT 0CF10-M51701_0005_01 Information FIG 6. HYD. OIL PUMP & 2ND. REGULATING 0CF10-M51701_0006_01 Information FIG 7. LUB. OIL COOLER 0CF10-M51701_0007_01 Information FIG 8. TROLLING VALVE(A2-TYPE) 0CF10-M51701_0008_01 Information FIG 9. SILENCER VALVE(OPTIONAL) 0CF10-M51701_0009_01 Information