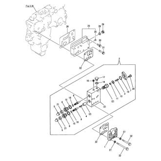
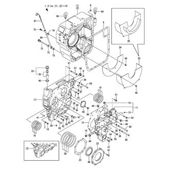
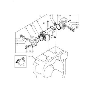
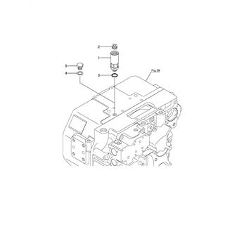
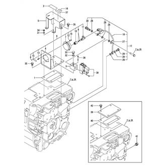
YX-120-1 Large Grid View Table View FIG 10. A2 TROLLING(FROM OCT. 1989) 0CG10-M21002_0010_01 Information FIG 11. SWITCH VALVE(FROM DEC. 1987) 0CG10-M21002_0011_01 Information FIG 13. TRAILING PUMP(OPTIONAL) 0CG10-M21002_0013_01 Information FIG 17. HYDRAULIC PUMP & PRESSURE GAUGE(OPTIONAL)(FROM JULY 1988) 0CG10-M21002_0017_01 Information FIG 19. GASKET SET(OPTIONAL) 0CG10-M21002_0019_01 Information FIG 2. CLUTCH HOUSING(WITHOUT ALARM SWITCH SPEC.) 0CG10-M21002_0002_01 Information FIG 20. SPECIAL TOOL(OPTIONAL) 0CG10-M21002_0020_01 Information FIG 21. SPARE PUMP(OPTIONAL) 0CG10-M21002_0021_01 Information FIG 22. (2A)CLUTCH HOUSING(ALARM SWITCH SPEC.) 0CG10-M21002_0022_01 Information FIG 23. (2B)MOUNTING FLANGE 0CG10-M21002_0023_01 Information FIG 24. (2C)MOUNTING FOOT 0CG10-M21002_0024_01 Information FIG 25. (2D)TOOL & LABEL 0CG10-M21002_0025_01 Information FIG 27. (7A)LUB. OIL COOLER(SHIP CLASSIFICATION SPEC.)(FROM JULY 2015) 0CG10-M21002_0027_01 Information FIG 29. (16A)SILENCER VALVE(WITHOUT TROLLING SPEC.) 0CG10-M21002_0029_01 Information FIG 3. INPUT SHAFT & FLEXIBLE COUPLING(YX-120/YX-120-1/YX-120-3) 0CG10-M21002_0003_01 Information FIG 30. (16B)LUB. OIL TEMPERATURE ALARM SWITCH(OPTIONAL) 0CG10-M21002_0030_01 Information FIG 31. (16C)LUB. OIL PRESSURE GAUGE(OPTIONAL) 0CG10-M21002_0031_01 Information FIG 4. SUPPORT SHAFT 0CG10-M21002_0004_01 Information FIG 5. OUTPUT SHAFT & COUPLING 0CG10-M21002_0005_01 Information FIG 6. HYD. OIL PUMP 0CG10-M21002_0006_01 Information FIG 7. LUB. OIL COOLER 0CG10-M21002_0007_01 Information FIG 8. LUB. OIL FILTER 0CG10-M21002_0008_01 Information FIG 9. LUB. OIL & HYD. OIL PRESSURE REGULATING VALVE 0CG10-M21002_0009_01 Information