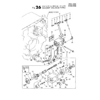
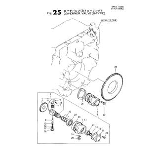
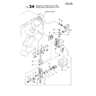
YX-151 Large Grid View Table View FIG 1. CLUTCH ASSY 0CG10-M22102_0001_00 Information FIG 11. SUPPORT SHAFT B(YX-151,YX-150L) 0CG10-M22102_0011_00 Information FIG 13. SUPPORT SHAFT C(YX-151,YX-150L) 0CG10-M22102_0013_00 Information FIG 14. OUTPUT SHAFT(YX-150,YX-151) 0CG10-M22102_0014_00 Information FIG 16. SAFTY & OIL PRESS.REGULATING VALVE 0CG10-M22102_0016_00 Information FIG 17. L.O.COOLER & L.O.STRAINER 0CG10-M22102_0017_00 Information FIG 18. LUB.OIL LINE(YX-150,YX-151) 0CG10-M22102_0018_00 Information FIG 2. CLUTCH HOUSING(YX-151,YX150) 0CG10-M22102_0002_00 Information FIG 21. TROLLING VALVE(A-2) 0CG10-M22102_0021_00 Information FIG 23. TOOL 0CG10-M22102_0023_00 Information FIG 24. TROLLING VALVE(B-TYPE) 0CG10-M22102_0024_00 Information FIG 25. GOVERNOR VALVE(B-TYPE)(PREVIOUS) 0CG10-M22102_0025_00 Information FIG 26. DECOMP VALVE(B-TYPE)(PREVIOUS) 0CG10-M22102_0026_00 Information FIG 28. HYD.PUMP(F1) & PRESS.GAUGE(F3) 0CG10-M22102_0028_00 Information FIG 30. GASKET SET 0CG10-M22102_0030_00 Information FIG 31. BX TROLLING 0CG10-M22102_0031_00 Information FIG 4. LABEL 0CG10-M22102_0004_00 Information FIG 5. FLEXIBLE JOINT 0CG10-M22102_0005_00 Information FIG 7. SUPPORT SHAFT IN(YX-151,YX-150L) 0CG10-M22102_0007_00 Information FIG 9. SUPPORT SHAFT A(YX-151,YX-150L) 0CG10-M22102_0009_00 Information