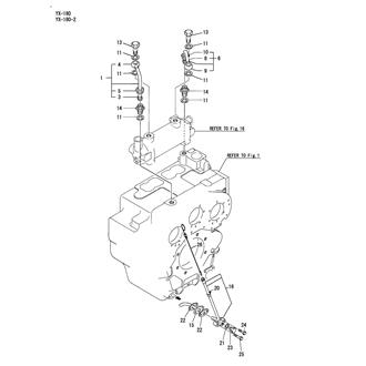
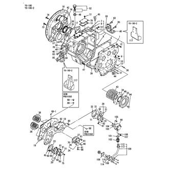
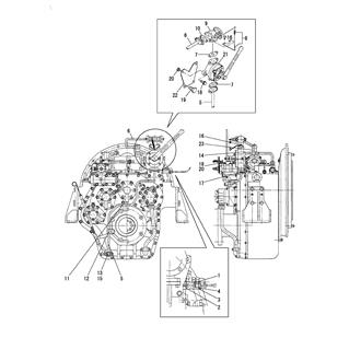
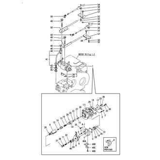
YX-180-2 Large Grid View Table View FIG 1. CLUTCH HOUSING(YX-180) 0CG10-M22205_0001_01 Information FIG 11. SUPPORT SHAFT(C)(YX-180) 0CG10-M22205_0011_01 Information FIG 13. OUTPUT SHAFT(YX-180) 0CG10-M22205_0013_01 Information FIG 15. SAFTY VALVE & OIL PRESS.REGULATING VALVE 0CG10-M22205_0015_01 Information FIG 16. LUB.OIL COOLER & LUB.OIL STRAINER(YX-180) 0CG10-M22205_0016_01 Information FIG 19. LUB.OIL PIPE(YX-180) 0CG10-M22205_0019_01 Information FIG 23. SWITCH VALVE(A-2)(YX-180L) 0CG10-M22205_0023_01 Information FIG 25. REMOTE CONTROL HEAD(YX-180) 0CG10-M22205_0025_01 Information FIG 26. WING PUMP(YX-180) 0CG10-M22205_0026_01 Information FIG 27. HYD.PUMP & PRESS.GAUGE(YX-180) 0CG10-M22205_0027_01 Information FIG 29. GASKET SET(YX-180) 0CG10-M22205_0029_01 Information FIG 3. LABEL 0CG10-M22205_0003_01 Information FIG 4. COUPLING 0CG10-M22205_0004_01 Information FIG 5. SUPPORT SHAFT(IN)(YX-180) 0CG10-M22205_0005_01 Information FIG 7. SUPPORT SHAFT(A)(YX-180) 0CG10-M22205_0007_01 Information FIG 9. SUPPORT SHAFT(B)(YX-180) 0CG10-M22205_0009_01 Information