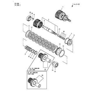
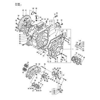
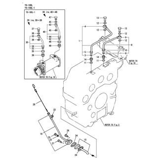
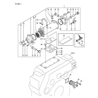
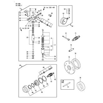
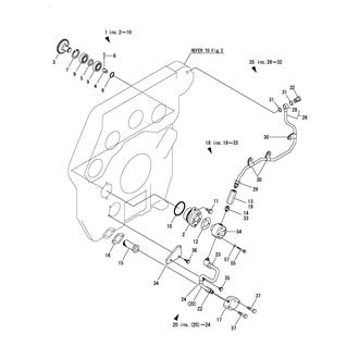
YX-180L-1 Large Grid View Table View FIG 10. SUPPORT SHAFT(B)(YX-180L) 0CG10-M22205_0010_04 Information FIG 12. SUPPORT SHAFT(C)(YX-180L) 0CG10-M22205_0012_04 Information FIG 14. OUTPUT SHAFT(YX-180L) 0CG10-M22205_0014_04 Information FIG 15. SAFTY VALVE & OIL PRESS.REGULATING VALVE 0CG10-M22205_0015_04 Information FIG 18. LUB. OIL COOLER & FILTER(YX-180L-1) 0CG10-M22205_0018_04 Information FIG 2. CLUTCH HOUSING(YX-180L) 0CG10-M22205_0002_04 Information FIG 20. LUB.OIL PIPE(YX-180L) 0CG10-M22205_0020_04 Information FIG 21. TRAILING PUMP & LUB. OIL PIPE(YX-180L) 0CG10-M22205_0021_04 Information FIG 24. SWITCH VALVE(YX-180L-1) 0CG10-M22205_0024_04 Information FIG 28. HYD.PUMP & PRESS.GAUGE(YX-180L) 0CG10-M22205_0028_04 Information FIG 3. LABEL 0CG10-M22205_0003_04 Information FIG 30. GASKET SET(YX-180L) 0CG10-M22205_0030_04 Information FIG 4. COUPLING 0CG10-M22205_0004_04 Information FIG 6. SUPPORT SHAFT(IN)(YX-180L) 0CG10-M22205_0006_04 Information FIG 8. SUPPORT SHAFT(A)(YX-180L) 0CG10-M22205_0008_04 Information