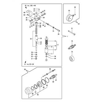
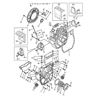
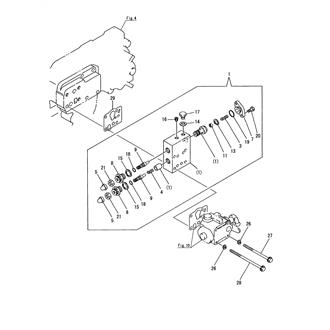
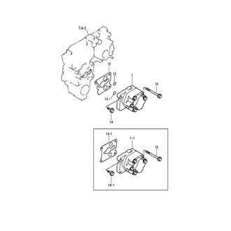
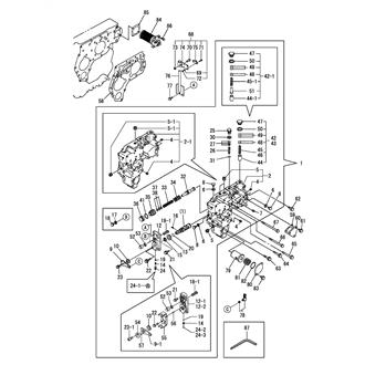
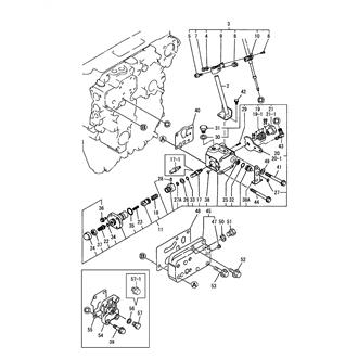
YX-120L-2 Large Grid View Table View FIG 1. CLUTCH ASSY 0CG10-M24601_0001_01 Information FIG 10. TROLLING VALVE(A2) 0CG10-M24601_0010_01 Information FIG 14. SILENCER VALVE(OPTIONAL) 0CG10-M24601_0014_01 Information FIG 15. HYDRAULIC PUMP & PRESSURE GAUGE(OPTIONAL) 0CG10-M24601_0015_01 Information FIG 16. GASKET SET(OPTIONAL) 0CG10-M24601_0016_01 Information FIG 23. (7A)OUTPUT SHAFT & COUPLING(YX-120L-2) 0CG10-M24601_0023_01 Information FIG 28. (15A)SPARE PUMP(OPTIONAL) 0CG10-M24601_0028_01 Information FIG 29. (3B)LABEL 0CG10-M24601_0029_01 Information FIG 3. CLUTCH HOUSING(YX-120L-2) 0CG10-M24601_0003_01 Information FIG 4. CASE PLATE 0CG10-M24601_0004_01 Information FIG 5. INPUT SHAFT & DAMPER COUPLING(YX-120-2/YX-120L-2) 0CG10-M24601_0005_01 Information FIG 6. SUPPORT SHAFT 0CG10-M24601_0006_01 Information FIG 8. HYDRAULIC OIL PUMP 0CG10-M24601_0008_01 Information FIG 9. LUB. OIL COOLER 0CG10-M24601_0009_01 Information