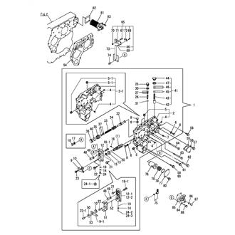
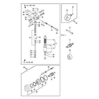
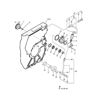
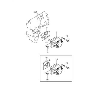
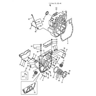
YX-120L-4 Large Grid View Table View FIG 10. HYDRAULIC PUMP & PRESSURE GAUGE(OPTIONAL) 0CG10-M25301_0010_02 Information FIG 11. GASKET SET(OPTIONAL) 0CG10-M25301_0011_02 Information FIG 12. SPECIAL TOOL(OPTIONAL) 0CG10-M25301_0012_02 Information FIG 14. (2A)MOUNTING FLANGE 0CG10-M25301_0014_02 Information FIG 15. (2B)MOUNTING FOOT 0CG10-M25301_0015_02 Information FIG 16. (2C)TOOL & LABEL 0CG10-M25301_0016_02 Information FIG 17. (4A)INPUT SHAFT & FLEXIBLE COUPLING(YX-120L-4/YX-120L-5) 0CG10-M25301_0017_02 Information FIG 2. CLUTCH HOUSING 0CG10-M25301_0002_02 Information FIG 24. (9E)TRAILING PUMP(OPTIONAL) 0CG10-M25301_0024_02 Information FIG 3. CASE PLATE 0CG10-M25301_0003_02 Information FIG 5. SUPPORT SHAFT 0CG10-M25301_0005_02 Information FIG 6. OUTPUT SHAFT & COUPLING 0CG10-M25301_0006_02 Information FIG 7. HYD. OIL PUMP 0CG10-M25301_0007_02 Information FIG 8. LUB. OIL COOLER 0CG10-M25301_0008_02 Information