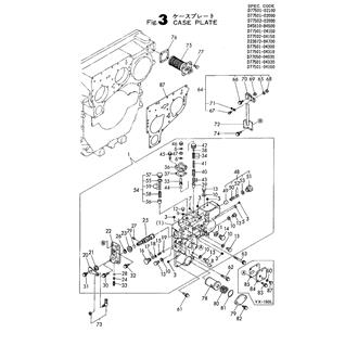
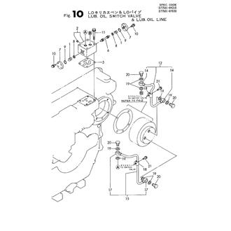
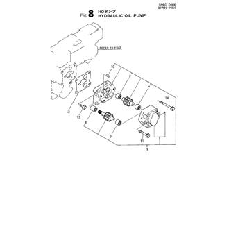
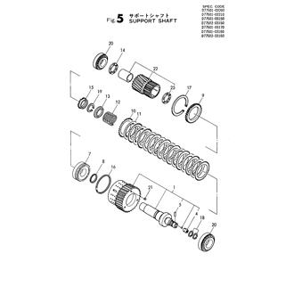
YX2-160L Large Grid View Table View FIG 1. CLUTCH ASSY 0CG10-M26200_0001_00 Information FIG 10. L.O. SWITCH VALVE & L.O. LINE 0CG10-M26200_0010_00 Information FIG 11. LUB. OIL LINE 0CG10-M26200_0011_00 Information FIG 12. SWITCH VALVE 0CG10-M26200_0012_00 Information FIG 13. LABEL & GASKET SET 0CG10-M26200_0013_00 Information FIG 16. REMOTO CONTROL HEAD 0CG10-M26200_0016_00 Information FIG 17. HYD. PUMP(F1)&PRESS.GAUGE(F3) 0CG10-M26200_0017_00 Information FIG 18. SENSOR 0CG10-M26200_0018_00 Information FIG 2. CLUTCH CASE 0CG10-M26200_0002_00 Information FIG 3. CASE PLATE 0CG10-M26200_0003_00 Information FIG 4. INPUT SHAFT & ELASTIC JOINT 0CG10-M26200_0004_00 Information FIG 5. SUPPORT SHAFT 0CG10-M26200_0005_00 Information FIG 6. SUPPORT SHAFT(F1) 0CG10-M26200_0006_00 Information FIG 7. OUTPUT SHAFT & IDLE GEAR SHAFT 0CG10-M26200_0007_00 Information FIG 8. HYD. OIL PUMP 0CG10-M26200_0008_00 Information FIG 9. LUB. OIL COOLER 0CG10-M26200_0009_00 Information