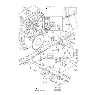
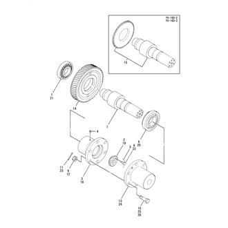
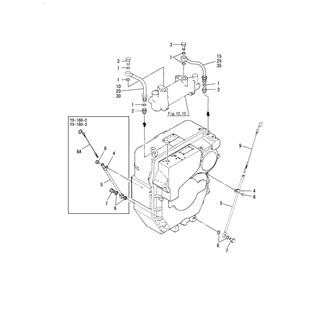
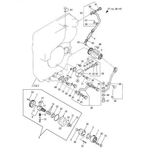
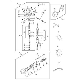
YX-161L-2 Large Grid View Table View FIG 1. CLUTCH ASSY 0CG10-M30103_0001_01 Information FIG 10. OUTPUT SHAFT & COUPLING 0CG10-M30103_0010_01 Information FIG 11. HYDRAULIC PUMP 0CG10-M30103_0011_01 Information FIG 12. LUB. OIL COOLER 0CG10-M30103_0012_01 Information FIG 14. LUB. OIL PIPE 0CG10-M30103_0014_01 Information FIG 17. TROLLING PUMP(YX-161L-2/3) 0CG10-M30103_0017_01 Information FIG 18. TROLLING DEVICE(BX) 0CG10-M30103_0018_01 Information FIG 24. HYDRAULIC PUMP(F1) & PRESS. GAUGE(F3) 0CG10-M30103_0024_01 Information FIG 25. SENSOR 0CG10-M30103_0025_01 Information FIG 26. LABEL 0CG10-M30103_0026_01 Information FIG 28. TROLLING PUMP(YX-161L-2/3/4) 0CG10-M30103_0028_01 Information FIG 29. TROLLING DEVICE(BX)(WITH TRAILING PUMP)(1/2) 0CG10-M30103_0029_01 Information FIG 3. CLUTCH HOUSING(YX2-161L-2/3)(YX-161L-2/3/4) 0CG10-M30103_0003_01 Information FIG 30. TROLLING DEVICE(BX)(WITH TRAILING PUMP)(2/2) 0CG10-M30103_0030_01 Information FIG 4. CASE PLATE(YX-160-2/3)(YX-161L-2/3/4) 0CG10-M30103_0004_01 Information FIG 6. LUB. OIL STRAINER & LUB. OIL PRESS VALVE 0CG10-M30103_0006_01 Information FIG 7. INPUT SHAFT & COUPLING 0CG10-M30103_0007_01 Information FIG 8. SUPPORT SHAFT 0CG10-M30103_0008_01 Information