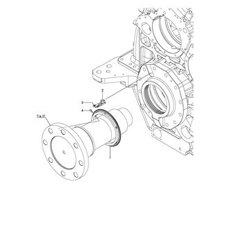
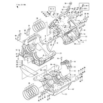
YXH-2000 Large Grid View Table View FIG 1. CLUTCH HOUSING(YXH-2000/2500)(WITHOUT TRAILING PUMP SPEC.) 0CH10-M35001_0001_00 Information FIG 10. CLUTCH HOUSING REAR COVER(2) 0CH10-M35001_0010_00 Information FIG 11. CLUTCH HOUSING REAR COVER(2)(OPTIONAL) 0CH10-M35001_0011_00 Information FIG 12. LUB. OIL DIPSTICK 0CH10-M35001_0012_00 Information FIG 13. LABEL 0CH10-M35001_0013_00 Information FIG 14. INPUT COUPLING(WITHOUT IDLE SHAFT SPEC.) 0CH10-M35001_0014_00 Information FIG 15. INPUT COUPLING(WITH IDLE SHAFT SPEC.)(OPTIONAL) 0CH10-M35001_0015_00 Information FIG 17. INPUT SHAFT(YXH-2000) 0CH10-M35001_0017_00 Information FIG 23. SUPPORT SHAFT(B)(YXH-2000/2000C) 0CH10-M35001_0023_00 Information FIG 25. SUPPORT SHAFT(B)(YXH-2000/2000C)(ELECTRIC TROLLING SPEC.)(OPTIONAL) 0CH10-M35001_0025_00 Information FIG 27. OUTPUT SHAFT(YXH-2000/2000C) 0CH10-M35001_0027_00 Information FIG 31. HYDRAULIC OIL PUMP DRIVING SHAFT 0CH10-M35001_0031_00 Information FIG 32. HYDRAULIC OIL PUMP(INPUT SHAFT RIGHT ROTATION SPEC.) 0CH10-M35001_0032_00 Information FIG 33. HYDRAULIC OIL PUMP(INPUT SHAFT LEFT ROTATION SPEC.)(OPTIONAL) 0CH10-M35001_0033_00 Information FIG 34. AHEAD/ASTERN CHANGE-OVER VALVE(PNEUMATIC TYPE)(OPTIONAL) 0CH10-M35001_0034_00 Information FIG 35. AHEAD/ASTERN CHANGE-OVER VALVE(ELECTROMAGNETIC TYPE) 0CH10-M35001_0035_00 Information FIG 36. AHEAD/ASTERN CHANGE-OVER VALVE(ELECTROMAGNETIC TYPE)(ELECTRIC TROLLING SPEC.) 0CH10-M35001_0036_00 Information FIG 37. AHEAD/ASTERN & ENGAGE/OFF CHANGE-OVER VALVE(TWIN ELECTROMAGNETIC TYPE) 0CH10-M35001_0037_00 Information FIG 38. AHEAD/ASTERN & ENGAGE/OFF CHANGE-OVER VALVE(TWIN ELECTROMAGNETIC TYPE) 0CH10-M35001_0038_00 Information FIG 39. LUB. OIL COOLER(YXH-2000/2000C) 0CH10-M35001_0039_00 Information FIG 42. LUB. OIL STRAINER 0CH10-M35001_0042_00 Information FIG 43. HYDRAULIC OIL PRESSURE REGULATING VALVE & SAFETY VALVE 0CH10-M35001_0043_00 Information FIG 44. LUB. OIL PRESSURE REGULATING VALVE 0CH10-M35001_0044_00 Information FIG 45. SUCTION STRAINER 0CH10-M35001_0045_00 Information FIG 47. ELECTRIC TROLLING(1)(OPTIONAL) 0CH10-M35001_0047_00 Information FIG 48. ELECTRIC TROLLING(2)(OPTIONAL) 0CH10-M35001_0048_00 Information FIG 49. ELECTRIC TROLLING(3)(OPTIONAL) 0CH10-M35001_0049_00 Information FIG 50. ROTATION SENSOR(OPTIONAL) 0CH10-M35001_0050_00 Information FIG 51. LUB. OIL THERMOMETER & LUB. OIL THERMO SWITCH 0CH10-M35001_0051_00 Information FIG 52. INSTRUMENT PANEL 0CH10-M35001_0052_00 Information FIG 54. SENSOR STAND 0CH10-M35001_0054_00 Information FIG 55. SENSOR STAND(OPTIONAL) 0CH10-M35001_0055_00 Information FIG 56. LUB. OIL PRESSURE ALARM SWITCH(OPTIONAL) 0CH10-M35001_0056_00 Information FIG 57. LUB. OIL PRESSURE STOP SWITCH(OPTIONAL) 0CH10-M35001_0057_00 Information FIG 58. HYDRAULIC OIL AHEAD/ASTERN SWITCH(OPTIONAL) 0CH10-M35001_0058_00 Information FIG 59. LUB. OIL PRESSURE TRANSMITTER(OPTIONAL) 0CH10-M35001_0059_00 Information FIG 60. HYDRAULIC OIL PRESSURE TRANSMITTER(OPTIONAL) 0CH10-M35001_0060_00 Information FIG 61. SPARE PUMP STARTUP SWITCH(OPTIONAL) 0CH10-M35001_0061_00 Information FIG 64. RESISTOR(OPTIONAL) 0CH10-M35001_0064_00 Information FIG 66. JUNCTION BOX(WITHOUT ROTATION SENSOR SPEC.) 0CH10-M35001_0066_00 Information FIG 67. JUNCTION BOX(WITH ROTATION SENSOR SPEC.)(OPTIONAL) 0CH10-M35001_0067_00 Information FIG 68. HYDRAULIC OIL PIPE(INPUT SHAFT RIGHT ROTATION SPEC.) 0CH10-M35001_0068_00 Information FIG 69. HYDRAULIC OIL PIPE(INPUT SHAFT LEFT ROTATION SPEC.)(OPTIONAL) 0CH10-M35001_0069_00 Information FIG 7. CLUTCH HOUSING COVER 0CH10-M35001_0007_00 Information FIG 70. HYDRAULIC OIL PIPE(AHEAD/ASTERN SWITCH)(OPTIONAL) 0CH10-M35001_0070_00 Information FIG 71. LUB. OIL PIPE(PRESSURE GAUGE) 0CH10-M35001_0071_00 Information FIG 72. HYDRAULIC OIL PIPE(PRESSURE GAUGE) 0CH10-M35001_0072_00 Information FIG 73. LUB. OIL PIPE(PRESSURE STOP SWITCH)(OPTIONAL) 0CH10-M35001_0073_00 Information FIG 74. HYDRAULIC OIL PIPE(PRESSURE TRANSMITTER)(OPTIONAL) 0CH10-M35001_0074_00 Information FIG 75. LUB. OIL PIPE(PRESSURE TRANSMITTER)(OPTIONAL) 0CH10-M35001_0075_00 Information FIG 77. LUB. OIL PIPE(SPARE PUMP STARTUP SWITCH)(OPTIONAL) 0CH10-M35001_0077_00 Information FIG 79. LUB. OIL PIPE(LUB. OIL COOLER) 0CH10-M35001_0079_00 Information FIG 8. CLUTCH HOUSING FRONT COVER 0CH10-M35001_0008_00 Information FIG 80. LUB. OIL PIPE(WING PUMP) 0CH10-M35001_0080_00 Information FIG 82. WING PUMP 0CH10-M35001_0082_00 Information FIG 86. PRESS-IN TOOL & TOOL BOX(OPTIONAL) 0CH10-M35001_0086_00 Information FIG 87. HYDRAULIC OIL PUMP(OPTIONAL) 0CH10-M35001_0087_00 Information FIG 9. CLUTCH HOUSING REAR COVER(1) 0CH10-M35001_0009_00 Information