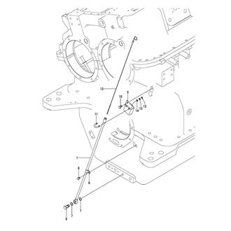
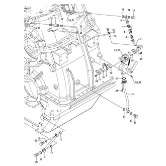
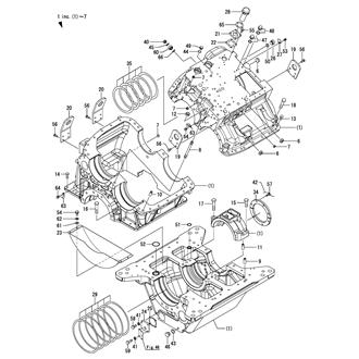
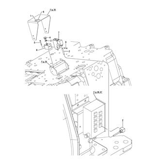
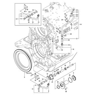
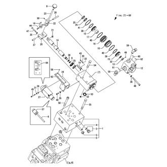
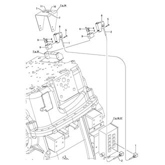
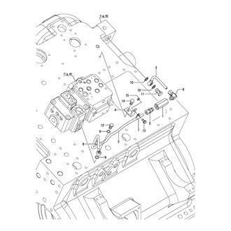
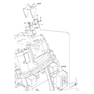
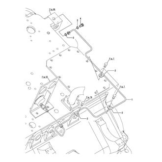
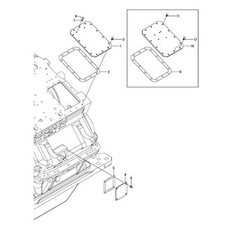
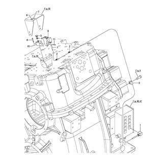
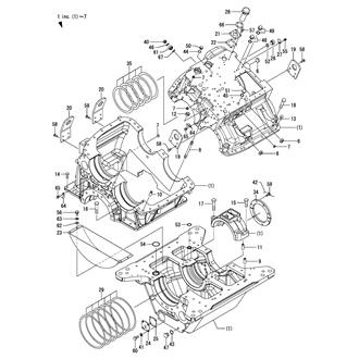
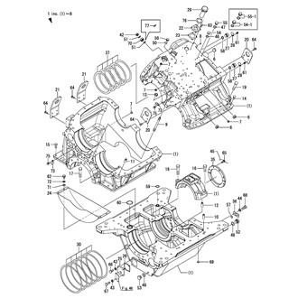
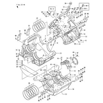
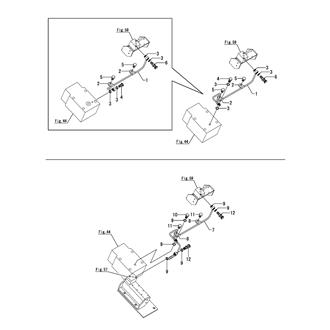
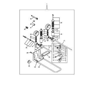
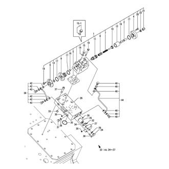
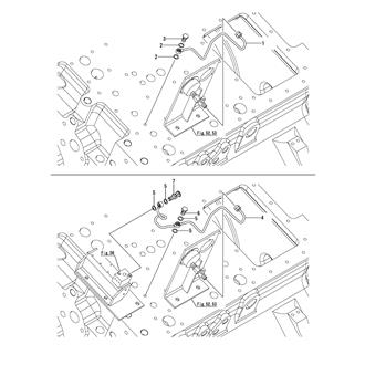
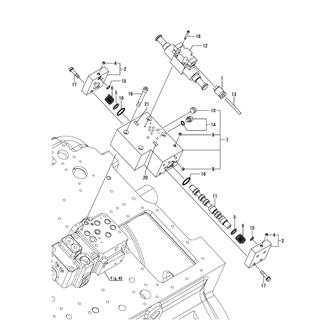
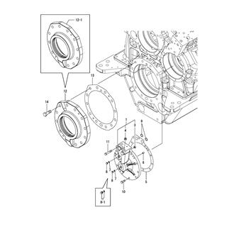
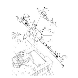
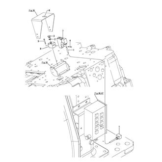
YXH-2500C Large Grid View Table View FIG 10. CLUTCH HOUSING REAR COVER(2) 0CH10-M35001_0010_03 Information FIG 11. CLUTCH HOUSING REAR COVER(2)(OPTIONAL) 0CH10-M35001_0011_03 Information FIG 12. LUB. OIL DIPSTICK 0CH10-M35001_0012_03 Information FIG 13. LABEL 0CH10-M35001_0013_03 Information FIG 14. INPUT COUPLING(WITHOUT IDLE SHAFT SPEC.) 0CH10-M35001_0014_03 Information FIG 15. INPUT COUPLING(WITH IDLE SHAFT SPEC.)(OPTIONAL) 0CH10-M35001_0015_03 Information FIG 16. INPUT COUPLING(WITH IDLE SHAFT, GEISLINGER SPEC.)(OPTIONAL) 0CH10-M35001_0016_03 Information FIG 2. CLUTCH HOUSING(YXH-2000C/2500C)(WITHOUT TRAILING PUMP SPEC.) 0CH10-M35001_0002_03 Information FIG 20. INPUT SHAFT(YXH-2500C) 0CH10-M35001_0020_03 Information FIG 22. SUPPORT SHAFT(A)(YXH-2500C) 0CH10-M35001_0022_03 Information FIG 24. SUPPORT SHAFT(B)(YXH-2500/2500C) 0CH10-M35001_0024_03 Information FIG 26. SUPPORT SHAFT(B)(YXH-2500/2500C)(ELECTRIC TROLLING SPEC.)(OPTIONAL) 0CH10-M35001_0026_03 Information FIG 29. OUTPUT SHAFT(YXH-2500/2500C) 0CH10-M35001_0029_03 Information FIG 30. OUTPUT SHAFT(YXH-2500/2500C) 0CH10-M35001_0030_03 Information FIG 31. HYDRAULIC OIL PUMP DRIVING SHAFT 0CH10-M35001_0031_03 Information FIG 32. HYDRAULIC OIL PUMP(INPUT SHAFT RIGHT ROTATION SPEC.) 0CH10-M35001_0032_03 Information FIG 34. AHEAD/ASTERN CHANGE-OVER VALVE(PNEUMATIC TYPE)(OPTIONAL) 0CH10-M35001_0034_03 Information FIG 35. AHEAD/ASTERN CHANGE-OVER VALVE(ELECTROMAGNETIC TYPE) 0CH10-M35001_0035_03 Information FIG 36. AHEAD/ASTERN CHANGE-OVER VALVE(ELECTROMAGNETIC TYPE)(ELECTRIC TROLLING SPEC.) 0CH10-M35001_0036_03 Information FIG 37. AHEAD/ASTERN & ENGAGE/OFF CHANGE-OVER VALVE(TWIN ELECTROMAGNETIC TYPE) 0CH10-M35001_0037_03 Information FIG 38. AHEAD/ASTERN & ENGAGE/OFF CHANGE-OVER VALVE(TWIN ELECTROMAGNETIC TYPE) 0CH10-M35001_0038_03 Information FIG 4. CLUTCH HOUSING(YXH-2000C/2500C)(TRAILING PUMP SPEC.)(OPTIONAL) 0CH10-M35001_0004_03 Information FIG 40. LUB. OIL COOLER(FOR SEA WATER)(YXH-2500/2500C) 0CH10-M35001_0040_03 Information FIG 41. LUB. OIL COOLER(FOR FRESH WATER)(YXH-2500C)(OPTIONAL) 0CH10-M35001_0041_03 Information FIG 42. LUB. OIL STRAINER 0CH10-M35001_0042_03 Information FIG 43. HYDRAULIC OIL PRESSURE REGULATING VALVE & SAFETY VALVE 0CH10-M35001_0043_03 Information FIG 44. LUB. OIL PRESSURE REGULATING VALVE 0CH10-M35001_0044_03 Information FIG 45. SUCTION STRAINER 0CH10-M35001_0045_03 Information FIG 46. TRAILING PUMP(OPTIONAL) 0CH10-M35001_0046_03 Information FIG 47. ELECTRIC TROLLING(1)(OPTIONAL) 0CH10-M35001_0047_03 Information FIG 48. ELECTRIC TROLLING(2)(OPTIONAL) 0CH10-M35001_0048_03 Information FIG 49. ELECTRIC TROLLING(3)(OPTIONAL) 0CH10-M35001_0049_03 Information FIG 5. CLUTCH HOUSING(YXH-2000C/2500C)(GEISLINGER SPEC.WITHOUT TRAILING PUMP)(OPTIONAL) 0CH10-M35001_0005_03 Information FIG 51. LUB. OIL THERMOMETER & LUB. OIL THERMO SWITCH 0CH10-M35001_0051_03 Information FIG 52. INSTRUMENT PANEL 0CH10-M35001_0052_03 Information FIG 53. INSTRUMENT PANEL(GEISLINGER SPEC.)(OPTIONAL) 0CH10-M35001_0053_03 Information FIG 54. SENSOR STAND 0CH10-M35001_0054_03 Information FIG 55. SENSOR STAND(OPTIONAL) 0CH10-M35001_0055_03 Information FIG 56. LUB. OIL PRESSURE ALARM SWITCH(OPTIONAL) 0CH10-M35001_0056_03 Information FIG 57. LUB. OIL PRESSURE STOP SWITCH(OPTIONAL) 0CH10-M35001_0057_03 Information FIG 58. HYDRAULIC OIL AHEAD/ASTERN SWITCH(OPTIONAL) 0CH10-M35001_0058_03 Information FIG 59. LUB. OIL PRESSURE TRANSMITTER(OPTIONAL) 0CH10-M35001_0059_03 Information FIG 6. CLUTCH HOUSING(YXH-2000C/2500C)(GEISLINGER SPEC.WITH TRAILING PUMP)(OPTIONAL) 0CH10-M35001_0006_03 Information FIG 60. HYDRAULIC OIL PRESSURE TRANSMITTER(OPTIONAL) 0CH10-M35001_0060_03 Information FIG 61. SPARE PUMP STARTUP SWITCH(OPTIONAL) 0CH10-M35001_0061_03 Information FIG 62. GEISLINGER PRESSURE ALARM SWITCH(OPTIONAL) 0CH10-M35001_0062_03 Information FIG 63. HYDRAULIC OIL PRESSURE ALARM SWITCH(OPTIONAL) 0CH10-M35001_0063_03 Information FIG 64. RESISTOR(OPTIONAL) 0CH10-M35001_0064_03 Information FIG 65. DECOMPRESSION VALVE(GEISLINGER SPEC.)(OPTIONAL) 0CH10-M35001_0065_03 Information FIG 66. JUNCTION BOX(WITHOUT ROTATION SENSOR SPEC.) 0CH10-M35001_0066_03 Information FIG 68. HYDRAULIC OIL PIPE(INPUT SHAFT RIGHT ROTATION SPEC.) 0CH10-M35001_0068_03 Information FIG 7. CLUTCH HOUSING COVER 0CH10-M35001_0007_03 Information FIG 70. HYDRAULIC OIL PIPE(AHEAD/ASTERN SWITCH)(OPTIONAL) 0CH10-M35001_0070_03 Information FIG 71. LUB. OIL PIPE(PRESSURE GAUGE) 0CH10-M35001_0071_03 Information FIG 72. HYDRAULIC OIL PIPE(PRESSURE GAUGE) 0CH10-M35001_0072_03 Information FIG 73. LUB. OIL PIPE(PRESSURE STOP SWITCH)(OPTIONAL) 0CH10-M35001_0073_03 Information FIG 74. HYDRAULIC OIL PIPE(PRESSURE TRANSMITTER)(OPTIONAL) 0CH10-M35001_0074_03 Information FIG 75. LUB. OIL PIPE(PRESSURE TRANSMITTER)(OPTIONAL) 0CH10-M35001_0075_03 Information FIG 76. HYDRAULIC OIL PIPE(PRESSURE ALARM SWITCH)(OPTIONAL) 0CH10-M35001_0076_03 Information FIG 77. LUB. OIL PIPE(SPARE PUMP STARTUP SWITCH)(OPTIONAL) 0CH10-M35001_0077_03 Information FIG 78. LUB. OIL PIPE(GEISLINGER PRESSURE ALARM SWITCH)(OPTIONAL) 0CH10-M35001_0078_03 Information FIG 79. LUB. OIL PIPE(LUB. OIL COOLER) 0CH10-M35001_0079_03 Information FIG 8. CLUTCH HOUSING FRONT COVER 0CH10-M35001_0008_03 Information FIG 80. LUB. OIL PIPE(WING PUMP) 0CH10-M35001_0080_03 Information FIG 81. LUB. OIL PIPE(WING PUMP)(GEISLINGER SPEC.)(OPTIONAL) 0CH10-M35001_0081_03 Information FIG 82. WING PUMP 0CH10-M35001_0082_03 Information FIG 83. PRESSURE GAUGE PIPE(GEISLINGER SPEC.)(OPTIONAL) 0CH10-M35001_0083_03 Information FIG 84. HYDRAULIC OIL PIPE(GEISLINGER SPEC.)(OPTIONAL) 0CH10-M35001_0084_03 Information FIG 85. LUB. OIL PIPE(GEISLINGER SPEC.)(OPTIONAL) 0CH10-M35001_0085_03 Information FIG 86. PRESS-IN TOOL & TOOL BOX(OPTIONAL) 0CH10-M35001_0086_03 Information FIG 87. HYDRAULIC OIL PUMP(OPTIONAL) 0CH10-M35001_0087_03 Information FIG 9. CLUTCH HOUSING REAR COVER(1) 0CH10-M35001_0009_03 Information