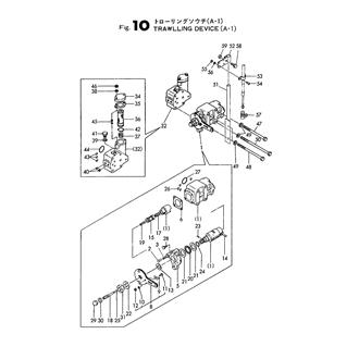
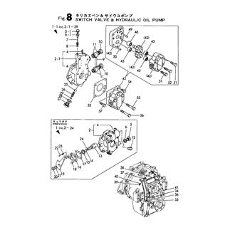
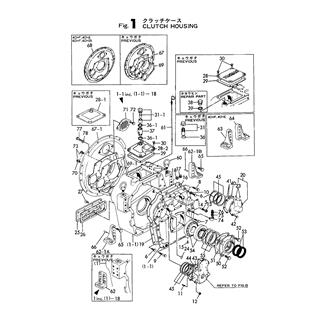
Y28 Large Grid View Table View FIG 1. CLUTCH HOUSING 0CF10-M21001_0001_00 Information FIG 10. TROLLING DEVICE(A-1) 0CF10-M21001_0010_00 Information FIG 11. LUB. OIL COOLER 0CF10-M21001_0011_00 Information FIG 12. TOOL (OPTIONAL) 0CF10-M21001_0012_00 Information FIG 13. GASKET SET (OPTIONAL) 0CF10-M21001_0013_00 Information FIG 3. INPUT SHAFT 0CF10-M21001_0003_00 Information FIG 4. SUPPORT SHAFT 0CF10-M21001_0004_00 Information FIG 5. OUTPUT SHAFT 0CF10-M21001_0005_00 Information FIG 7. LUB.OIL FILTER & PRESS. CONT.V 0CF10-M21001_0007_00 Information FIG 8. SWITCH VALVE & HYDRAULIC OIL P 0CF10-M21001_0008_00 Information FIG 9. TRAWLLING DEVICE(A-1)(PREVIOUS 0CF10-M21001_0009_00 Information