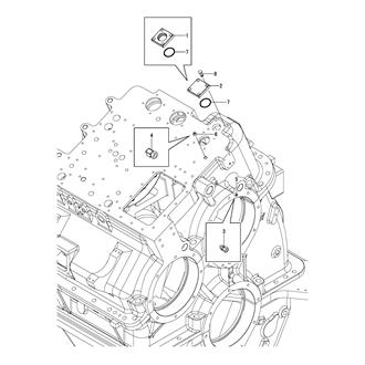
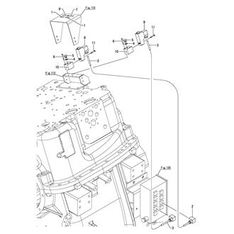
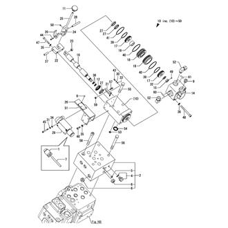
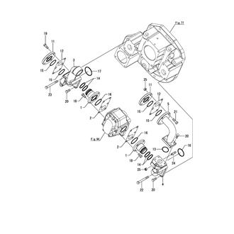
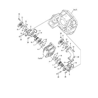
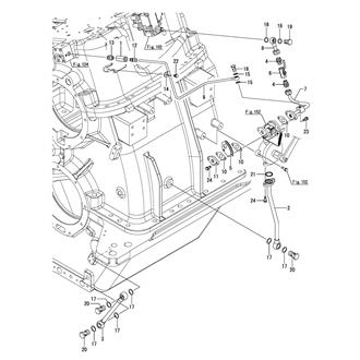
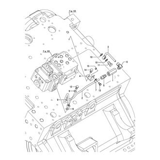
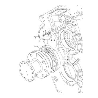
YXH-2000D Large Grid View Table View FIG 100. LUB. OIL COOLER(YXH-2000D) 0CH50-M00040_0100_03 Information FIG 102. LUB. OIL STRAINER 0CH50-M00040_0102_03 Information FIG 103. HYDRAULIC OIL PRESSURE REGULATING VALVE & SAFETY VALVE 0CH50-M00040_0103_03 Information FIG 104. LUB. OIL PRESSURE REGULATING VALVE 0CH50-M00040_0104_03 Information FIG 105. SUCTION STRAINER 0CH50-M00040_0105_03 Information FIG 106. OIL SUPPLY CYLINDER 0CH50-M00040_0106_03 Information FIG 109. LUB. OIL THERMO SWITCH(OPTIONAL) 0CH50-M00040_0109_03 Information FIG 110. LUB. OIL THERMOMETER 0CH50-M00040_0110_03 Information FIG 111. INSTRUMENT PANEL 0CH50-M00040_0111_03 Information FIG 112. INSTRUMENT PANEL(GEISLINGER SPEC.)(OPTIONAL) 0CH50-M00040_0112_03 Information FIG 113. SENSOR STAND 0CH50-M00040_0113_03 Information FIG 114. SENSOR STAND(OPTIONAL) 0CH50-M00040_0114_03 Information FIG 115. LUB. OIL PRESSURE ALARM SWITCH(OPTIONAL) 0CH50-M00040_0115_03 Information FIG 116. LUB. OIL PRESSURE STOP SWITCH(OPTIONAL) 0CH50-M00040_0116_03 Information FIG 117. LUB. OIL INTERLOCK SWITCH(OPTIONAL) 0CH50-M00040_0117_03 Information FIG 118. HYDRAULIC OIL AHEAD/ASTERN SWITCH(OPTIONAL) 0CH50-M00040_0118_03 Information FIG 119. HYDRAULIC OIL ENGAGE/OFF SWITCH(OPTIONAL) 0CH50-M00040_0119_03 Information FIG 120. LUB. OIL PRESSURE TRANSMITTER(OPTIONAL) 0CH50-M00040_0120_03 Information FIG 121. SPARE PUMP STARTUP SWITCH(OPTIONAL) 0CH50-M00040_0121_03 Information FIG 122. HYDRAULIC OIL PRESSURE TRANSMITTER(OPTIONAL) 0CH50-M00040_0122_03 Information FIG 123. RESISTOR(OPTIONAL) 0CH50-M00040_0123_03 Information FIG 124. DECOMPRESSION VALVE(GEISLINGER SPEC.)(OPTIONAL) 0CH50-M00040_0124_03 Information FIG 125. JUNCTION BOX 0CH50-M00040_0125_03 Information FIG 126. HYDRAULIC OIL PIPE(ENGINE-INSTALLED CPP PUMP SPEC.) 0CH50-M00040_0126_03 Information FIG 127. HYDRAULIC OIL PIPE(SEPARATE TYPE CPP PUMP & INPUT SHAFT LEFT ROTATION SPEC.) 0CH50-M00040_0127_03 Information FIG 128. HYDRAULIC OIL PIPE(SEPARATE TYPE CPP PUMP & INPUT SHAFT RIGHT ROTATION SPEC.) 0CH50-M00040_0128_03 Information FIG 129. HYDRAULIC OIL PIPE(AHEAD/ASTERN SWITCH)(OPTIONAL) 0CH50-M00040_0129_03 Information FIG 130. HYDRAULIC OIL PIPE(ENGAGE/OFF SWITCH)(OPTIONAL) 0CH50-M00040_0130_03 Information FIG 131. LUB. OIL PIPE(PRESSURE GAUGE) 0CH50-M00040_0131_03 Information FIG 132. LUB. OIL PIPE(INTERLOCK SWITCH)(OPTIONAL) 0CH50-M00040_0132_03 Information FIG 133. HYDRAULIC OIL PIPE(PRESSURE GAUGE) 0CH50-M00040_0133_03 Information FIG 134. LUB. OIL PIPE(PRESSURE STOP SWITCH)(OPTIONAL) 0CH50-M00040_0134_03 Information FIG 135. HYDRAULIC OIL PIPE(PRESSURE TRANSMITTER)(OPTIONAL) 0CH50-M00040_0135_03 Information FIG 136. LUB. OIL PIPE(PRESSURE TRANSMITTER)(OPTIONAL) 0CH50-M00040_0136_03 Information FIG 137. LUB. OIL PIPE(SPARE PUMP STARTUP SWITCH)(OPTIONAL) 0CH50-M00040_0137_03 Information FIG 138. LUB. OIL PIPE(LUB. OIL COOLER)(YXH-2000D) 0CH50-M00040_0138_03 Information FIG 140. LUB. OIL PIPE(WING PUMP) 0CH50-M00040_0140_03 Information FIG 141. LUB. OIL PIPE(WING PUMP)(GEISLINGER SPEC.)(OPTIONAL) 0CH50-M00040_0141_03 Information FIG 142. LUB. OIL PIPE(HYDRAULIC OIL PUMP DRIVING)(ENGINE-INSTALLED CPP PUMP SPEC.) 0CH50-M00040_0142_03 Information FIG 143. HYDRAULIC OIL PIPE(CPP)(ENGINE-INSTALLED CPP PUMP SPEC.) 0CH50-M00040_0143_03 Information FIG 144. LUB. OIL PIPE(CPP) 0CH50-M00040_0144_03 Information FIG 146. SPARE PUMP PIPE(CPP)(25A PIPING) 0CH50-M00040_0146_03 Information FIG 147. SPARE PUMP PIPE(CPP)(32A PIPING) 0CH50-M00040_0147_03 Information FIG 149. CPP FLANGE(ENGINE-INSTALLED CPP PUMP SPEC.) 0CH50-M00040_0149_03 Information FIG 150. CPP FLANGE(SEPARATE TYPE CPP PUMP SPEC.)(OPTIONAL) 0CH50-M00040_0150_03 Information FIG 152. WING PUMP 0CH50-M00040_0152_03 Information FIG 153. PRESSURE GAUGE PIPE(GEISLINGER SPEC.)(OPTIONAL) 0CH50-M00040_0153_03 Information FIG 154. HYDRAULIC OIL PIPE(GEISLINGER SPEC.)(OPTIONAL) 0CH50-M00040_0154_03 Information FIG 155. LUB. OIL PIPE(GEISLINGER SPEC.)(OPTIONAL) 0CH50-M00040_0155_03 Information FIG 156. PRESS-IN TOOL & TOOL BOX(OPTIONAL) 0CH50-M00040_0156_03 Information FIG 157. HYDRAULIC OIL PUMP(OPTIONAL) 0CH50-M00040_0157_03 Information FIG 73. CLUTCH HOUSING(STANDARD SPEC.) 0CH50-M00040_0073_03 Information FIG 75. CLUTCH HOUSING(GEISLINGER SPEC.)(OPTIONAL) 0CH50-M00040_0075_03 Information FIG 76. CLUTCH HOUSING COVER 0CH50-M00040_0076_03 Information FIG 77. CLUTCH HOUSING REAR COVER(1) 0CH50-M00040_0077_03 Information FIG 78. CLUTCH HOUSING REAR COVER(2) 0CH50-M00040_0078_03 Information FIG 79. OIL SUPPLY CYLINDER MOUNTING 0CH50-M00040_0079_03 Information FIG 80. LUB. OIL DIPSTICK 0CH50-M00040_0080_03 Information FIG 81. LABEL 0CH50-M00040_0081_03 Information FIG 82. INPUT COUPLING(WITHOUT IDLE SHAFT SPEC.) 0CH50-M00040_0082_03 Information FIG 83. INPUT COUPLING(WITH IDLE SHAFT SPEC.)(OPTIONAL) 0CH50-M00040_0083_03 Information FIG 84. INPUT COUPLING(WITH IDLE SHAFT, GEISLINGER SPEC.)(OPTIONAL) 0CH50-M00040_0084_03 Information FIG 85. INPUT SHAFT(YXH-2000D) 0CH50-M00040_0085_03 Information FIG 87. SUPPORT SHAFT(YXH-2000D) 0CH50-M00040_0087_03 Information FIG 89. OUTPUT SHAFT(YXH-2000D) 0CH50-M00040_0089_03 Information FIG 91. OIL SUPPLY CYLINDER CONNECTING SHAFT 0CH50-M00040_0091_03 Information FIG 92. HYDRAULIC OIL PUMP DRIVING SHAFT 0CH50-M00040_0092_03 Information FIG 93. HYDRAULIC OIL PUMP(ENGINE-INSTALLED CPP PUMP SPEC.) 0CH50-M00040_0093_03 Information FIG 94. HYDRAULIC OIL PUMP(SEPARATE TYPE CPP PUMP SPEC.)(OPTIONAL) 0CH50-M00040_0094_03 Information FIG 95. AHEAD/ASTERN CHANGE-OVER VALVE(PNEUMATIC TYPE) 0CH50-M00040_0095_03 Information FIG 96. AHEAD/ASTERN CHANGE-OVER VALVE(ELECTROMAGNETIC TYPE) 0CH50-M00040_0096_03 Information FIG 97. ENGAGE/OFF CHANGE-OVER VALVE(PNEUMATIC TYPE)(OPTIONAL) 0CH50-M00040_0097_03 Information FIG 98. ENGAGE/OFF CHANGE-OVER VALVE(ELECTROMAGNETIC TYPE)(OPTIONAL) 0CH50-M00040_0098_03 Information FIG 99. AHEAD/ASTERN & ENGAGE/OFF CHANGE-OVER VALVE(TWIN ELECTROMAGNETIC TYPE)(OPTIONAL) 0CH50-M00040_0099_03 Information