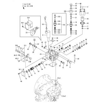
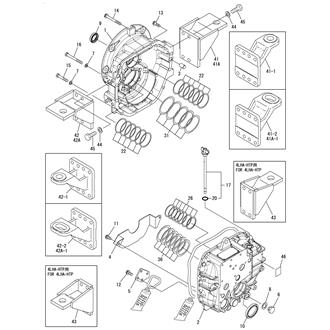
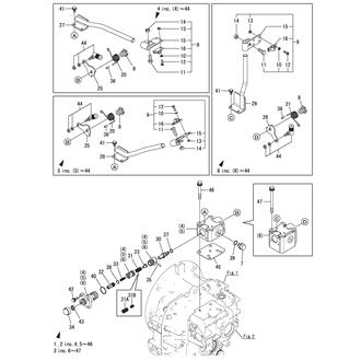
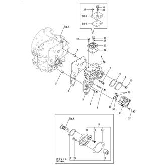
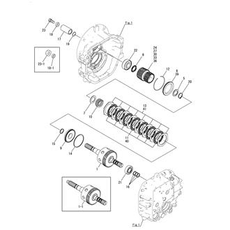
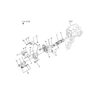
KMH40A Large Grid View Table View FIG 1. CLUTCH HOUSING 0CR10-M63702_0001_00 Information FIG 10. LUB. OIL & HYD. OIL PRESS. REGULATING VALVE 0CR10-M63702_0010_00 Information FIG 11. TROLLING VALVE(A2/OPTIONAL) 0CR10-M63702_0011_00 Information FIG 12. ELECTRIC TROLLING(OPTIONAL) 0CR10-M63702_0012_00 Information FIG 13. SPECIAL TOOLS(OPTIONAL) 0CR10-M63702_0013_00 Information FIG 2. CASE PLATE & HYD. OIL PUMP 0CR10-M63702_0002_00 Information FIG 3. MOUNTING & FLEXIBLE COUPLING 0CR10-M63702_0003_00 Information FIG 4. INPUT SHAFT 0CR10-M63702_0004_00 Information FIG 5. SUPPORT SHAFT 0CR10-M63702_0005_00 Information FIG 6. OUTPUT SHAFT 0CR10-M63702_0006_00 Information FIG 7. SWITCH VALVE 0CR10-M63702_0007_00 Information FIG 8. SWITCH VALVE(ELECTRIC/OPTIONAL) 0CR10-M63702_0008_00 Information FIG 9. LUB. OIL COOLER(OPTIONAL) 0CR10-M63702_0009_00 Information