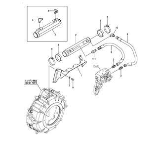
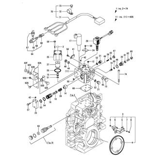
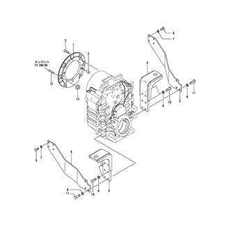
KMH52V Large Grid View Table View FIG 1. CLUTCH HOUSING 0CR10-M74102_0001_01 Information FIG 10. PRESSURE REGULATING VALVE(LUB. OIL) & PRESSURE REGULATING VALVE(HYD. OIL) 0CR10-M74102_0010_01 Information FIG 11. TROLLING VALVE(A2/OPTIONAL) 0CR10-M74102_0011_01 Information FIG 12. ELECTRONIC TROLLING(TYPE-E/OPTIONAL) 0CR10-M74102_0012_01 Information FIG 13. ELECTRONIC TROLLING(TYPE-C/OPTIONAL) 0CR10-M74102_0013_01 Information FIG 14. (3A)MOUNTING(KMH52V) 0CR10-M74102_0014_01 Information FIG 15. (9A)LUB. OIL COOLER(KMH52V) 0CR10-M74102_0015_01 Information FIG 2. CASE PLATE & HYD.OIL PUMP 0CR10-M74102_0002_01 Information FIG 4. INPUT SHAFT 0CR10-M74102_0004_01 Information FIG 5. SUPPORT SHAFT 0CR10-M74102_0005_01 Information FIG 6. OUTPUT SHAFT 0CR10-M74102_0006_01 Information FIG 7. SWITCH VALVE 0CR10-M74102_0007_01 Information FIG 8. SWITCH VALVE(ELECTRIC) 0CR10-M74102_0008_01 Information