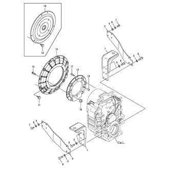
KMH50V-1 Large Grid View Table View FIG 1. CLUTCH HOUSING 0CR10-M74102_0001_02 Information FIG 10. PRESSURE REGULATING VALVE(LUB. OIL) & PRESSURE REGULATING VALVE(HYD. OIL) 0CR10-M74102_0010_02 Information FIG 11. TROLLING VALVE(A2/OPTIONAL) 0CR10-M74102_0011_02 Information FIG 16. (3B)MOUNTING(KMH50V-1) 0CR10-M74102_0016_02 Information FIG 19. (9B)LUB. OIL COOLER(KMH50V-1,-3) 0CR10-M74102_0019_02 Information FIG 2. CASE PLATE & HYD.OIL PUMP 0CR10-M74102_0002_02 Information FIG 4. INPUT SHAFT 0CR10-M74102_0004_02 Information FIG 5. SUPPORT SHAFT 0CR10-M74102_0005_02 Information FIG 6. OUTPUT SHAFT 0CR10-M74102_0006_02 Information FIG 7. SWITCH VALVE 0CR10-M74102_0007_02 Information FIG 8. SWITCH VALVE(ELECTRIC) 0CR10-M74102_0008_02 Information