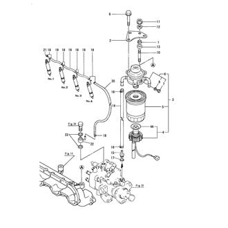
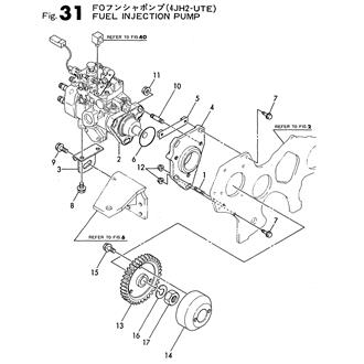
4JH2-UTE(B) Large Grid View Table View FIG 1. CYLINDER BLOCK 0CR10-M35102_0001_04 Information FIG 11. SUCTION MANIFOLD(4JH2-HTE,DTE,UTE) 0CR10-M35102_0011_04 Information FIG 12. CAMSHAFT & DRIVING GEAR 0CR10-M35102_0012_04 Information FIG 13. MIXING ELBOW 0CR10-M35102_0013_04 Information FIG 14. TURBINE 0CR10-M35102_0014_04 Information FIG 16. INTER COOLER(4JH2-DTE,UTE) 0CR10-M35102_0016_04 Information FIG 17. CRANKSHAFT & FLYWHEEL 0CR10-M35102_0017_04 Information FIG 18. PISTON & CONNECTING ROD 0CR10-M35102_0018_04 Information FIG 19. LUB.OIL COOLER 0CR10-M35102_0019_04 Information FIG 2. GEAR HOUSING 0CR10-M35102_0002_04 Information FIG 20. LUB. OIL SYSTEM 0CR10-M35102_0020_04 Information FIG 21. LUB. OIL PIPE 0CR10-M35102_0021_04 Information FIG 22. COOLING SEA WATER PUMP 0CR10-M35102_0022_04 Information FIG 23. COOLING FRESH WATER PUMP 0CR10-M35102_0023_04 Information FIG 24. COOLING FRESH WATER COOLER 0CR10-M35102_0024_04 Information FIG 25. COOLING SEA WATER PIPE(4JH2-HTE,DTE,UTE) 0CR10-M35102_0025_04 Information FIG 28. COOLING FRESH WATER PIPE 0CR10-M35102_0028_04 Information FIG 3. FLYWHEEL HOUSING 0CR10-M35102_0003_04 Information FIG 31. FUEL INJECTION PUMP(4JH2-UTE) 0CR10-M35102_0031_04 Information FIG 33. FUEL INJECTION PIPE(4JH2-UTE) 0CR10-M35102_0033_04 Information FIG 36. FUEL PIPE(4JH2-UTE) 0CR10-M35102_0036_04 Information FIG 4. LUB. OIL SUMP 0CR10-M35102_0004_04 Information FIG 40. SPEED REMOTE CONTROL DEVICE 0CR10-M35102_0040_04 Information FIG 41. STARTING MOTOR 0CR10-M35102_0041_04 Information FIG 42. GENERATOR 0CR10-M35102_0042_04 Information FIG 44. WIRE HARNESS & SENSOR(4JH2-UTE) 0CR10-M35102_0044_04 Information FIG 45. TOOL 0CR10-M35102_0045_04 Information FIG 46. SPARE PART 0CR10-M35102_0046_04 Information FIG 47. GENERATOR 0CR10-M35102_0047_04 Information FIG 48. MIXING ELBOW 0CR10-M35102_0048_04 Information FIG 49. ELECTRIC BILGE PUMP(12V) 0CR10-M35102_0049_04 Information FIG 5. LABEL 0CR10-M35102_0005_04 Information FIG 50. SEA WATER FILTER 0CR10-M35102_0050_04 Information FIG 51. FUEL TANK 0CR10-M35102_0051_04 Information FIG 53. WIRE HARNESS & SENSOR(B-2 TYPE) 0CR10-M35102_0053_04 Information FIG 54. WIRE HARNESS & SENSOR(C,D,E TYPE) 0CR10-M35102_0054_04 Information FIG 55. COUPLING 0CR10-M35102_0055_04 Information FIG 56. SINGLE LEVER CONTROL 0CR10-M35102_0056_04 Information FIG 57. INSTRUMENT PANEL(B-2 TYPE) 0CR10-M35102_0057_04 Information FIG 58. INSTRUMENT PANEL(C-TYPE) 0CR10-M35102_0058_04 Information FIG 59. INSTRUMENT PANEL(D-TYPE) 0CR10-M35102_0059_04 Information FIG 6. MOUNTING FOOT 0CR10-M35102_0006_04 Information FIG 60. INSTRUMENT PANEL(E-TYPE) 0CR10-M35102_0060_04 Information FIG 61. REPAIR SET 0CR10-M35102_0061_04 Information FIG 62. GASKET SET 0CR10-M35102_0062_04 Information FIG 63. REEQUIP MENT KIT 0CR10-M35102_0063_04 Information FIG 64. CLUTCH ASSY(KM4A) 0CR10-M35102_0064_04 Information FIG 7. CYLINDER HEAD 0CR10-M35102_0007_04 Information FIG 8. BONNET & BREATHER 0CR10-M35102_0008_04 Information FIG 93. (57A)INSTRUMENT PANEL(B-TYPE,NEW) 0CR10-M35102_0093_04 Information FIG 94. (58A)INSTRUMENT PANEL(C-TYPE,NEW) 0CR10-M35102_0094_04 Information FIG 95. (59A)INSTRUMENT PANEL(D-TYPE,NEW) 0CR10-M35102_0095_04 Information