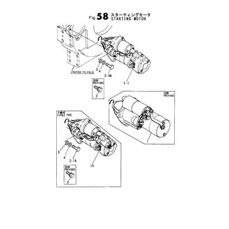
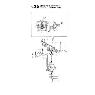
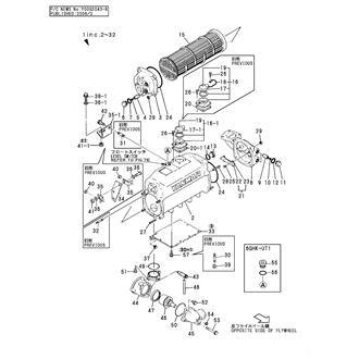
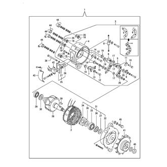
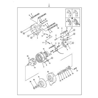
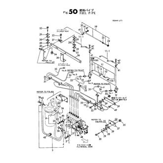
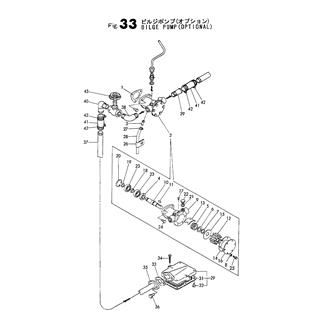
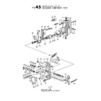
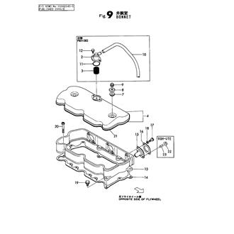
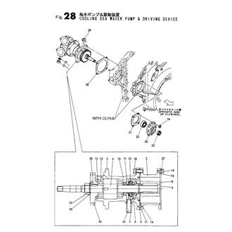
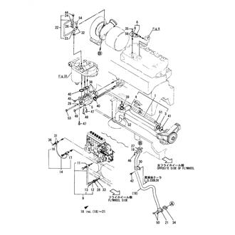
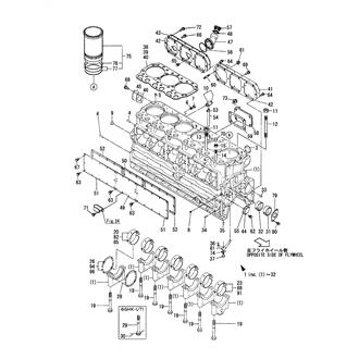
6GHK-UT1 Large Grid View Table View FIG 1. CYLINDER BLOCK 0CG10-M20403_0001_01 Information FIG 10. SUC.MANIFOLD & AIR CONNECTING 0CG10-M20403_0010_01 Information FIG 11. EXH.MANIFOLD 0CG10-M20403_0011_01 Information FIG 13. CAMSHAFT & IDLE GEAR 0CG10-M20403_0013_01 Information FIG 14. TURBOCHARGER & EXH.PIPE 0CG10-M20403_0014_01 Information FIG 15. TURBOCHARGER COMPONENT PART 0CG10-M20403_0015_01 Information FIG 16. AIR COOLER 0CG10-M20403_0016_01 Information FIG 17. CRANKSHAFT & FLYWHEEL 0CG10-M20403_0017_01 Information FIG 19. PISTON & CONNECTING ROD 0CG10-M20403_0019_01 Information FIG 2. GEAR HOUSING 0CG10-M20403_0002_01 Information FIG 20. LUB.OIL PUMP & SUCTION PIPE 0CG10-M20403_0020_01 Information FIG 21. LUB.OIL COOLER & THERMOSTAT 0CG10-M20403_0021_01 Information FIG 22. LUB.OIL PRESS.REGULATING VALVE 0CG10-M20403_0022_01 Information FIG 23. LUB.OIL STRAINER 0CG10-M20403_0023_01 Information FIG 25. LUB.OIL PIPE 0CG10-M20403_0025_01 Information FIG 26. LUB.OIL PRIMING PUMP 0CG10-M20403_0026_01 Information FIG 27. LUB.OIL PRESS PIPE&DRAIN PIPE 0CG10-M20403_0027_01 Information FIG 28. C.S.W PUMP & DRIVING DEVICE 0CG10-M20403_0028_01 Information FIG 3. FLYWHEEL HOUSING 0CG10-M20403_0003_01 Information FIG 30. C.F.W. PUMP 0CG10-M20403_0030_01 Information FIG 31. C.F.W.COOLER & THERMOSTAT 0CG10-M20403_0031_01 Information FIG 32. ELECTRIC BILGE PUMP(24V)&SUB-T 0CG10-M20403_0032_01 Information FIG 33. BILGE PUMP(OPTIONAL) 0CG10-M20403_0033_01 Information FIG 35. C.F.W.CONNECTING PIPE(OPTIONAL 0CG10-M20403_0035_01 Information FIG 37. C.S.W.PIPE 0CG10-M20403_0037_01 Information FIG 39. COOLING PIPE(FRESH WATER) 0CG10-M20403_0039_01 Information FIG 4. LUB.OIL SUMP 0CG10-M20403_0004_01 Information FIG 42. FUEL INJECTION PUMP 0CG10-M20403_0042_01 Information FIG 43. F.I.PUMP COMPONENT PART 0CG10-M20403_0043_01 Information FIG 44. FUEL FEED PUMP COMPONENT PART 0CG10-M20403_0044_01 Information FIG 45. GOVERNOR COMPONENT PART 0CG10-M20403_0045_01 Information FIG 46. JOINT & TIMER COMPONENT PART 0CG10-M20403_0046_01 Information FIG 47. FUEL INJECTION VALVE 0CG10-M20403_0047_01 Information FIG 48. F.I.DRIVING DEVICE & BRACKET 0CG10-M20403_0048_01 Information FIG 49. FUEL FILTER & WATER SEPARATOR 0CG10-M20403_0049_01 Information FIG 5. ENGINE BRACKET 0CG10-M20403_0005_01 Information FIG 50. FUEL PIPE 0CG10-M20403_0050_01 Information FIG 52. ENGINE OPERAING DVICE 0CG10-M20403_0052_01 Information FIG 53. FUEL CUT 0CG10-M20403_0053_01 Information FIG 54. ENGINE STOP DEVICE 0CG10-M20403_0054_01 Information FIG 56. REMOTE CONTROL HEAD 0CG10-M20403_0056_01 Information FIG 57. REMOTE CONTROL(OPTIONAL) 0CG10-M20403_0057_01 Information FIG 58. STARTING MOTOR 0CG10-M20403_0058_01 Information FIG 59. STARTING MOTOR COMPONENT PART(2 POLE TYPE) 0CG10-M20403_0059_01 Information FIG 6. BREATHER 0CG10-M20403_0006_01 Information FIG 62. GENERATOR 0CG10-M20403_0062_01 Information FIG 63. GENERATOR COMPONENT PART 0CG10-M20403_0063_01 Information FIG 64. GENERATOR COMPONENT PART(OPTIO 0CG10-M20403_0064_01 Information FIG 65. GENERATOR DRIVING DEVICE 0CG10-M20403_0065_01 Information FIG 68. LUB.OIL PRIMING(OPTIONAL) 0CG10-M20403_0068_01 Information FIG 69. LIMIT SWITCH(OPTIONAL) 0CG10-M20403_0069_01 Information FIG 7. LABEL 0CG10-M20403_0007_01 Information FIG 71. CLUTCH LIMIT SWITCH(OPTIONAL) 0CG10-M20403_0071_01 Information FIG 73. THERMOMETER 0CG10-M20403_0073_01 Information FIG 75. WIRE HARNESS & BATTERY SWITCH 0CG10-M20403_0075_01 Information FIG 76. GAUGE ATTACHMENT(2-POLE TYPE) 0CG10-M20403_0076_01 Information FIG 77. INSTRUMENT PANEL 0CG10-M20403_0077_01 Information FIG 78. PULSE GENERATER(OPTIONAL) 0CG10-M20403_0078_01 Information FIG 8. CYL.HEAD & VALVE ROCKER ARM 0CG10-M20403_0008_01 Information FIG 80. SPARE PARTS & ACCESSORY 0CG10-M20403_0080_01 Information FIG 81. TOOL 0CG10-M20403_0081_01 Information FIG 82. SILENSER&EXPANSION JOINT(OPTIO 0CG10-M20403_0082_01 Information FIG 83. KINGSTON COCK&SEA WATER STRAIN 0CG10-M20403_0083_01 Information FIG 84. CLUTCH 0CG10-M20403_0084_01 Information FIG 85. (15A)EXHAUST BEND HISTORY 0CG10-M20403_0085_01 Information FIG 9. BONNET 0CG10-M20403_0009_01 Information