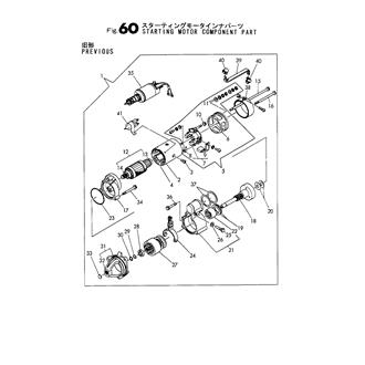
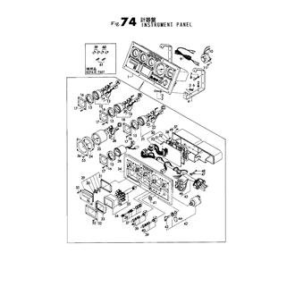
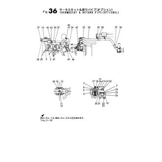
6GHM-UTE Large Grid View Table View FIG 1. CYLINDER BLOCK 0CG10-M20403_0001_03 Information FIG 10. SUC.MANIFOLD & AIR CONNECTING 0CG10-M20403_0010_03 Information FIG 11. EXH.MANIFOLD 0CG10-M20403_0011_03 Information FIG 13. CAMSHAFT & IDLE GEAR 0CG10-M20403_0013_03 Information FIG 14. TURBOCHARGER & EXH.PIPE 0CG10-M20403_0014_03 Information FIG 15. TURBOCHARGER COMPONENT PART 0CG10-M20403_0015_03 Information FIG 16. AIR COOLER 0CG10-M20403_0016_03 Information FIG 17. CRANKSHAFT & FLYWHEEL 0CG10-M20403_0017_03 Information FIG 19. PISTON & CONNECTING ROD 0CG10-M20403_0019_03 Information FIG 2. GEAR HOUSING 0CG10-M20403_0002_03 Information FIG 20. LUB.OIL PUMP & SUCTION PIPE 0CG10-M20403_0020_03 Information FIG 21. LUB.OIL COOLER & THERMOSTAT 0CG10-M20403_0021_03 Information FIG 22. LUB.OIL PRESS.REGULATING VALVE 0CG10-M20403_0022_03 Information FIG 23. LUB.OIL STRAINER 0CG10-M20403_0023_03 Information FIG 24. LUB.OIL PIPE 0CG10-M20403_0024_03 Information FIG 28. C.S.W PUMP & DRIVING DEVICE 0CG10-M20403_0028_03 Information FIG 3. FLYWHEEL HOUSING 0CG10-M20403_0003_03 Information FIG 30. C.F.W. PUMP 0CG10-M20403_0030_03 Information FIG 31. C.F.W.COOLER & THERMOSTAT 0CG10-M20403_0031_03 Information FIG 32. ELECTRIC BILGE PUMP(24V)&SUB-T 0CG10-M20403_0032_03 Information FIG 35. C.F.W.CONNECTING PIPE(OPTIONAL 0CG10-M20403_0035_03 Information FIG 36. THERMOSTAT&RETURN PIPE(OPTIONA 0CG10-M20403_0036_03 Information FIG 37. C.S.W.PIPE 0CG10-M20403_0037_03 Information FIG 39. COOLING PIPE(FRESH WATER) 0CG10-M20403_0039_03 Information FIG 4. LUB.OIL SUMP 0CG10-M20403_0004_03 Information FIG 42. FUEL INJECTION PUMP 0CG10-M20403_0042_03 Information FIG 43. F.I.PUMP COMPONENT PART 0CG10-M20403_0043_03 Information FIG 44. FUEL FEED PUMP COMPONENT PART 0CG10-M20403_0044_03 Information FIG 45. GOVERNOR COMPONENT PART 0CG10-M20403_0045_03 Information FIG 46. JOINT & TIMER COMPONENT PART 0CG10-M20403_0046_03 Information FIG 47. FUEL INJECTION VALVE 0CG10-M20403_0047_03 Information FIG 48. F.I.DRIVING DEVICE & BRACKET 0CG10-M20403_0048_03 Information FIG 49. FUEL FILTER & WATER SEPARATOR 0CG10-M20403_0049_03 Information FIG 5. ENGINE BRACKET 0CG10-M20403_0005_03 Information FIG 51. FUEL PIPE 0CG10-M20403_0051_03 Information FIG 54. ENGINE STOP DEVICE 0CG10-M20403_0054_03 Information FIG 56. REMOTE CONTROL HEAD 0CG10-M20403_0056_03 Information FIG 58. STARTING MOTOR 0CG10-M20403_0058_03 Information FIG 6. BREATHER 0CG10-M20403_0006_03 Information FIG 60. STARTING MOTOR COMPONENT PART 0CG10-M20403_0060_03 Information FIG 61. STARTING MOTOR COMPONENT PART 0CG10-M20403_0061_03 Information FIG 62. GENERATOR 0CG10-M20403_0062_03 Information FIG 63. GENERATOR COMPONENT PART 0CG10-M20403_0063_03 Information FIG 64. GENERATOR COMPONENT PART(OPTIO 0CG10-M20403_0064_03 Information FIG 65. GENERATOR DRIVING DEVICE 0CG10-M20403_0065_03 Information FIG 67. THERMOSTAT(OPTIONAL) 0CG10-M20403_0067_03 Information FIG 7. LABEL 0CG10-M20403_0007_03 Information FIG 74. INSTRUMENT PANEL 0CG10-M20403_0074_03 Information FIG 75. WIRE HARNESS & BATTERY SWITCH 0CG10-M20403_0075_03 Information FIG 8. CYL.HEAD & VALVE ROCKER ARM 0CG10-M20403_0008_03 Information FIG 80. SPARE PARTS & ACCESSORY 0CG10-M20403_0080_03 Information FIG 81. TOOL 0CG10-M20403_0081_03 Information FIG 83. KINGSTON COCK&SEA WATER STRAIN 0CG10-M20403_0083_03 Information FIG 85. (15A)EXHAUST BEND HISTORY 0CG10-M20403_0085_03 Information FIG 9. BONNET 0CG10-M20403_0009_03 Information