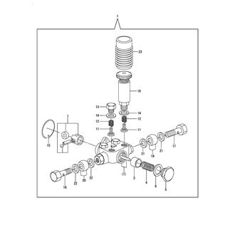
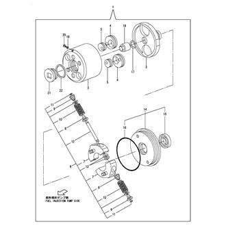
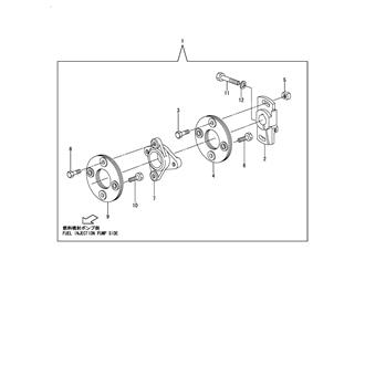
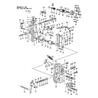
6HA2M-HTE Large Grid View Table View FIG 1. CYLINDER BLOCK 0CR10-M46402_0001_01 Information FIG 10. BONNET(6HA2M-HTE) 0CR10-M46402_0010_01 Information FIG 11. SUCTION MANIFOLD 0CR10-M46402_0011_01 Information FIG 12. EXHAUST MANIFOLD 0CR10-M46402_0012_01 Information FIG 13. EXHAUST BEND 0CR10-M46402_0013_01 Information FIG 14. EXPANSION JOINT 0CR10-M46402_0014_01 Information FIG 15. CAMSHAFT & IDLE GEAR 0CR10-M46402_0015_01 Information FIG 16. TURBOCHARGER(TD08H-30V) 0CR10-M46402_0016_01 Information FIG 17. AIR COOLER & SUC.CONNECT PIPE 0CR10-M46402_0017_01 Information FIG 18. CRANKSHAFT & FLYWHEEL 0CR10-M46402_0018_01 Information FIG 19. PISTON & CONNECTING ROD 0CR10-M46402_0019_01 Information FIG 2. GEAR HOUSING 0CR10-M46402_0002_01 Information FIG 20. LUB.OIL PUMP & WASTE OIL PUMP 0CR10-M46402_0020_01 Information FIG 21. LUB.OIL COOLER 0CR10-M46402_0021_01 Information FIG 22. LUB.OIL STRAINER(W/O COCK/EARTH TYPE) 0CR10-M46402_0022_01 Information FIG 23. LUB.OIL PRESSURE REGULATING VALVE & PIPE 0CR10-M46402_0023_01 Information FIG 24. COOLING SEA WATER PUMP 0CR10-M46402_0024_01 Information FIG 25. COOLING FRESH WATER PUMP 0CR10-M46402_0025_01 Information FIG 26. COOLER(FRESH WATER) 0CR10-M46402_0026_01 Information FIG 27. SUB-TANK 0CR10-M46402_0027_01 Information FIG 28. BILGE PUMP(OPTIONAL) 0CR10-M46402_0028_01 Information FIG 29. KINGSTON COCK & KINGSTON VALVE 0CR10-M46402_0029_01 Information FIG 3. LUB.OIL SUMP & DIPSTICK 0CR10-M46402_0003_01 Information FIG 30. COOLING FRESH WATER PIPE(PUMP-CYLINDER) 0CR10-M46402_0030_01 Information FIG 31. COOLING FRESH WATER PIPE(HEAD 0CR10-M46402_0031_01 Information FIG 32. COOLING SEA WATER OUTLET PIPE(W/O PUMP) 0CR10-M46402_0032_01 Information FIG 33. COOLING SEA WATER PIPE 0CR10-M46402_0033_01 Information FIG 34. FUEL INJECTION PUMP & DRIVING DEVICE 0CR10-M46402_0034_01 Information FIG 4. FLYWHEEL HOUSING & ENGINE LIFTER 0CR10-M46402_0004_01 Information FIG 40. FUEL INJECTION VALVE 0CR10-M46402_0040_01 Information FIG 41. FUEL FILTER 0CR10-M46402_0041_01 Information FIG 42. OIL/WATER SEPARATOR 0CR10-M46402_0042_01 Information FIG 43. FUEL INJECTION PIPE 0CR10-M46402_0043_01 Information FIG 44. FUEL PIPE(INLET & OVERFLOW) 0CR10-M46402_0044_01 Information FIG 45. FUEL RETURN PIPE 0CR10-M46402_0045_01 Information FIG 46. ENGINE STOP DEVICE 0CR10-M46402_0046_01 Information FIG 47. CABLE SUPPORT & REMOTE CONTROL HEAD 0CR10-M46402_0047_01 Information FIG 48. BATTERY SWITCH 0CR10-M46402_0048_01 Information FIG 49. STARTER MOTOR(EARTH TYPE) 0CR10-M46402_0049_01 Information FIG 5. BREATHER 0CR10-M46402_0005_01 Information FIG 50. STARTER MOTOR(EARTH FLOAT TYPE) 0CR10-M46402_0050_01 Information FIG 51. GENERATOR & DRIVING DEVICE(0.6kW) 0CR10-M46402_0051_01 Information FIG 52. GENERATOR COMPONENT PARTS(0.6kW) 0CR10-M46402_0052_01 Information FIG 53. WIRE HARNESS 0CR10-M46402_0053_01 Information FIG 54. INSTRUMENT PANEL 0CR10-M46402_0054_01 Information FIG 55. SENSOR(EARTH TYPE) 0CR10-M46402_0055_01 Information FIG 56. SENSOR(EARTH FLOAT TYPE) 0CR10-M46402_0056_01 Information FIG 57. TOOL 0CR10-M46402_0057_01 Information FIG 58. CLUTCH(OPTIONAL) 0CR10-M46402_0058_01 Information FIG 59. GASKET SET 0CR10-M46402_0059_01 Information FIG 6. LABEL 0CR10-M46402_0006_01 Information FIG 61. (35B)F.I.PUMP COMPONENT PARTS 0CR10-M46402_0061_01 Information FIG 62. (36A)FUEL FEED PUMP COMPONENT PARTS 0CR10-M46402_0062_01 Information FIG 63. (37A)COUPLING COMPONENT PARTS 0CR10-M46402_0063_01 Information FIG 65. (38B)TIMER COMPONENT PARTS 0CR10-M46402_0065_01 Information FIG 67. (39B)GOVERNOR COMPONENT PARTS 0CR10-M46402_0067_01 Information FIG 68. (6A)ENGINE BED 0CR10-M46402_0068_01 Information FIG 69. (6B)FOOT LINER 0CR10-M46402_0069_01 Information FIG 7. CYLINDER HEAD 0CR10-M46402_0007_01 Information FIG 70. (22A)LUB.OIL STRAINER(W/O COCK/EARTH FLOAT TYPE) 0CR10-M46402_0070_01 Information FIG 71. (22B)LUB.OIL STRAINER(W/COCK/EARTH TYPE) 0CR10-M46402_0071_01 Information FIG 72. (22C)LUB.OIL STRAINER(W/COCK/EARTH FLOAT TYPE) 0CR10-M46402_0072_01 Information FIG 73. (28A)BILGE PUMP(OPTIONAL) 0CR10-M46402_0073_01 Information FIG 74. (29A)SEA WATER STRAINER 0CR10-M46402_0074_01 Information FIG 75. (33A)COOLING SEA WATER PIPE(CLUTCH) 0CR10-M46402_0075_01 Information FIG 76. (41A)FUEL STRAINER 0CR10-M46402_0076_01 Information FIG 77. (42A)OIL/WATER SEPARATOR 0CR10-M46402_0077_01 Information FIG 78. (43A)FUEL INJECTION PIPE(DOUBLE PIPE) 0CR10-M46402_0078_01 Information FIG 79. (45A)FUEL RETURN PIPE(DOUBLE PIPE) 0CR10-M46402_0079_01 Information FIG 8. SUC./EXH. VALVE ROCKER ARM 0CR10-M46402_0008_01 Information FIG 80. (49A)STARTER MOTOR INNER PARTS(EARTH TYPE) 0CR10-M46402_0080_01 Information FIG 81. (50A)STARTER MOTOR INNER PARTS(EARTH FLOAT TYPE) 0CR10-M46402_0081_01 Information FIG 82. (51A)GENERATOR & DRIVING DEVICE(1kW) 0CR10-M46402_0082_01 Information FIG 83. (52A)GENERATOR COMPONENT PARTS(1kW) 0CR10-M46402_0083_01 Information FIG 84. (54A)INSTRUMENT PANEL 0CR10-M46402_0084_01 Information FIG 85. (54B)SUB-PANEL 0CR10-M46402_0085_01 Information FIG 86. (54C)SUB-PANEL(OPTIONAL) 0CR10-M46402_0086_01 Information FIG 87. (56A)THERMOMETER(OPTIONAL) 0CR10-M46402_0087_01 Information FIG 88. (57A)TOOL(OPTIONAL) 0CR10-M46402_0088_01 Information FIG 89. (57B)SPECIAL TOOL(OPTIONAL) 0CR10-M46402_0089_01 Information FIG 90. (58A)MOUNTING FOOT(CLUTCH) 0CR10-M46402_0090_01 Information FIG 91. (58B)CLUTCH CABLE SUPPORT 0CR10-M46402_0091_01 Information FIG 92. (58C)FRONT P.T.O. 0CR10-M46402_0092_01 Information