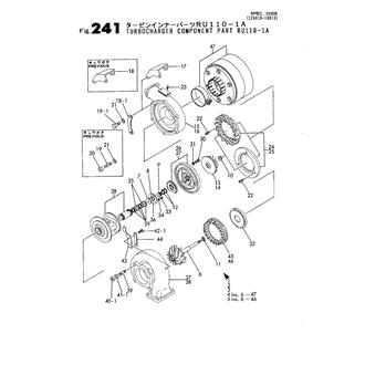
126616-18020 Large Grid View Table View FIG 241. TURBOCHARGER COMPONENT PART 0CG10-M20702_0241_01 Information