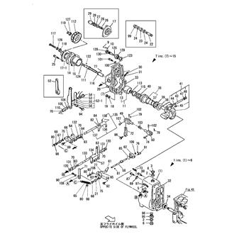
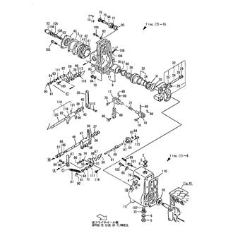
6KHK-ST Large Grid View Table View FIG 1. CYLINDER BLOCK 0CG10-M21302_0001_01 Information FIG 10. SUC./EXH.ROCKER ARM & BONNET 0CG10-M21302_0010_01 Information FIG 12. SUCTION MANIFOLD & AIR DUCT 0CG10-M21302_0012_01 Information FIG 13. EXHAUST MANIFOLD 0CG10-M21302_0013_01 Information FIG 15. TURBINE(TD10) 0CG10-M21302_0015_01 Information FIG 16. EXHAUST PIPE & THERMOMETER 0CG10-M21302_0016_01 Information FIG 17. EXHAUST PIPE & EXPANSION JOINT(OPTIONAL) 0CG10-M21302_0017_01 Information FIG 18. PISTON & CONNECTING ROD 0CG10-M21302_0018_01 Information FIG 19. DAMPER 0CG10-M21302_0019_01 Information FIG 2. FLYWHEEL HOUSING 0CG10-M21302_0002_01 Information FIG 20. LUB. OIL PUMP 0CG10-M21302_0020_01 Information FIG 21. LUB. OIL WING PUMP(OPTIONAL) 0CG10-M21302_0021_01 Information FIG 22. LUB. OIL COOLER 0CG10-M21302_0022_01 Information FIG 23. LUB.OIL PRESS.REGULATING VALVE 0CG10-M21302_0023_01 Information FIG 24. LUB.OIL PIPE(TURBO) 0CG10-M21302_0024_01 Information FIG 25. LUB.OIL PIPE(TURBO)(SMALL JG) 0CG10-M21302_0025_01 Information FIG 26. LUB.OIL PRESSURE GAUGE PIPE 0CG10-M21302_0026_01 Information FIG 27. LUB.OIL PIPE(FUEL INJECTION PUMP) 0CG10-M21302_0027_01 Information FIG 28. LUB.OIL PIPE(RHD GOVERNOR)(OPTIONAL) 0CG10-M21302_0028_01 Information FIG 3. GEAR HOUSING 0CG10-M21302_0003_01 Information FIG 31. COOLING FRESH WATER PUMP 0CG10-M21302_0031_01 Information FIG 32. COOLING FRESH WATER COOLER & SUB-TANK 0CG10-M21302_0032_01 Information FIG 35. BILGE PUMP & PIPE(OPTIONAL) 0CG10-M21302_0035_01 Information FIG 36. ELECTRIC BILGE PUMP(24V)(PREVIOUS) 0CG10-M21302_0036_01 Information FIG 37. ELECTRIC BILGE PUMP(STD) 0CG10-M21302_0037_01 Information FIG 38. COOLING FRESH WATER PIPE 0CG10-M21302_0038_01 Information FIG 39. COOLING SEA WATER PIPE & KINGSTON COCK 0CG10-M21302_0039_01 Information FIG 4. ENGINE BRACKET & ENGINE LIFTER 0CG10-M21302_0004_01 Information FIG 40. COOLING SEA WATER PIPE(PUMP-COOLER) 0CG10-M21302_0040_01 Information FIG 41. COOLING SEA WATER PIPE(COOLER-CIRCULATING) 0CG10-M21302_0041_01 Information FIG 43. FUEL INJECTION PUMP 0CG10-M21302_0043_01 Information FIG 44. FUEL INJECTION VALVE 0CG10-M21302_0044_01 Information FIG 45. F.I.PUMP DRIVING DEVICE 0CG10-M21302_0045_01 Information FIG 46. FLEXIBLE JOINT & TIMER 0CG10-M21302_0046_01 Information FIG 47. OIL/WATER SEPARATOR(OPTIONAL) 0CG10-M21302_0047_01 Information FIG 48. FUEL FEED PUMP 0CG10-M21302_0048_01 Information FIG 49. FUEL FILTER 0CG10-M21302_0049_01 Information FIG 5. L.O. SUMP,DIPSTICK & WASTE OIL 0CG10-M21302_0005_01 Information FIG 51. FUEL INJECTION PIPE 0CG10-M21302_0051_01 Information FIG 52. FUEL PIPE 0CG10-M21302_0052_01 Information FIG 53. FUEL PIPE(SMALL JG)(OPTIONAL) 0CG10-M21302_0053_01 Information FIG 54. FUEL PIPE(OVERFLOW) 0CG10-M21302_0054_01 Information FIG 56. GOVERNOR(MECHANICAL TYPE)(6KHK-ST) 0CG10-M21302_0056_01 Information FIG 6. CAMSHAFT,CRANKSHAFT & FLYWHEEL 0CG10-M21302_0006_01 Information FIG 60. GOVERNOR(MECHANICAL TYPE)(JG) 0CG10-M21302_0060_01 Information FIG 61. GOVERNOR(HYD.OIL PRESS.TYPE)(OPTIONAL) 0CG10-M21302_0061_01 Information FIG 62. FUEL CUT-OFF(MECHANICAL TYPE GOVERNOR(OPTIONAL) 0CG10-M21302_0062_01 Information FIG 63. BOOST COMPENSATER 0CG10-M21302_0063_01 Information FIG 64. ENGINE STOP 0CG10-M21302_0064_01 Information FIG 65. REMOTE CONTROL DEVICE 0CG10-M21302_0065_01 Information FIG 66. STARTING MOTOR & BATTERY SWITCH 0CG10-M21302_0066_01 Information FIG 68. GENERATOR & DRIVING DEVICE 0CG10-M21302_0068_01 Information FIG 69. INSTRUMENT PANEL(PREVIOUS) 0CG10-M21302_0069_01 Information FIG 7. BREATHER 0CG10-M21302_0007_01 Information FIG 70. INSTRUMENT PANEL(NEW) 0CG10-M21302_0070_01 Information FIG 71. INSTRUMENT PANEL & ACCESSORY 0CG10-M21302_0071_01 Information FIG 74. WIRE HARNESS 0CG10-M21302_0074_01 Information FIG 75. SENSOR(PREVIOUS)(OPTIONAL) 0CG10-M21302_0075_01 Information FIG 76. SENSOR(NEW)(OPTIONAL) 0CG10-M21302_0076_01 Information FIG 77. TOOL 0CG10-M21302_0077_01 Information FIG 78. SPECIAL TOOL(OPTIONAL) 0CG10-M21302_0078_01 Information FIG 79. FRONT CLUTCH(OPTIONAL) 0CG10-M21302_0079_01 Information FIG 8. LABEL 0CG10-M21302_0008_01 Information FIG 80. CLUTCH 0CG10-M21302_0080_01 Information FIG 83. SAFETY LABEL 0CG10-M21302_0083_01 Information FIG 9. CYLINDER HEAD 0CG10-M21302_0009_01 Information