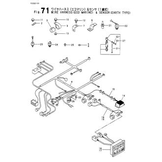
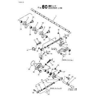
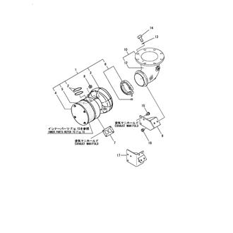
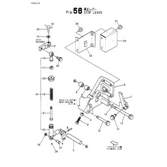
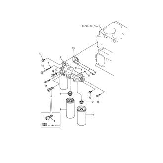
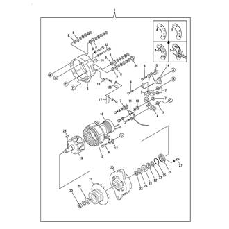
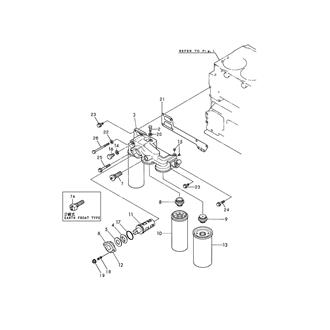
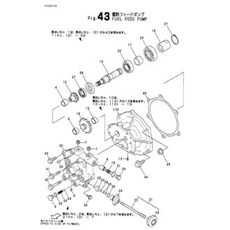
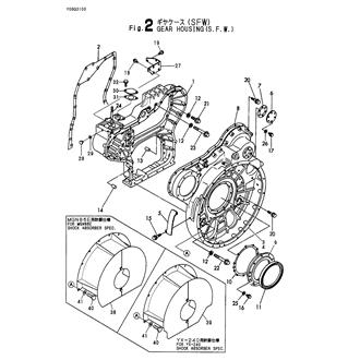
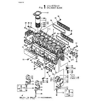
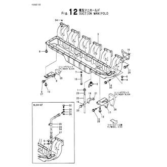
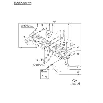
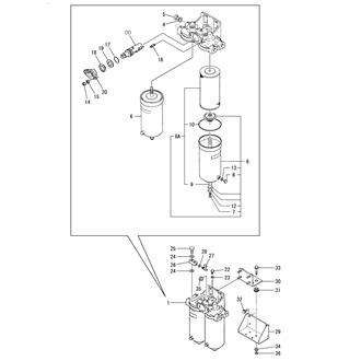
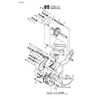
6LXHE-GT Large Grid View Table View FIG 1. CYLINDER BLOCK 0CG10-M31000_0001_02 Information FIG 10. ROCKER ARM & BONNET 0CG10-M31000_0010_02 Information FIG 11. CAMSHAFT & VALVE WORKING DEVIC 0CG10-M31000_0011_02 Information FIG 12. SUCTION MANIFOLD 0CG10-M31000_0012_02 Information FIG 13. EXHAUST MANIFOLD 0CG10-M31000_0013_02 Information FIG 14. TURBINE & EXHAUST BEND 0CG10-M31000_0014_02 Information FIG 15. TURBINE(INNER PARTS) 0CG10-M31000_0015_02 Information FIG 16. EXPANSION JOINT & SILENSER 0CG10-M31000_0016_02 Information FIG 17. AIR COOLER 0CG10-M31000_0017_02 Information FIG 18. AIR DUCT & PLATE 0CG10-M31000_0018_02 Information FIG 19. IDLE GEAR 0CG10-M31000_0019_02 Information FIG 2. GEAR HOUSING(S.F.W.) 0CG10-M31000_0002_02 Information FIG 20. CRANKSHAFT & FLYWHEEL 0CG10-M31000_0020_02 Information FIG 21. PISTON & CONNECTING ROD 0CG10-M31000_0021_02 Information FIG 22. LUB.OIL PUMP 0CG10-M31000_0022_02 Information FIG 23. LUB.OIL COOLER 0CG10-M31000_0023_02 Information FIG 24. LUB.OIL THERMOSTAT 0CG10-M31000_0024_02 Information FIG 25. LUB.OIL PRESS.REGULATING VALVE 0CG10-M31000_0025_02 Information FIG 26. LUB.OIL STRAINER 0CG10-M31000_0026_02 Information FIG 27. LUB.OIL STRAINER(EXCHANGE TYPE 0CG10-M31000_0027_02 Information FIG 28. LUB.OIL PIPE(GOVERNOR) 0CG10-M31000_0028_02 Information FIG 29. LUB.OIL PIPE(TURBOCHARGER) 0CG10-M31000_0029_02 Information FIG 3. GEAR HOUSING(O.F.W.) 0CG10-M31000_0003_02 Information FIG 30. LUB.OIL WING PUMP & WASTE OIL 0CG10-M31000_0030_02 Information FIG 31. BILGE PUMP & PIPE(OPTIONAL) 0CG10-M31000_0031_02 Information FIG 32. ELECTRIC BILGE PUMP(OPTIONAL) 0CG10-M31000_0032_02 Information FIG 33. COOLING PUMP(SEA WATER) 0CG10-M31000_0033_02 Information FIG 34. COOLING FRESH WATER PUMP 0CG10-M31000_0034_02 Information FIG 35. COOLER(FRESH WATER) & THERMOSTAT 0CG10-M31000_0035_02 Information FIG 36. SUB-TANK 0CG10-M31000_0036_02 Information FIG 37. KINGSTON COCK & VALVE 0CG10-M31000_0037_02 Information FIG 38. COOLING SEA WATER STRAINER 0CG10-M31000_0038_02 Information FIG 39. COOLING FRESH WATER PIPE 0CG10-M31000_0039_02 Information FIG 4. LUB.OIL SUMP 0CG10-M31000_0004_02 Information FIG 40. COOLING SEA WATER PIPE 0CG10-M31000_0040_02 Information FIG 41. COOLING SEA WATER PIPE(CLUTCH) 0CG10-M31000_0041_02 Information FIG 42. UNIT INJECTOR 0CG10-M31000_0042_02 Information FIG 43. FUEL FEED PUMP 0CG10-M31000_0043_02 Information FIG 44. FUEL FILTER 0CG10-M31000_0044_02 Information FIG 45. FUEL FILTER 0CG10-M31000_0045_02 Information FIG 46. OIL/WATER SEPARATOR 0CG10-M31000_0046_02 Information FIG 47. FUEL PIPE(PUMP - STRAINAR) 0CG10-M31000_0047_02 Information FIG 48. FUEL PIPE(INLET) 0CG10-M31000_0048_02 Information FIG 49. FUEL PIPE(OUTLET) 0CG10-M31000_0049_02 Information FIG 5. LUB.OIL SUMP 0CG10-M31000_0005_02 Information FIG 50. FUEL PIPE(RETURN) 0CG10-M31000_0050_02 Information FIG 52. GOVERNOR 0CG10-M31000_0052_02 Information FIG 53. GOVERNOR DRIVING DEVICE 0CG10-M31000_0053_02 Information FIG 54. HEAD/GOVERNOR CONNECTING LINK 0CG10-M31000_0054_02 Information FIG 56. STOP LEVER 0CG10-M31000_0056_02 Information FIG 58. ENGINE STOP DEVICE(EARTH TYPE) 0CG10-M31000_0058_02 Information FIG 59. ENGINE STOP DEVICE(EARTH FLOAT 0CG10-M31000_0059_02 Information FIG 6. MOUNTING FOOT & ENGINE LIFTER 0CG10-M31000_0006_02 Information FIG 60. GOVERNOR LINK 0CG10-M31000_0060_02 Information FIG 62. CABLE SUPPORT & REMOTE CONTROL 0CG10-M31000_0062_02 Information FIG 63. STARTING MOTOR(EARTH TYPE) 0CG10-M31000_0063_02 Information FIG 64. STARTING MOTOR(EARTH FLOAT TYP 0CG10-M31000_0064_02 Information FIG 65. GENERATOR 0CG10-M31000_0065_02 Information FIG 66. GENERATOR COMPONENT PART 0CG10-M31000_0066_02 Information FIG 67. GENERATOR DRIVING DEVICE 0CG10-M31000_0067_02 Information FIG 68. CLUTCH 0CG10-M31000_0068_02 Information FIG 69. WIRE HARNESS & SENSOR(EARTH TYPE) 0CG10-M31000_0069_02 Information FIG 7. BREATHER PIPE 0CG10-M31000_0007_02 Information FIG 70. WIRE HARNESS & SENSOR(EARTH FL 0CG10-M31000_0070_02 Information FIG 71. WIRE HARNESS(ECO MARINE) & SEN 0CG10-M31000_0071_02 Information FIG 72. WIRE HARNESS(ECO MARINE) & SEN 0CG10-M31000_0072_02 Information FIG 73. NEUTRAL SWITCH & BATTERY SWITC 0CG10-M31000_0073_02 Information FIG 74. CONTROL. BOX & SENSOR 0CG10-M31000_0074_02 Information FIG 75. AIR HEATER DEPENDENCE 0CG10-M31000_0075_02 Information FIG 76. INSTRUMENT PANEL 0CG10-M31000_0076_02 Information FIG 77. TOOLS 0CG10-M31000_0077_02 Information FIG 78. SPECIAL TOOLS 0CG10-M31000_0078_02 Information FIG 79. GASKET SET(OPTIONAL) 0CG10-M31000_0079_02 Information FIG 8. LABEL 0CG10-M31000_0008_02 Information FIG 9. CYLINDER HEAD 0CG10-M31000_0009_02 Information