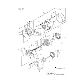
RU120 Large Grid View Table View FIG 19. PARTS OF RU120 TURBOCHARGER 0CG10-M24700_0019_00 Information