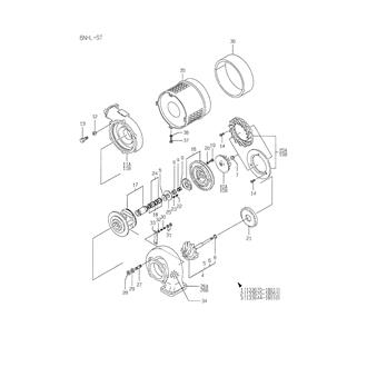
RU120A-1 Large Grid View Table View FIG 21. PARTS OF RU120A-1 TURBOCHARGER 0CG10-M24700_0021_00 Information FIG 21. PARTS OF RU120A-1 TURBOCHARGER 0CG10-M24700_0021_01 Information FIG 21. PARTS OF RU120A-1 TURBOCHARGER 0CG10-M24700_0021_02 Information