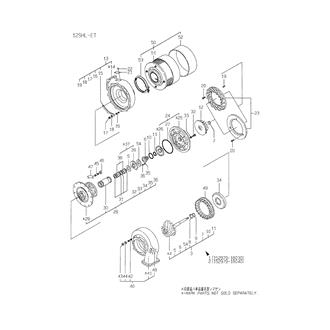
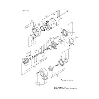
RU130 Large Grid View Table View FIG 23. PARTS OF RU130 TURBOCHARGER 0CG10-M24700_0023_00 Information FIG 23. PARTS OF RU130 TURBOCHARGER 0CG10-M24700_0023_01 Information FIG 26. PARTS OF RU130 TURBOCHARGER 0CG10-M24700_0026_00 Information