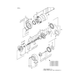
RU130-C Large Grid View Table View FIG 24. PARTS OF RU130 TURBOCHARGER 0CG10-M24700_0024_02 Information