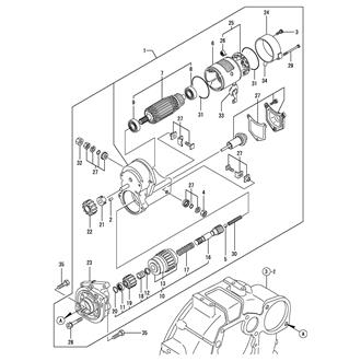
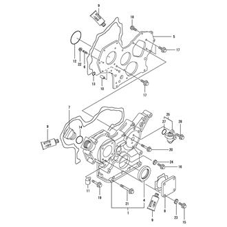
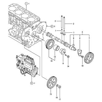
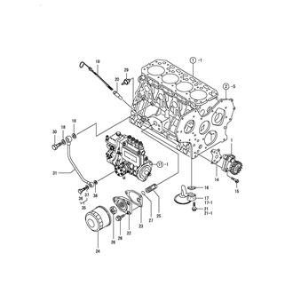
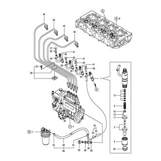
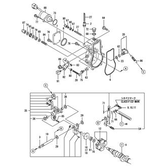
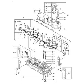
4TNE88-RAG2 Large Grid View Table View FIG 1. CYLINDER BLOCK 0CB10-M74700_0001_00 Information FIG 10. COOLING WATER SYSTEM 0CB10-M74700_0010_00 Information FIG 11. FUEL INJECTION PUMP 0CB10-M74700_0011_00 Information FIG 12. GOVERNOR 0CB10-M74700_0012_00 Information FIG 13. FUEL INJECTION VALVE 0CB10-M74700_0013_00 Information FIG 14. FUEL LINE 0CB10-M74700_0014_00 Information FIG 15. STARTING MOTOR 0CB10-M74700_0015_00 Information FIG 16. GENERATOR 0CB10-M74700_0016_00 Information FIG 17. GASKET SET 0CB10-M74700_0017_00 Information FIG 2. GEAR HOUSING 0CB10-M74700_0002_00 Information FIG 3. FLYWHEEL HOUSING & OIL SUMP 0CB10-M74700_0003_00 Information FIG 4. CYLINDER HEAD & BONNET 0CB10-M74700_0004_00 Information FIG 5. SUCTION MANIFOLD 0CB10-M74700_0005_00 Information FIG 6. EXHAUST MANIFOLD 0CB10-M74700_0006_00 Information FIG 7. CAMSHAFT & DRIVING GEAR 0CB10-M74700_0007_00 Information FIG 8. CRANKSHAFT & PISTON 0CB10-M74700_0008_00 Information FIG 9. LUB.OIL SYSTEM 0CB10-M74700_0009_00 Information