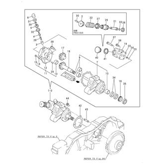
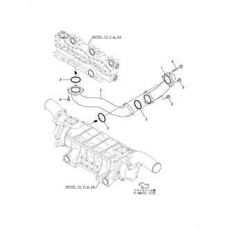
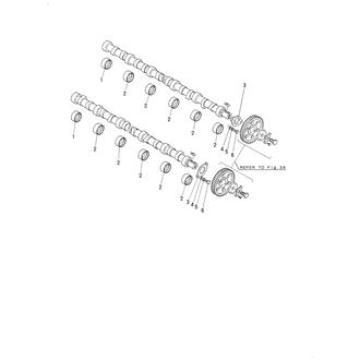
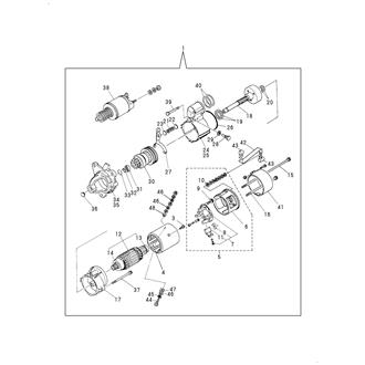
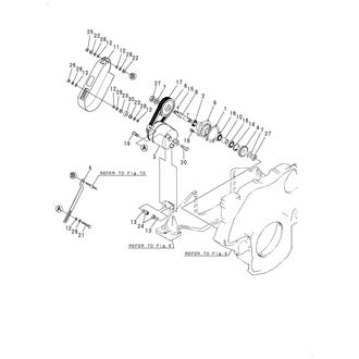
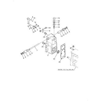
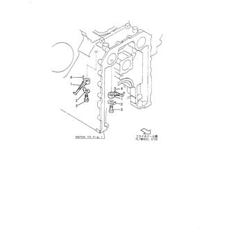
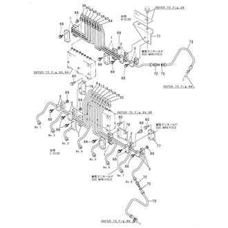
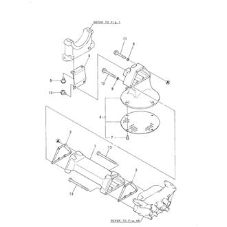
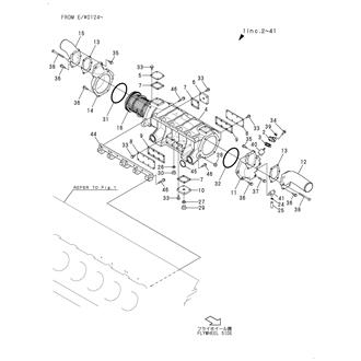
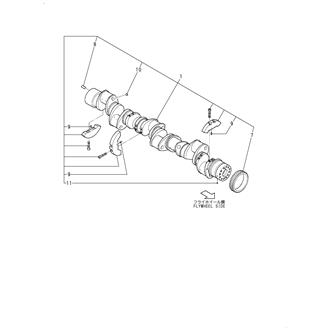
16LAK-STE1 Large Grid View Table View FIG 1. CYLINDER BLOCK 0CG10-M22702_0001_01 Information FIG 10. DECOMPRESSION 0CG10-M22702_0010_01 Information FIG 100. LINK CASE(L-SIDE) 0CG10-M22702_0100_01 Information FIG 101. BOOST COMPENSATOR 0CG10-M22702_0101_01 Information FIG 102. FUEL CUT-OFF DEVICE 0CG10-M22702_0102_01 Information FIG 103. GOVERNOR(RHD6) 0CG10-M22702_0103_01 Information FIG 104. GOVERNOR DRIVING DEVICE 0CG10-M22702_0104_01 Information FIG 105. GOVERNOR CONNECTING LINK 0CG10-M22702_0105_01 Information FIG 106. STOP LEVER 0CG10-M22702_0106_01 Information FIG 107. REMOTE CONTROL HEAD 0CG10-M22702_0107_01 Information FIG 108. CABLE SUPPORT 0CG10-M22702_0108_01 Information FIG 109. BOOST COMPENSATOR CANCELL(OPTIONAL) 0CG10-M22702_0109_01 Information FIG 11. ENGINE LIFTER 0CG10-M22702_0011_01 Information FIG 110. STARTING MOTOR 0CG10-M22702_0110_01 Information FIG 111. GENERATOR(1KW) 0CG10-M22702_0111_01 Information FIG 112. GENERATOR(2KW) 0CG10-M22702_0112_01 Information FIG 113. REGULATOR BRACKET 0CG10-M22702_0113_01 Information FIG 114. BATTELY SWITCH 0CG10-M22702_0114_01 Information FIG 115. WIRE HARNESS 0CG10-M22702_0115_01 Information FIG 116. CLUTCH ATTACHMENT(MGN433) 0CG10-M22702_0116_01 Information FIG 118. INSTRUMENT PANEL(MECHANICAL TYPEL:NEW) 0CG10-M22702_0118_01 Information FIG 119. INSTRUMENT PANEL(ELECTRIC TYPE:PREVIOUS) 0CG10-M22702_0119_01 Information FIG 120. INSTRUMENT PANEL(ELECTRIC TYPE)(PREVIOUS)(OPTIONAL) 0CG10-M22702_0120_01 Information FIG 121. INSTRUMENT PANEL(ELECTRIC TYPE)(NEW) 0CG10-M22702_0121_01 Information FIG 123. SENSOR(NEW) 0CG10-M22702_0123_01 Information FIG 124. SENSOR(EARTH TYPE) 0CG10-M22702_0124_01 Information FIG 125. THERMOMETETR 0CG10-M22702_0125_01 Information FIG 126. TOOL 0CG10-M22702_0126_01 Information FIG 127. STARTING MOTOR COMPONENT PART(L-SIDE) 0CG10-M22702_0127_01 Information FIG 128. STARTING MOTOR COMPONENT PART(R-SIDE) 0CG10-M22702_0128_01 Information FIG 129. GASKET SET(OPTIONAL) 0CG10-M22702_0129_01 Information FIG 13. LABEL(ENGLISH USE) 0CG10-M22702_0013_01 Information FIG 14. LUB.OIL FEEDER 0CG10-M22702_0014_01 Information FIG 15. CYLINDER HEAD 0CG10-M22702_0015_01 Information FIG 16. SUC./EXH.VALVE ROCKER ARM 0CG10-M22702_0016_01 Information FIG 17. BONNET 0CG10-M22702_0017_01 Information FIG 18. SUCTION MANIFOLD 0CG10-M22702_0018_01 Information FIG 19. AIR PIPE 0CG10-M22702_0019_01 Information FIG 2. AUXILIARY DRIVING HOUSING 0CG10-M22702_0002_01 Information FIG 20. EXHAUST MANIFOLD 0CG10-M22702_0020_01 Information FIG 21. EXHAUST CONNECTING PIPE(L-SIDE) 0CG10-M22702_0021_01 Information FIG 22. EXHAUST CONNECTING PIPE(R-SIDE) 0CG10-M22702_0022_01 Information FIG 23. EXHAUST GAS PIPE 0CG10-M22702_0023_01 Information FIG 24. CAMSHAFT 0CG10-M22702_0024_01 Information FIG 25. IDLE GEAR(S.F.W.) 0CG10-M22702_0025_01 Information FIG 26. IDLE GEAR(O.F.W.) 0CG10-M22702_0026_01 Information FIG 27. VALVE WORKING DEVICE 0CG10-M22702_0027_01 Information FIG 28. TURBOCHARGER 0CG10-M22702_0028_01 Information FIG 29. AIR COOLER 0CG10-M22702_0029_01 Information FIG 3. GEAR HOUSING & FLYWHEEL HOUSING 0CG10-M22702_0003_01 Information FIG 31. AIR COOLER COMPONENT PART(PREVIOUS) 0CG10-M22702_0031_01 Information FIG 32. AIR COOLER COMPONENT PART(PREVIOUS) 0CG10-M22702_0032_01 Information FIG 33. AIR COOLER COMPONENT PART(NEW) 0CG10-M22702_0033_01 Information FIG 34. AIR DUCT(IN) 0CG10-M22702_0034_01 Information FIG 35. AIR DUCT(OUT) 0CG10-M22702_0035_01 Information FIG 36. EXHAUST BEND & BELLOWS 0CG10-M22702_0036_01 Information FIG 37. EXHAUST BEND 0CG10-M22702_0037_01 Information FIG 38. CRANKSHAFT 0CG10-M22702_0038_01 Information FIG 39. FLYWHEEL(SAE18) 0CG10-M22702_0039_01 Information FIG 4. LUB.OIL SUMP 0CG10-M22702_0004_01 Information FIG 40. FLYWHEEL(RATO1621 COUPLING) 0CG10-M22702_0040_01 Information FIG 41. PISTON & CONNECTING ROD 0CG10-M22702_0041_01 Information FIG 42. DAMPER 0CG10-M22702_0042_01 Information FIG 43. FRONT COVER 0CG10-M22702_0043_01 Information FIG 44. TURNING PULLY 0CG10-M22702_0044_01 Information FIG 45. LUB.OIL PUMP 0CG10-M22702_0045_01 Information FIG 46. LUB.OIL SUCTION PIPE 0CG10-M22702_0046_01 Information FIG 47. LUB.OIL SUCTION PIPE(OPTIONAL) 0CG10-M22702_0047_01 Information FIG 49. LUB.OIL COOLER(NEW) 0CG10-M22702_0049_01 Information FIG 5. MOUNTING FOOT 0CG10-M22702_0005_01 Information FIG 51. LUB.OIL PRESSURE REGULATING VALVE(NEW) 0CG10-M22702_0051_01 Information FIG 53. LUB.OIL STRAINER(NEW) 0CG10-M22702_0053_01 Information FIG 54. LUB.OIL BY-PASS STRAINER 0CG10-M22702_0054_01 Information FIG 55. LUB.OIL CHECK VALVE 0CG10-M22702_0055_01 Information FIG 56. LUB.OIL DIPSTICK 0CG10-M22702_0056_01 Information FIG 58. LUB.OIL WASTE PUMP 0CG10-M22702_0058_01 Information FIG 59. LUB.OIL WING PUMP 0CG10-M22702_0059_01 Information FIG 6. CYLINDER SIDE COVER 0CG10-M22702_0006_01 Information FIG 60. LUB.OIL THERMOSTAT 0CG10-M22702_0060_01 Information FIG 61. LUB.OIL PIPE(L.O.PUMP-CYLINDER) 0CG10-M22702_0061_01 Information FIG 63. LUB.OIL PIPE(L.O.COOLER-STRAINER)(NEWS) 0CG10-M22702_0063_01 Information FIG 64. LUB.OIL PRESSURE DETECTION 0CG10-M22702_0064_01 Information FIG 65. LUB.OIL PIPE(TURBOCHARGER) 0CG10-M22702_0065_01 Information FIG 66. LUB.OIL PIPE(TURBOCHARGER R-SIDE) 0CG10-M22702_0066_01 Information FIG 67. LUB.OIL PIPE(TURBOCHARGER L-SIDE) 0CG10-M22702_0067_01 Information FIG 68. LUB.OIL PIPE(FUEL INJECTION PUMP) 0CG10-M22702_0068_01 Information FIG 69. LUB.OIL PIPE(CENTRIFUGAL STRAINER)(PREVIOUS) 0CG10-M22702_0069_01 Information FIG 7. CYLINDER LINER & HEAD GASKET 0CG10-M22702_0007_01 Information FIG 70. PISTON JET 0CG10-M22702_0070_01 Information FIG 71. COOLING SEA WATER PUMP 0CG10-M22702_0071_01 Information FIG 72. COOLING FRESH WATER PUMP 0CG10-M22702_0072_01 Information FIG 74. FRESH WATER COOLER(NEW) 0CG10-M22702_0074_01 Information FIG 75. SUB-TANK(6L)(ENGINE ATTACHED) 0CG10-M22702_0075_01 Information FIG 76. SUB-TANK(9L)(HULL ATTACHED) 0CG10-M22702_0076_01 Information FIG 77. BILGE PUMP(OPTIONAL) 0CG10-M22702_0077_01 Information FIG 78. COOLING FRESH WATER THEROMSTAT 0CG10-M22702_0078_01 Information FIG 8. CAMSHAFT 0CG10-M22702_0008_01 Information FIG 80. COOLING FRESH WATER PIPE(NEW) 0CG10-M22702_0080_01 Information FIG 82. COOLING SEA WATER PIPE(NEW) 0CG10-M22702_0082_01 Information FIG 84. FUEL INJECTION PUMP(R-SIDE,W/O DAMPING VALVE) 0CG10-M22702_0084_01 Information FIG 86. FUEL INJECTION PUMP(L-SIDE,W/O DAMPING VALVE) 0CG10-M22702_0086_01 Information FIG 87. FUEL FEED PUMP 0CG10-M22702_0087_01 Information FIG 88. FUEL INJECTION VALVE 0CG10-M22702_0088_01 Information FIG 89. FUEL INJECTION PUMP DRIVING DEVICE 0CG10-M22702_0089_01 Information FIG 9. BREATHER 0CG10-M22702_0009_01 Information FIG 90. FUEL INJECTION PUMP BRACKET 0CG10-M22702_0090_01 Information FIG 91. INTER COUPLING 0CG10-M22702_0091_01 Information FIG 92. TIMER 0CG10-M22702_0092_01 Information FIG 93. FUEL SUB-TANK 0CG10-M22702_0093_01 Information FIG 94. FUEL FILTER 0CG10-M22702_0094_01 Information FIG 96. FUEL PIPE(NEW) 0CG10-M22702_0096_01 Information FIG 97. FUEL RETURN PIPE 0CG10-M22702_0097_01 Information FIG 98. FUEL INJECTION PIPE 0CG10-M22702_0098_01 Information FIG 99. LINK CASE(R-SIDE) 0CG10-M22702_0099_01 Information