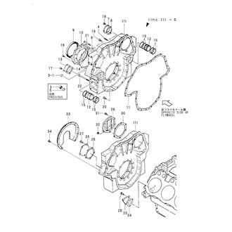
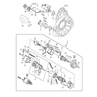
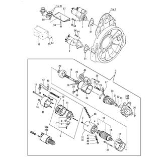
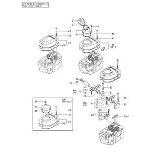
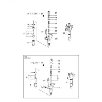
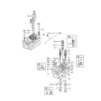
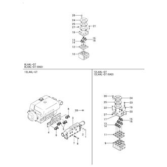
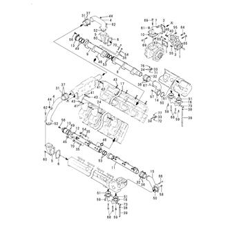
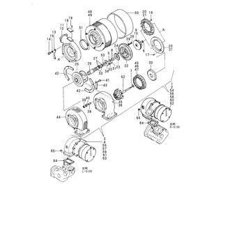
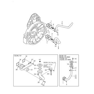
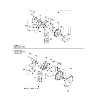
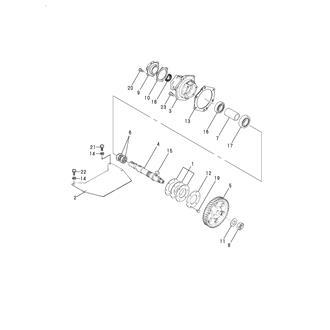
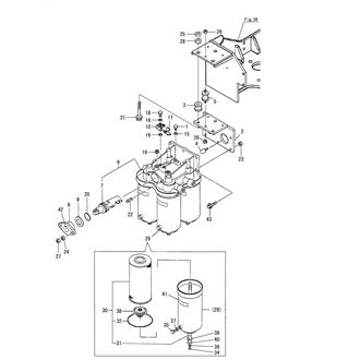
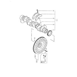
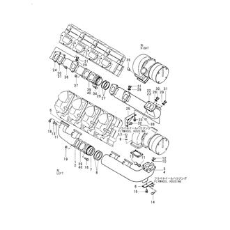
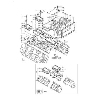
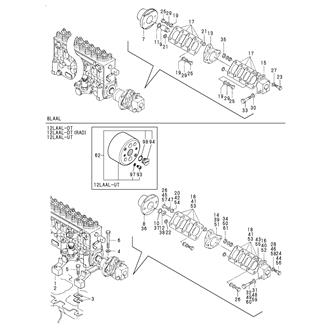
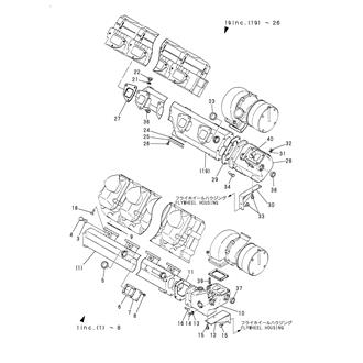
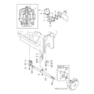
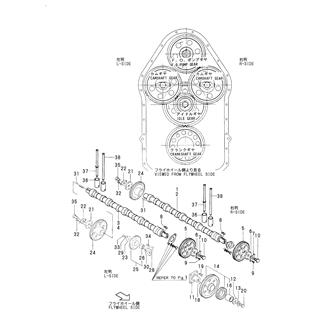
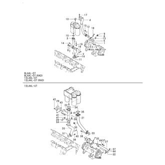
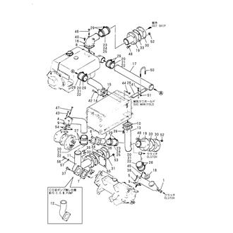
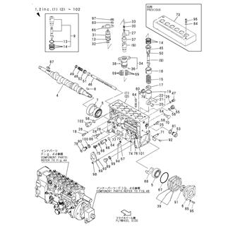
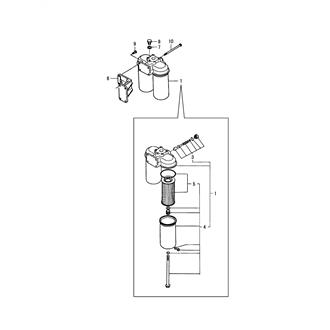
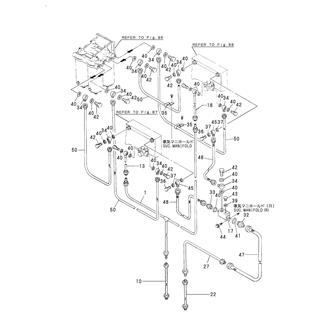
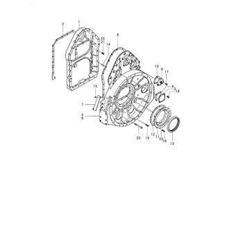
12LAAL-UT Large Grid View Table View FIG 1. CYLINDER BLOCK 0CG20-M25901_0001_04 Information FIG 10. SUC./EXH.VALVE ROCKER ARM 0CG20-M25901_0010_04 Information FIG 13. SUCTION MANIFOLD & AIR DUCT 0CG20-M25901_0013_04 Information FIG 14. AIR COOLER & AIR DUCT 0CG20-M25901_0014_04 Information FIG 15. EXHAUST MANIFOLD 0CG20-M25901_0015_04 Information FIG 16. EXHAUST MANIFOLD 0CG20-M25901_0016_04 Information FIG 17. EXHAUST BEND & PIPE 0CG20-M25901_0017_04 Information FIG 19. TURBOCHARGER 0CG20-M25901_0019_04 Information FIG 2. GEAR HOUSING 0CG20-M25901_0002_04 Information FIG 20. CAMSHAFT & IDLE GEAR 0CG20-M25901_0020_04 Information FIG 21. CRANKSHAFT & FLYWHEEL 0CG20-M25901_0021_04 Information FIG 22. PISTON & CONNECTING ROD 0CG20-M25901_0022_04 Information FIG 23. LUB.OIL PUMP & SAFETY VALVE 0CG20-M25901_0023_04 Information FIG 24. LUB.OIL COOLER & THERMOSTAT 0CG20-M25901_0024_04 Information FIG 25. LUB. OIL FILTER(WITHOUT COCK) 0CG20-M25901_0025_04 Information FIG 26. LUB. OIL FILTER(WITH COCK) 0CG20-M25901_0026_04 Information FIG 27. CENTRIFUGAL FILTER & LUB.OIL PIPE 0CG20-M25901_0027_04 Information FIG 28. LUB.OIL PIPE(CYLINDER-STRAINER-COOLER) 0CG20-M25901_0028_04 Information FIG 29. LUB.OIL PIPE(LUB.OIL COOLER-TURBOCHARGER) 0CG20-M25901_0029_04 Information FIG 3. LUB.OIL SUMP & WASTE OIL PUMP 0CG20-M25901_0003_04 Information FIG 30. LUB.OIL PIPE(STRAINER, LUB OIL,FOP) 0CG20-M25901_0030_04 Information FIG 32. COOLING SEA WATER PUMP 0CG20-M25901_0032_04 Information FIG 33. COOLING FRESH WATER PUMP 0CG20-M25901_0033_04 Information FIG 34. C.F.W COOLER 0CG20-M25901_0034_04 Information FIG 37. THERMOSTAT 0CG20-M25901_0037_04 Information FIG 4. O.F.W. MOUNTING & COVER 0CG20-M25901_0004_04 Information FIG 40. COOLING FRESH WATER PIPE(12LAAL-UT) 0CG20-M25901_0040_04 Information FIG 42. FUEL INJECTION PUMP (A) 0CG20-M25901_0042_04 Information FIG 43. FUEL INJECTION PUMP (B) 0CG20-M25901_0043_04 Information FIG 44. FUEL FEED PUMP 0CG20-M25901_0044_04 Information FIG 45. FUEL INJECTION VALVE 0CG20-M25901_0045_04 Information FIG 46. FUEL PUMP DRIVING DEVICE 0CG20-M25901_0046_04 Information FIG 47. FUEL PUMP DRIVING DEVICE(12LAAL-UT/NEW) 0CG20-M25901_0047_04 Information FIG 48. FUEL PUMP MOUNT 0CG20-M25901_0048_04 Information FIG 49. FUEL FILTER 0CG20-M25901_0049_04 Information FIG 5. MOUNTING FOOT & LIFTING METAL 0CG20-M25901_0005_04 Information FIG 50. FUEL FILTER 0CG20-M25901_0050_04 Information FIG 52. OIL/WATER SEPARATOR 0CG20-M25901_0052_04 Information FIG 55. FUEL PIPE(12LAAL-UT) 0CG20-M25901_0055_04 Information FIG 56. FUEL RETURN PIPE 0CG20-M25901_0056_04 Information FIG 58. FUEL INJECTION PIPE(12LAAL) 0CG20-M25901_0058_04 Information FIG 6. BREATHER 0CG20-M25901_0006_04 Information FIG 64. GOVERNOR DRIVING DEVICE 0CG20-M25901_0064_04 Information FIG 65. STOP LEVER 0CG20-M25901_0065_04 Information FIG 66. STARTING MOTOR 0CG20-M25901_0066_04 Information FIG 67. STARTING MOTOR(SMALL JG) 0CG20-M25901_0067_04 Information FIG 69. GENERATOR 0CG20-M25901_0069_04 Information FIG 7. DECOMPRESSION 0CG20-M25901_0007_04 Information FIG 70. INSTRUMENT PANEL 0CG20-M25901_0070_04 Information FIG 71. TOOL 0CG20-M25901_0071_04 Information FIG 72. COOLING SEA WATER PIPE 0CG20-M25901_0072_04 Information FIG 73. NOZZLE TESTER 0CG20-M25901_0073_04 Information FIG 8. LABEL 0CG20-M25901_0008_04 Information FIG 9. CYLINDER HEAD 0CG20-M25901_0009_04 Information