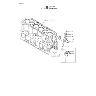
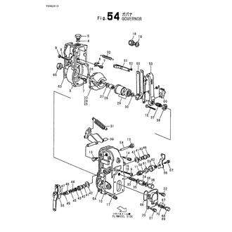
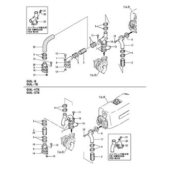
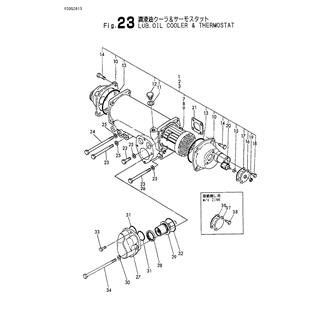
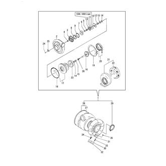
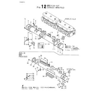
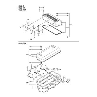
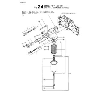
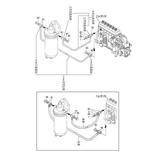
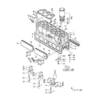
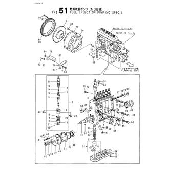
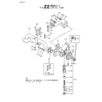
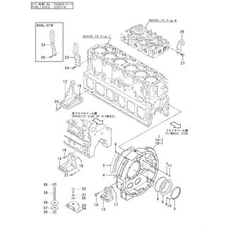
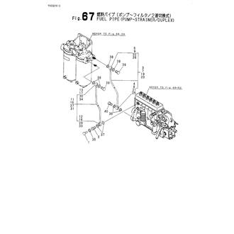
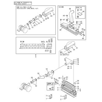
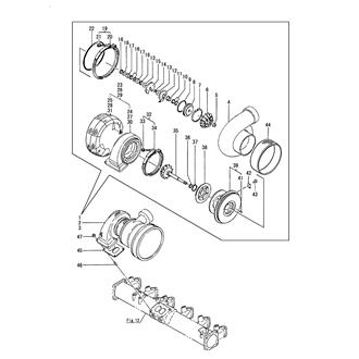
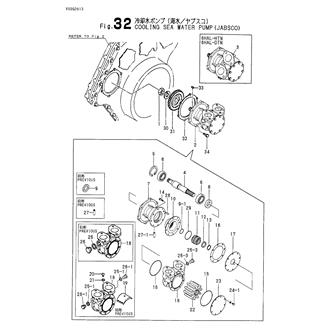
6HAL-HTN Large Grid View Table View FIG 1. CYLINDER BLOCK 0CG20-M26103_0001_02 Information FIG 10. BONNET & DECOMPRESSION 0CG20-M26103_0010_02 Information FIG 100. AIR STARTER COMPONENT PART 0CG20-M26103_0100_02 Information FIG 11. SUCTION MANIFOLD & SILENSER 0CG20-M26103_0011_02 Information FIG 12. EXHAUST MANIFOLD 0CG20-M26103_0012_02 Information FIG 14. EXHAUST BEND 0CG20-M26103_0014_02 Information FIG 15. EXPANSION JOINT & SILENSER 0CG20-M26103_0015_02 Information FIG 16. CAMSHAFT,VALVE WORKING DEVICE 0CG20-M26103_0016_02 Information FIG 17. TURBINE(4LF) 0CG20-M26103_0017_02 Information FIG 18. TURBINE(TD08) 0CG20-M26103_0018_02 Information FIG 19. AIR COOLER & AIR DUCT 0CG20-M26103_0019_02 Information FIG 2. GEAR HOUSING 0CG20-M26103_0002_02 Information FIG 20. CRANKSHAFT,FLYWEEL & COUPLING 0CG20-M26103_0020_02 Information FIG 21. PISTON & CONNECTING ROD 0CG20-M26103_0021_02 Information FIG 22. LUB. OIL PUMP 0CG20-M26103_0022_02 Information FIG 23. LUB. OIL COOLER & THERMOSTAT 0CG20-M26103_0023_02 Information FIG 24. LUB. OIL STRAINER(W/COCK) 0CG20-M26103_0024_02 Information FIG 25. LUB. OIL STRAINER(W/O COCK) 0CG20-M26103_0025_02 Information FIG 26. L.O.PRESS.REGULATING VALVE & L 0CG20-M26103_0026_02 Information FIG 27. LUB. OIL PIPE(TURBO.MODEL 4LF/P 0CG20-M26103_0027_02 Information FIG 28. LUB. OIL PIPE(TURBO.MODEL TD08/ 0CG20-M26103_0028_02 Information FIG 29. LUB. OIL PRIMING DEVICE 0CG20-M26103_0029_02 Information FIG 3. LUB. OIL SUMP & DIPSTICK 0CG20-M26103_0003_02 Information FIG 30. L.O.PIPE & L.O.PRESSURE SWITCH 0CG20-M26103_0030_02 Information FIG 31. LUB. OIL PRESS./C.W.TEMP SWITCH 0CG20-M26103_0031_02 Information FIG 32. COOLING SEA WATER PUMP(JABSCO) 0CG20-M26103_0032_02 Information FIG 33. COOLING SEA WATER PUMP(CENTRIF 0CG20-M26103_0033_02 Information FIG 34. COOLING FRESH WATER PUMP 0CG20-M26103_0034_02 Information FIG 35. COOLING FRESH WATER COOLER 0CG20-M26103_0035_02 Information FIG 36. SUB-TANK 0CG20-M26103_0036_02 Information FIG 37. KINGSTONE VALVE 0CG20-M26103_0037_02 Information FIG 38. C.F.W.THERMOSTAT 0CG20-M26103_0038_02 Information FIG 39. C.F.W.PIPE(HEAD OUTLET.W/O HO 0CG20-M26103_0039_02 Information FIG 4. F.W.HOUSING & MOUNTING FOOT 0CG20-M26103_0004_02 Information FIG 40. C.F.W.PIPE(C.F.W.COOLER WATER 0CG20-M26103_0040_02 Information FIG 41. C.F.W.PIPE(HEAD OUTLET,W/HOT 0CG20-M26103_0041_02 Information FIG 43. C.F.W.PIPE(PUMP-CYLINDER)&PRES 0CG20-M26103_0043_02 Information FIG 44. C.S.W.PIPE(PUMP IN) 0CG20-M26103_0044_02 Information FIG 45. C.S.W.PIPE(JABSCO PPUMP-C.F.W. 0CG20-M26103_0045_02 Information FIG 46. C.S.W.PIPE(CENTR.PUMP-C.F.W.CO 0CG20-M26103_0046_02 Information FIG 47. C.S.W.PIPE(C.F.W.COOLER-L.O.CO 0CG20-M26103_0047_02 Information FIG 48. COOLING SEA WATER PIPE(COMPRES 0CG20-M26103_0048_02 Information FIG 49. FUEL INJECTION PUMP 0CG20-M26103_0049_02 Information FIG 5. BREATHER 0CG20-M26103_0005_02 Information FIG 51. FUEL INJECTION PUMP(M0 SPEC.) 0CG20-M26103_0051_02 Information FIG 52. FUEL INJECTION PUMP(M0 SPEC.) 0CG20-M26103_0052_02 Information FIG 53. FUEL FEED PUMP 0CG20-M26103_0053_02 Information FIG 54. GOVERNOR 0CG20-M26103_0054_02 Information FIG 55. FUEL INJECTION VALVE 0CG20-M26103_0055_02 Information FIG 56. FUEL STRAINER 0CG20-M26103_0056_02 Information FIG 57. FUEL STRAINER(M0 SPEC.) 0CG20-M26103_0057_02 Information FIG 58. FUEL STRAINER(CHANGER TYPE) 0CG20-M26103_0058_02 Information FIG 59. FUEL STRAINER(CHANGER TYPE.M0 0CG20-M26103_0059_02 Information FIG 6. LABEL 0CG20-M26103_0006_02 Information FIG 60. OIL/WATER SEPARATOR 0CG20-M26103_0060_02 Information FIG 61. FUEL INJECTION PIPE 0CG20-M26103_0061_02 Information FIG 62. FUEL INJECTION PIPE(COVERD PIP 0CG20-M26103_0062_02 Information FIG 63. FUEL INJECTION PIPE(M0 SPEC.) 0CG20-M26103_0063_02 Information FIG 64. FUEL PIPE(ENGINE INLET) 0CG20-M26103_0064_02 Information FIG 65. FUEL PIPE(OVERFLOW) 0CG20-M26103_0065_02 Information FIG 66. FUEL PIPE(PUMP - FILTER) 0CG20-M26103_0066_02 Information FIG 67. FUEL PIPE(PUMP - STRAINER/2-WAY 0CG20-M26103_0067_02 Information FIG 68. FUEL PIPE(PUMP - STRAINER/2-WAY 0CG20-M26103_0068_02 Information FIG 69. FUEL RETURN PIPE 0CG20-M26103_0069_02 Information FIG 7. TACHOMETER ADAPTER 0CG20-M26103_0007_02 Information FIG 70. G0VERNORMOTOR & LINK 0CG20-M26103_0070_02 Information FIG 71. ENGINE STOP DEVICE 0CG20-M26103_0071_02 Information FIG 72. FUEL CUT SOLENOIDO 0CG20-M26103_0072_02 Information FIG 73. ALARM DEVICE 0CG20-M26103_0073_02 Information FIG 74. TACHOMETER 0CG20-M26103_0074_02 Information FIG 75. AIR STARTER & AIR TANK 0CG20-M26103_0075_02 Information FIG 76. AIR STARTER COMPONENT PART 0CG20-M26103_0076_02 Information FIG 77. AIR INTERMEDIATE VALVE 0CG20-M26103_0077_02 Information FIG 78. AIR CONTROL UNIT(ENGINE SIDE C 0CG20-M26103_0078_02 Information FIG 79. AIR CONTROL UNIT(REMOTE CONTRO 0CG20-M26103_0079_02 Information FIG 8. CYLINDER HEAD 0CG20-M26103_0008_02 Information FIG 80. STARTING MOTOR(1-POLE TYPE) 0CG20-M26103_0080_02 Information FIG 81. STARTING MOTOR(2-POLE TYPE/PRE 0CG20-M26103_0081_02 Information FIG 82. STARTING MOTOR(2-POLE TYPE/NEW 0CG20-M26103_0082_02 Information FIG 83. GENERATOR 0CG20-M26103_0083_02 Information FIG 84. GENERATOR COMPONENT PART 0CG20-M26103_0084_02 Information FIG 85. BATTERY SWITCH 0CG20-M26103_0085_02 Information FIG 86. THERMOMETER 0CG20-M26103_0086_02 Information FIG 87. GAUGE(PREVIOUS) 0CG20-M26103_0087_02 Information FIG 89. INSTRUMENT PANEL 0CG20-M26103_0089_02 Information FIG 9. SUC./EXH.ROCKER ARM 0CG20-M26103_0009_02 Information FIG 90. INSTRUMENT LABEL 0CG20-M26103_0090_02 Information FIG 91. TOOL 0CG20-M26103_0091_02 Information FIG 92. ALARM PANEL & SPEED RELAY 0CG20-M26103_0092_02 Information FIG 93. FLEXIBLE PIPE 0CG20-M26103_0093_02 Information FIG 94. COOLING SEA WATER STRAINER 0CG20-M26103_0094_02 Information FIG 95. NC2 HAND COMPRESSOR 0CG20-M26103_0095_02 Information FIG 98. SAFETY LABEL 0CG20-M26103_0098_02 Information FIG 99. GASKET SET 0CG20-M26103_0099_02 Information