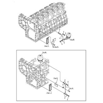
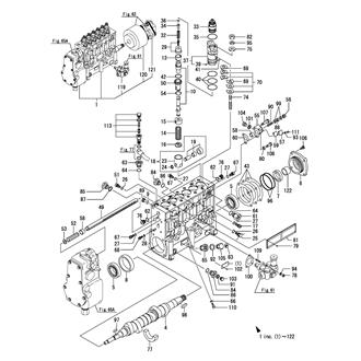
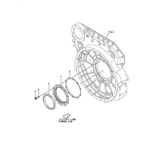
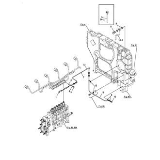
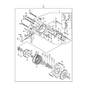
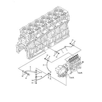
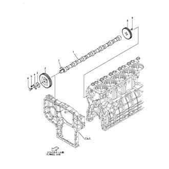
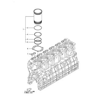
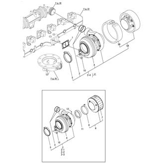
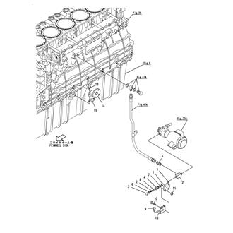
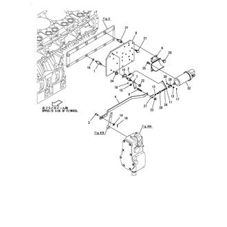
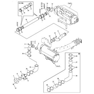
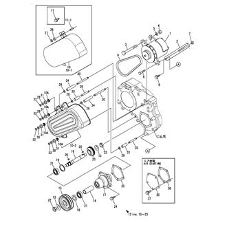
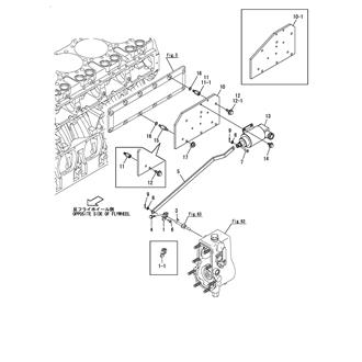
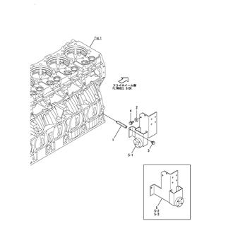
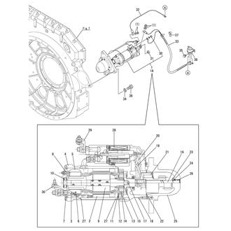
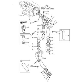
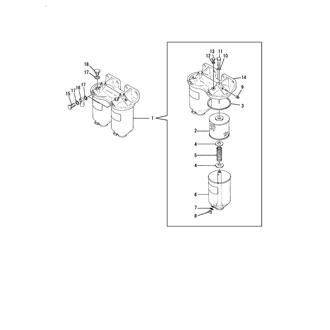
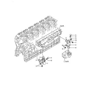
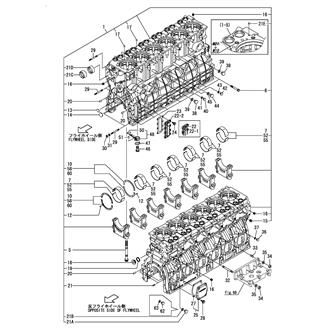
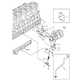
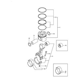
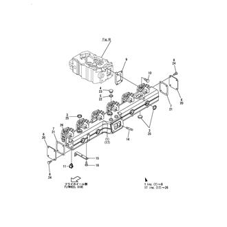
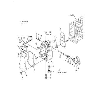
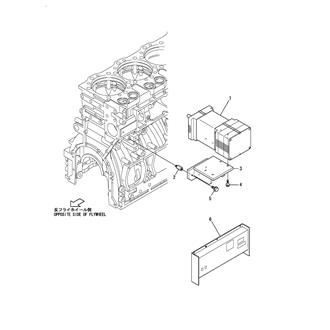
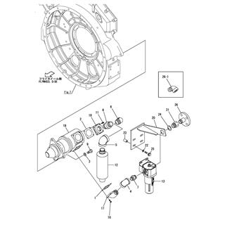
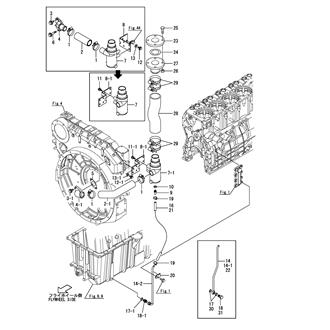
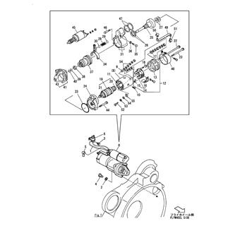
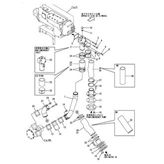
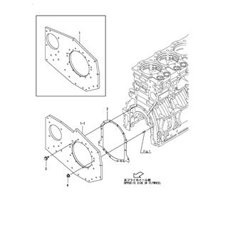
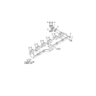
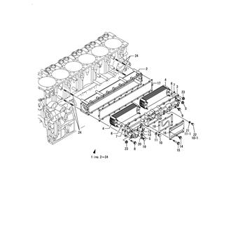
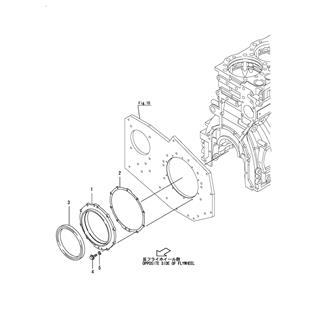
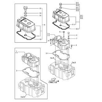
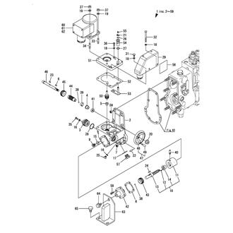
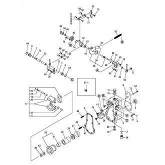
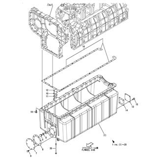
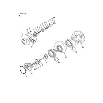
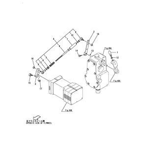
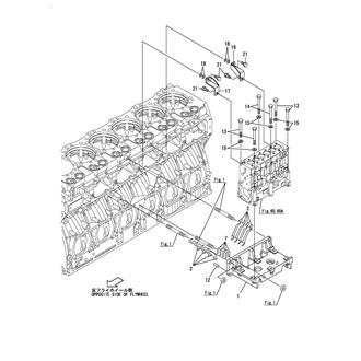
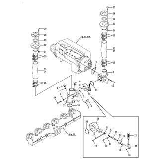
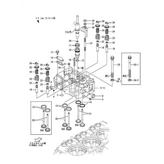
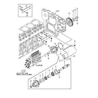
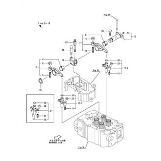
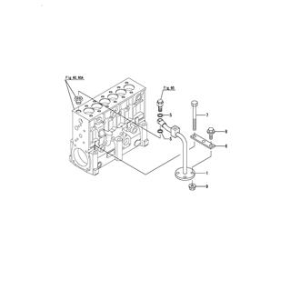
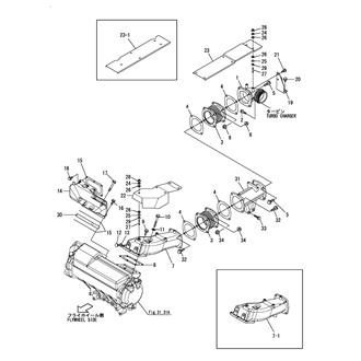
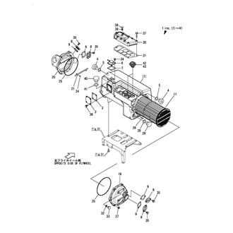
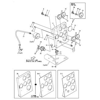
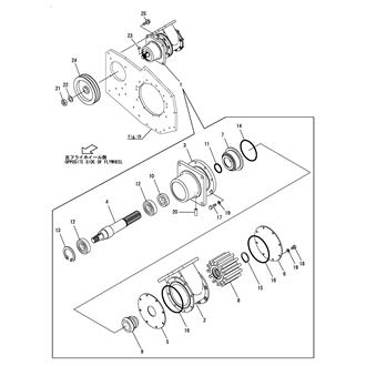
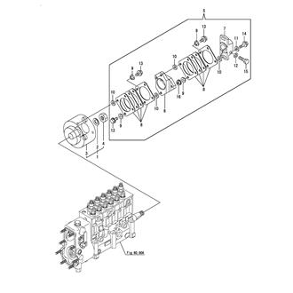
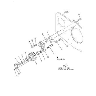
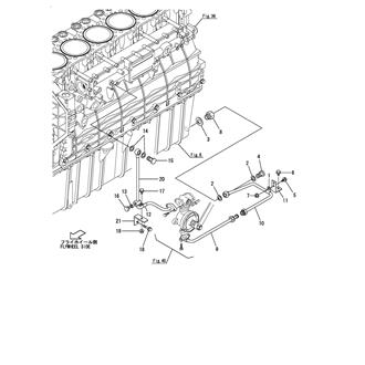
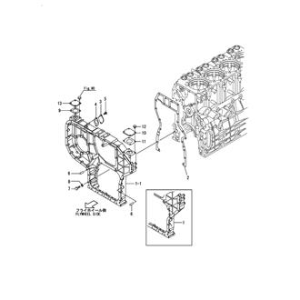
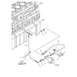
6AYL-ET Large Grid View Table View FIG 1. CYLINDER BLOCK 0CG20-M32201_0001_01 Information FIG 10. COVER(O.F.W.) 0CG20-M32201_0010_01 Information FIG 100. (35A)LUB.OIL MOTOR PUMP 0CG20-M32201_0100_01 Information FIG 101. (60A)FUEL INJECTION PUMP(PRO ACT) 0CG20-M32201_0101_01 Information FIG 102. (47A)LUB.OIL PIPE(MOTOR PRIMING:STD OIL SUMP) 0CG20-M32201_0102_01 Information FIG 103. (47B)LUB.OIL PIPE(MOTOR PRIMING:DEEP TYPE OIL SUMP) 0CG20-M32201_0103_01 Information FIG 104. (47C)LUB.OIL PIPE(SEMI-DRY,WING PUMP) 0CG20-M32201_0104_01 Information FIG 105. (47D)LUB.OIL PIPE(SEMI-DRY,MOTOR PUMP) 0CG20-M32201_0105_01 Information FIG 106. (49B)COVER(W/O C.S.W.PUMP SPEC.) 0CG20-M32201_0106_01 Information FIG 107. (51A)FRESH WATER COOLER(CCS) 0CG20-M32201_0107_01 Information FIG 108. (51B)C.F.W.PIPE(WARM WATER AIR VENT) 0CG20-M32201_0108_01 Information FIG 109. (51C)KINGSTON VALVE 0CG20-M32201_0109_01 Information FIG 11. MOUNTING FOOT 0CG20-M32201_0011_01 Information FIG 110. (51D)SEA WATER STRAINER(SINGLE) 0CG20-M32201_0110_01 Information FIG 111. (51E)SEA WATER STRAINER(DUPLEX) 0CG20-M32201_0111_01 Information FIG 112. (56A)C.F.W.FLEXIBLE PIPE(CLASS LR) 0CG20-M32201_0112_01 Information FIG 113. (54A)C.F.W.PIPE(WARM WATER OUTLET) 0CG20-M32201_0113_01 Information FIG 114. (65A)LINK CASE(PRO ACT) 0CG20-M32201_0114_01 Information FIG 115. (65B)ACTUATOR(PRO ACT) 0CG20-M32201_0115_01 Information FIG 116. (65C)ACTUATOR COVER(PRO ACT) 0CG20-M32201_0116_01 Information FIG 117. (73A)SUPPORT(FUEL OVERFLOW PIPE) 0CG20-M32201_0117_01 Information FIG 118. (81A)PICK-UP(TACHO-GEN.,ACTUATOR) 0CG20-M32201_0118_01 Information FIG 119. (81B)SPEED CONTROL DEVICE(PRO ACT) 0CG20-M32201_0119_01 Information FIG 12. LUB.OIL FEEDER 0CG20-M32201_0012_01 Information FIG 120. (82A)ENGINE STOP DEVICE 0CG20-M32201_0120_01 Information FIG 121. (84A)STARTING MOTOR 0CG20-M32201_0121_01 Information FIG 13. CAMSHAFT METAL 0CG20-M32201_0013_01 Information FIG 14. BREATHER PIPE 0CG20-M32201_0014_01 Information FIG 15. LABEL 0CG20-M32201_0015_01 Information FIG 16. SAFETY LABEL 0CG20-M32201_0016_01 Information FIG 17. ENGINE LIFTER 0CG20-M32201_0017_01 Information FIG 18. CYLINDER HEAD 0CG20-M32201_0018_01 Information FIG 19. LOCKER ARM 0CG20-M32201_0019_01 Information FIG 2. CYLINDER LINER & HEAD GASKET 0CG20-M32201_0002_01 Information FIG 20. BONNET 0CG20-M32201_0020_01 Information FIG 21. SUCTION MANIFOLD 0CG20-M32201_0021_01 Information FIG 22. EXHAUST MANIFOLD 0CG20-M32201_0022_01 Information FIG 23. CAMSHAFT 0CG20-M32201_0023_01 Information FIG 24. IDLE GEAR 0CG20-M32201_0024_01 Information FIG 25. WORKING VALVE DEVICE 0CG20-M32201_0025_01 Information FIG 26. TURBINE 0CG20-M32201_0026_01 Information FIG 27. TURBINE(INNER PARTS) 0CG20-M32201_0027_01 Information FIG 28. TURBINE(INNER PARTS) 0CG20-M32201_0028_01 Information FIG 29. EXHAUST BEND 0CG20-M32201_0029_01 Information FIG 3. CAMSHAFT COVER 0CG20-M32201_0003_01 Information FIG 30. AIR DUCT 0CG20-M32201_0030_01 Information FIG 31. INTER COOLER 0CG20-M32201_0031_01 Information FIG 32. CRANKSHAFT & FLYWHEEL 0CG20-M32201_0032_01 Information FIG 33. PISTON & CONNECTING ROD 0CG20-M32201_0033_01 Information FIG 34. V-PULLEY 0CG20-M32201_0034_01 Information FIG 35. LUB.OIL PUMP 0CG20-M32201_0035_01 Information FIG 36. LUB.OIL COOLER 0CG20-M32201_0036_01 Information FIG 37. L.O.PRESSUER REGULATING VALVE 0CG20-M32201_0037_01 Information FIG 38. LUB.OIL DIPSTICK 0CG20-M32201_0038_01 Information FIG 39. L.O.STRAINER & BY-PASS STRAINER 0CG20-M32201_0039_01 Information FIG 4. GEAR HOUSING 0CG20-M32201_0004_01 Information FIG 40. LUB.OIL PIPE(LUB.OIL COOLER) 0CG20-M32201_0040_01 Information FIG 41. LUB.OIL PIPE(TURBOCHARGER) 0CG20-M32201_0041_01 Information FIG 42. LUB.OIL PIPE(C.F.W.PUMP DRIVING GEAR) 0CG20-M32201_0042_01 Information FIG 43. LUB.OIL PIPE(F.I.PUMP) 0CG20-M32201_0043_01 Information FIG 44. LUB. OIL PIPE(BY-PASS) 0CG20-M32201_0044_01 Information FIG 45. LUB.OIL WING PUMP 0CG20-M32201_0045_01 Information FIG 46. LUB.OIL WING PIPE(STANDARD OIL.SUMP) 0CG20-M32201_0046_01 Information FIG 47. LUB.OIL WING PIPE(DEEP TYPE OIL SUMP) 0CG20-M32201_0047_01 Information FIG 48. COOLING FRESH WATER PUMP 0CG20-M32201_0048_01 Information FIG 49. COOLING SEA WATER PUMP 0CG20-M32201_0049_01 Information FIG 5. OIL SEAL CASE(SIDE OF FLYWHEEL) 0CG20-M32201_0005_01 Information FIG 50. TENSION PULLEY 0CG20-M32201_0050_01 Information FIG 51. FRESH WATER COOLER 0CG20-M32201_0051_01 Information FIG 52. C.S.W.PIPE(C.S.W.PUMP-C.F.W.COOLER) 0CG20-M32201_0052_01 Information FIG 53. C.S.W.PIPE(F.W.COOLER OUT) 0CG20-M32201_0053_01 Information FIG 54. C.F.W.PIPE(THERMOSTAT) 0CG20-M32201_0054_01 Information FIG 55. C.F.W.PIPE(L.O.COOLER IN, BLOCK IN) 0CG20-M32201_0055_01 Information FIG 56. C.S.W.PIPE(AIR COOLER) 0CG20-M32201_0056_01 Information FIG 57. C.F.W.BEND(HEAD-EXH.MANIFOLD) 0CG20-M32201_0057_01 Information FIG 58. SUPPORT(SEA WATER PIPE) 0CG20-M32201_0058_01 Information FIG 59. COVER(CYLINDER BLOCK) 0CG20-M32201_0059_01 Information FIG 6. OIL SEAL CASE(OPPOSITE SIDE OF FLYWHEEL) 0CG20-M32201_0006_01 Information FIG 60. FUEL INJECTION PUMP 0CG20-M32201_0060_01 Information FIG 61. FUEL FEED PUMP 0CG20-M32201_0061_01 Information FIG 62. COUPLING 0CG20-M32201_0062_01 Information FIG 63. GOVERNOR HOUSING 0CG20-M32201_0063_01 Information FIG 64. HANDLE ASSY(MECHANICAL GOVERNOR) 0CG20-M32201_0064_01 Information FIG 65. MOTOR DRIVE GOVERNOR 0CG20-M32201_0065_01 Information FIG 66. FUEL INJECTION VALVE 0CG20-M32201_0066_01 Information FIG 67. F.I.PUMP DRIVING DEVICE 0CG20-M32201_0067_01 Information FIG 68. FUEL INJECTION PUMP BRACKET 0CG20-M32201_0068_01 Information FIG 69. FUEL FILTER(SINGLE) 0CG20-M32201_0069_01 Information FIG 7. FLYWHEEL HOUSING 0CG20-M32201_0007_01 Information FIG 70. FUEL STRAINER(DUPLEX) 0CG20-M32201_0070_01 Information FIG 71. OIL/WATER SEPARATOR 0CG20-M32201_0071_01 Information FIG 72. FUEL PIPE(PUMP IN) 0CG20-M32201_0072_01 Information FIG 73. FUEL PIPE(PUMP-STRAINER) 0CG20-M32201_0073_01 Information FIG 74. FUEL INJECTION PIPE 0CG20-M32201_0074_01 Information FIG 75. SUPPORT(F.I.PIPE) 0CG20-M32201_0075_01 Information FIG 76. FUEL OVERFLOW PIPE(F.I.VALVE) 0CG20-M32201_0076_01 Information FIG 77. FUEL PIPE(PUMP RETURN) 0CG20-M32201_0077_01 Information FIG 78. FUEL OVERFLOW PIPE(F.I.PUMP) 0CG20-M32201_0078_01 Information FIG 79. FUEL OVERFLOW PIPE(DOUBLE INJECTION PIPE) 0CG20-M32201_0079_01 Information FIG 8. LUB. OIL SUMP(STANDARD) 0CG20-M32201_0008_01 Information FIG 80. FUEL OVERFLOW TANK 0CG20-M32201_0080_01 Information FIG 81. FUEL OVERFLOW ALARM(DOUBLE INJECTION PIPE) 0CG20-M32201_0081_01 Information FIG 82. ENGINE STOP DEVICE 0CG20-M32201_0082_01 Information FIG 83. AIR MOTOR 0CG20-M32201_0083_01 Information FIG 84. STARTING MOTOR 0CG20-M32201_0084_01 Information FIG 85. GENERATOR 0CG20-M32201_0085_01 Information FIG 86. GENERATOR COMPONENT PART 0CG20-M32201_0086_01 Information FIG 87. BATTERY SWITCH 0CG20-M32201_0087_01 Information FIG 89. INSTRUMENT PANEL(FROM E0188) 0CG20-M32201_0089_01 Information FIG 9. LUB. OIL SUMP(DEEP TYPE) 0CG20-M32201_0009_01 Information FIG 90. INSTRUMENT PANEL BRACKET 0CG20-M32201_0090_01 Information FIG 91. TACHOMETER 0CG20-M32201_0091_01 Information FIG 92. THERMOMETER 0CG20-M32201_0092_01 Information FIG 93. TOOL 0CG20-M32201_0093_01 Information FIG 94. SPECIAL TOOL 0CG20-M32201_0094_01 Information FIG 95. (49A)COOLING PUMP(SEA WATER)(JABSCO TYPE) 0CG20-M32201_0095_01 Information FIG 96. (52A)C.S.W.PIPE(JABSCO PUMP-F.W.COOLER) 0CG20-M32201_0096_01 Information FIG 97. (14A)BREATHER PIPE(CLASS ABS) 0CG20-M32201_0097_01 Information FIG 98. (31A)INTER COOLER(CENTRAL COOLING) 0CG20-M32201_0098_01 Information FIG 99. (34A)DAMPER & V-PULLY(OPTIONAL) 0CG20-M32201_0099_01 Information