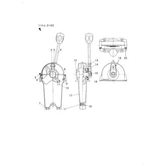
Y-5XX75 Large Grid View Table View FIG 20. REMOTE CONTROL STAND(OPTIONAL) 0CF10-M27702_0020_02 Information FIG 24. REMO-CON.COMPONENT PART(MVT5470)(OPTIONAL) 0CF10-M27702_0024_02 Information