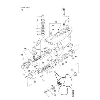
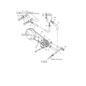
SZ251R-F Large Grid View Table View FIG 1. TRANSOM PLATE 0CF10-M51201_0001_02 Information FIG 10. STEERING LEVER 0CF10-M51201_0010_02 Information FIG 12. TILT SENSOR 0CF10-M51201_0012_02 Information FIG 13. SUPPLY WATER LINE 0CF10-M51201_0013_02 Information FIG 14. HYDRAULIC PIPING DEVICE 0CF10-M51201_0014_02 Information FIG 16. POWER UNIT COMPONENT PART(PU11) 0CF10-M51201_0016_02 Information FIG 18. POWER UNIT COMPONENT PART(PU8A)(PREVIOUS) 0CF10-M51201_0018_02 Information FIG 19. POWER UNIT COMPONENT PART(PU8A)(NEW) 0CF10-M51201_0019_02 Information FIG 20. HYDRAULIC CYLINDER 0CF10-M51201_0020_02 Information FIG 21. BOOSTER 0CF10-M51201_0021_02 Information FIG 22. VANE PUMP 0CF10-M51201_0022_02 Information FIG 23. LUB. OIL WASTE PUMP(OPTIONAL) 0CF10-M51201_0023_02 Information FIG 24. TOOL(A)(OPTIONAL) 0CF10-M51201_0024_02 Information FIG 25. TOOL(B)(OPTIONAL) 0CF10-M51201_0025_02 Information FIG 26. SPECIAL TOOL(A)(OPTIONAL) 0CF10-M51201_0026_02 Information FIG 27. SPECIAL TOOL(B)(OPTIONAL) 0CF10-M51201_0027_02 Information FIG 3. UPPER GEAR HOUSING(SZ251/R,-F) 0CF10-M51201_0003_02 Information FIG 4. LOWER GEAR HOUSING 0CF10-M51201_0004_02 Information FIG 5. EXTENSION 100(OPTIONAL) 0CF10-M51201_0005_02 Information FIG 6. HANGER 0CF10-M51201_0006_02 Information FIG 7. INPUT SHAFT 0CF10-M51201_0007_02 Information FIG 8. CONNECTING SHAFT 0CF10-M51201_0008_02 Information FIG 9. INTERMEDIATE SHAFT(OPTIONAL) 0CF10-M51201_0009_02 Information