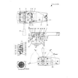
KL SIDE J Large Grid View Table View FIG 34. REMOTE CONTROL STAND(OPTIONAL) 0CF10-M51201_0034_02 Information FIG 37. KL SIDE CONTROL COMPONENT PART(OPTINAL) 0CF10-M51201_0037_02 Information