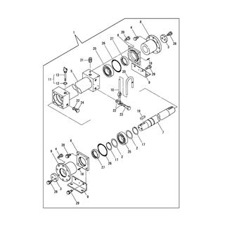
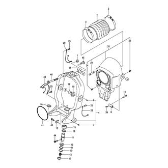
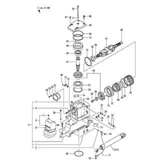
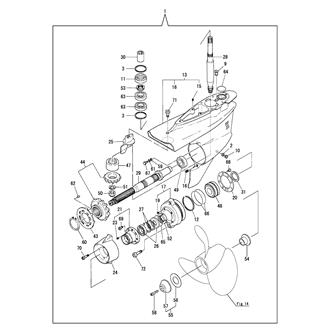
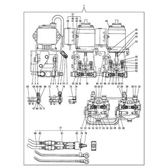
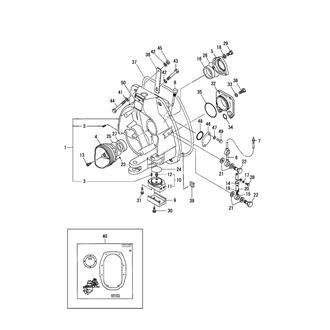
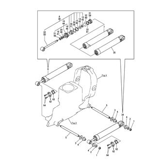
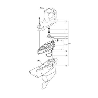
SZ253 Large Grid View Table View FIG 1. TRANSOM PLATE 0CF50-M00050_0001_00 Information FIG 10. HYDRAULIC POWER UNIT(PU8A)(12V SPEC) 0CF50-M00050_0010_00 Information FIG 11. HYDRAULIC POWER UNIT(PU7-4A)(24V SPEC)(OPTIONAL) 0CF50-M00050_0011_00 Information FIG 12. HYDRAULIC POWER UNIT(PU-11)(24V SPEC)(OPTIONAL) 0CF50-M00050_0012_00 Information FIG 13. EXTENSION(OPTIONAL) 0CF50-M00050_0013_00 Information FIG 14. PROPELLER(OPTIONAL) 0CF50-M00050_0014_00 Information FIG 15. CONNECTING SHAFT(OPTIONAL) 0CF50-M00050_0015_00 Information FIG 16. INTERMEDIATE SHAFT(OPTIONAL) 0CF50-M00050_0016_00 Information FIG 17. TOOL(A)(OPTIONAL) 0CF50-M00050_0017_00 Information FIG 18. TOOL(B)(OPTIONAL) 0CF50-M00050_0018_00 Information FIG 19. SPECIAL TOOL(A)(OPTIONAL) 0CF50-M00050_0019_00 Information FIG 2. UPPER GEAR HOUSING 0CF50-M00050_0002_00 Information FIG 20. SPECIAL TOOL(B)(OPTIONAL) 0CF50-M00050_0020_00 Information FIG 3. LOWER GEAR HOUSING 0CF50-M00050_0003_00 Information FIG 4. HANGER 0CF50-M00050_0004_00 Information FIG 5. INPUT SHAFT 0CF50-M00050_0005_00 Information FIG 6. STEERING LEVER 0CF50-M00050_0006_00 Information FIG 7. TILT SENSOR 0CF50-M00050_0007_00 Information FIG 8. HYDRAULIC HOSE 0CF50-M00050_0008_00 Information FIG 9. HYDRAULIC CYLINDER 0CF50-M00050_0009_00 Information