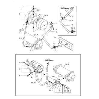
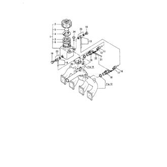
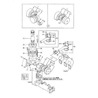
4CH-T Large Grid View Table View FIG 1. CYLINDER BLOCK 0CF10-M27403_0001_02 Information FIG 10. SUC./EXH.VALVE ROCKER ARM 0CF10-M27403_0010_02 Information FIG 12. BONNET 0CF10-M27403_0012_02 Information FIG 13. SUCTION MANIFOLD(4CH,4CH-T,4CH25) 0CF10-M27403_0013_02 Information FIG 16. EXHAUST MANIFOLD(4CH-T) 0CF10-M27403_0016_02 Information FIG 17. CAMSHAFT & DRIVING GEAR 0CF10-M27403_0017_02 Information FIG 18. TURBOCHARGER 0CF10-M27403_0018_02 Information FIG 19. TURBOCHARGER COMPONENT PARTS 0CF10-M27403_0019_02 Information FIG 2. GEAR HOUSING 0CF10-M27403_0002_02 Information FIG 20. CRANKSHAFT & FLYWHEEL 0CF10-M27403_0020_02 Information FIG 21. PISTON & CONNECTING ROD 0CF10-M27403_0021_02 Information FIG 22. BALANCER 0CF10-M27403_0022_02 Information FIG 23. LUB.OIL PUMP 0CF10-M27403_0023_02 Information FIG 24. LUB.OIL COOLER 0CF10-M27403_0024_02 Information FIG 25. LUB.OIL STRAINER 0CF10-M27403_0025_02 Information FIG 26. LUB.OIL PIPE 0CF10-M27403_0026_02 Information FIG 27. LUB.OIL PIPE(TURBOCHARGER) 0CF10-M27403_0027_02 Information FIG 28. OIL SUCTION/DRAIN PIPE 0CF10-M27403_0028_02 Information FIG 29. OIL SUCTION/DRAIN PUMP 0CF10-M27403_0029_02 Information FIG 3. FLYWHEEL HOUSING 0CF10-M27403_0003_02 Information FIG 30. BILGE PUMP(OPTIONAL) 0CF10-M27403_0030_02 Information FIG 31. BILGE PUMP(STD,OPTIONAL) 0CF10-M27403_0031_02 Information FIG 32. BILGE PUMP(DX,OPTIONAL) 0CF10-M27403_0032_02 Information FIG 33. BILGE PUMP(OPTIONAL) 0CF10-M27403_0033_02 Information FIG 34. COOLING PUMP(SEA WATER) 0CF10-M27403_0034_02 Information FIG 35. COOLING FRESH WATER PUMP 0CF10-M27403_0035_02 Information FIG 36. COOLING FRESH WATER COOLER 0CF10-M27403_0036_02 Information FIG 37. COOLING PIPE(SEA WATER) 0CF10-M27403_0037_02 Information FIG 38. COOLING FRESH WATER PIPE 0CF10-M27403_0038_02 Information FIG 39. FRESH WATER CHANGE-OVER VALVE(OPTIONAL) 0CF10-M27403_0039_02 Information FIG 4. LUB.OIL SUMP 0CF10-M27403_0004_02 Information FIG 40. ONE TOUCH DRAIN COCK(OPTIONAL) 0CF10-M27403_0040_02 Information FIG 41. THERMOSTAT(OPTIONAL) 0CF10-M27403_0041_02 Information FIG 43. FUEL INJECTION PUMP 0CF10-M27403_0043_02 Information FIG 44. GOVERNOR 0CF10-M27403_0044_02 Information FIG 45. FUEL FEED PUMP 0CF10-M27403_0045_02 Information FIG 46. FUEL INJECTION VALVE 0CF10-M27403_0046_02 Information FIG 47. FUEL PIPE 0CF10-M27403_0047_02 Information FIG 48. FUEL STRAINER 0CF10-M27403_0048_02 Information FIG 49. WATER SEPARATOR 0CF10-M27403_0049_02 Information FIG 5. MOUNTING FOOT 0CF10-M27403_0005_02 Information FIG 50. ENGINE STOP DEVICE 0CF10-M27403_0050_02 Information FIG 51. CABLE BRACKET 0CF10-M27403_0051_02 Information FIG 52. REMOTE CONTROL STAND 0CF10-M27403_0052_02 Information FIG 53. CLUTCH 0CF10-M27403_0053_02 Information FIG 54. CLUTCH CONNECTING PARTS 0CF10-M27403_0054_02 Information FIG 55. FRONT P.T.O. 0CF10-M27403_0055_02 Information FIG 56. STARTER MOTOR 0CF10-M27403_0056_02 Information FIG 57. STARTER MOTOR 0CF10-M27403_0057_02 Information FIG 58. STARTER MOTOR 0CF10-M27403_0058_02 Information FIG 59. GENERATOR(OPTIONAL) 0CF10-M27403_0059_02 Information FIG 6. BREATHER 0CF10-M27403_0006_02 Information FIG 60. GENERATOR 0CF10-M27403_0060_02 Information FIG 61. GENERATOR(1KW,OPTIONAL) 0CF10-M27403_0061_02 Information FIG 62. V-BELT COVER 0CF10-M27403_0062_02 Information FIG 63. WIRE HARNESS 0CF10-M27403_0063_02 Information FIG 64. WIRE HARNESS 0CF10-M27403_0064_02 Information FIG 65. SENSOR 0CF10-M27403_0065_02 Information FIG 66. INSTRUMENT PANEL 0CF10-M27403_0066_02 Information FIG 67. INSTRUMENT PANEL 0CF10-M27403_0067_02 Information FIG 7. LABEL 0CF10-M27403_0007_02 Information FIG 70. SUCTION PRESSURE GAUGE 0CF10-M27403_0070_02 Information FIG 71. TOOL 0CF10-M27403_0071_02 Information FIG 72. TOOL(OPTIONAL) 0CF10-M27403_0072_02 Information FIG 73. REPAIR SET(OPTIONAL) 0CF10-M27403_0073_02 Information FIG 74. SAFETY LABEL 0CF10-M27403_0074_02 Information FIG 8. CYLINDER HEAD 0CF10-M27403_0008_02 Information FIG 81. (58A)STARTER MOTOR 0CF10-M27403_0081_02 Information