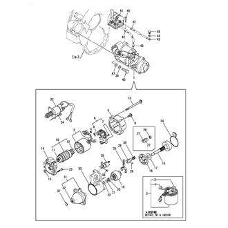
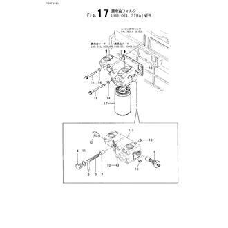
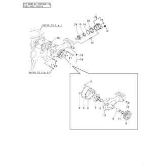
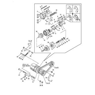
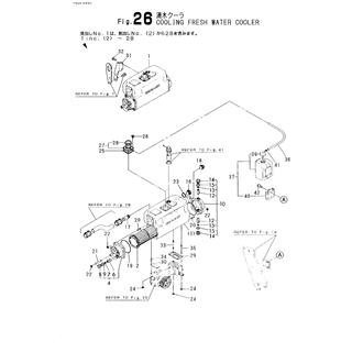
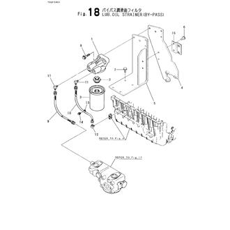
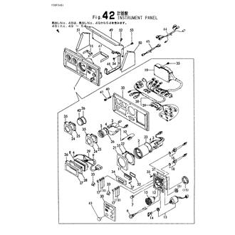
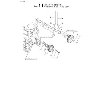
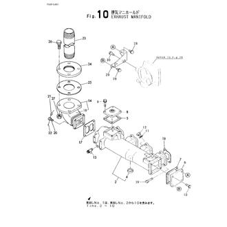
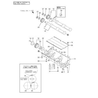
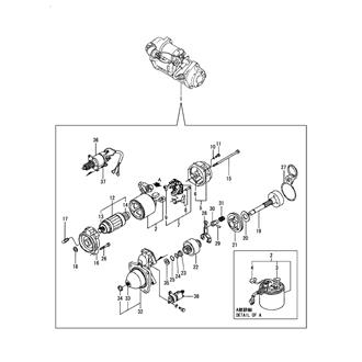
4CH25C Large Grid View Table View FIG 1. CYLINDER BLOCK 0CF10-M54901_0001_00 Information FIG 10. EXHAUST MANIFOLD 0CF10-M54901_0010_00 Information FIG 11. CAMSHAFT & DRIVING GEAR 0CF10-M54901_0011_00 Information FIG 12. CRANKSHAFT & FLYWHEEL 0CF10-M54901_0012_00 Information FIG 13. PISTON & CONNECTING ROD 0CF10-M54901_0013_00 Information FIG 14. BALANCER 0CF10-M54901_0014_00 Information FIG 15. LUB.OIL PUMP 0CF10-M54901_0015_00 Information FIG 16. LUB.OIL COOLER 0CF10-M54901_0016_00 Information FIG 17. LUB.OIL STRAINER 0CF10-M54901_0017_00 Information FIG 18. LUB.OIL STRAINER (BY-PASS) 0CF10-M54901_0018_00 Information FIG 19. LUB.OIL PIPE 0CF10-M54901_0019_00 Information FIG 2. GEAR HOUSING 0CF10-M54901_0002_00 Information FIG 20. BILGE PUMP(STD,OPTIONAL,PREVIOUS) 0CF10-M54901_0020_00 Information FIG 21. BILGE PUMP(DX,OPTIONAL,PREVIOUS) 0CF10-M54901_0021_00 Information FIG 22. BILGE PUMP(STD,OPTIONAL,NEW) 0CF10-M54901_0022_00 Information FIG 23. OIL SUCTION/DRAIN PUMP 0CF10-M54901_0023_00 Information FIG 24. COOLING PUMP(SEA WATER) 0CF10-M54901_0024_00 Information FIG 25. COOLING FRESH WATER PUMP 0CF10-M54901_0025_00 Information FIG 26. COOLING FRESH WATER COOLER 0CF10-M54901_0026_00 Information FIG 27. COOLING SEA WATER PIPE 0CF10-M54901_0027_00 Information FIG 28. COOLING FRESH WATER PIPE 0CF10-M54901_0028_00 Information FIG 29. FUEL INJECTION PUMP 0CF10-M54901_0029_00 Information FIG 3. FLYWHEEL HOUSING 0CF10-M54901_0003_00 Information FIG 30. GOVERNOR 0CF10-M54901_0030_00 Information FIG 31. FUEL FEED PUMP 0CF10-M54901_0031_00 Information FIG 32. FUEL INJECTION VALVE 0CF10-M54901_0032_00 Information FIG 33. FUEL STRAINER 0CF10-M54901_0033_00 Information FIG 34. OIL/WATER SEPARATOR 0CF10-M54901_0034_00 Information FIG 35. FUEL OIL PIPE 0CF10-M54901_0035_00 Information FIG 36. ENGINE STOP DEVICE 0CF10-M54901_0036_00 Information FIG 37. V-BELT COVER 0CF10-M54901_0037_00 Information FIG 38. CLUTCH 0CF10-M54901_0038_00 Information FIG 39. STARTING MOTOR 0CF10-M54901_0039_00 Information FIG 4. LUB. OIL SUMP 0CF10-M54901_0004_00 Information FIG 40. GENERATOR 0CF10-M54901_0040_00 Information FIG 41. WIRE HARNESS & SENSOR 0CF10-M54901_0041_00 Information FIG 42. INSTRUMENT PANEL 0CF10-M54901_0042_00 Information FIG 43. TOOL 0CF10-M54901_0043_00 Information FIG 44. (39A)STARTING MOTOR COMPONENT PARTS 0CF10-M54901_0044_00 Information FIG 5. MOUNTING FOOT 0CF10-M54901_0005_00 Information FIG 6. LABEL 0CF10-M54901_0006_00 Information FIG 7. CYLINDER HEAD & BONNET 0CF10-M54901_0007_00 Information FIG 8. SUC./EXH. VALVE ROCKER ARM 0CF10-M54901_0008_00 Information FIG 9. SUCTION PIPE 0CF10-M54901_0009_00 Information