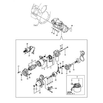
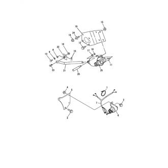
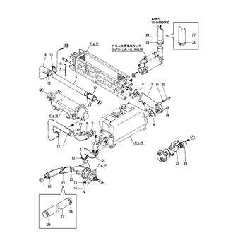
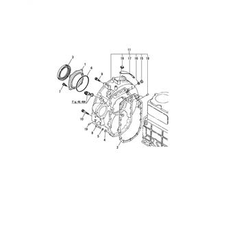
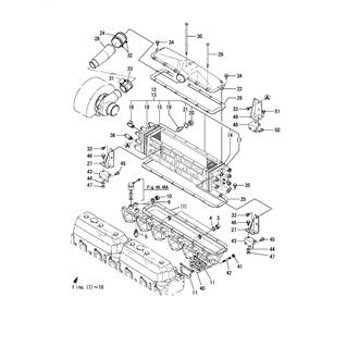
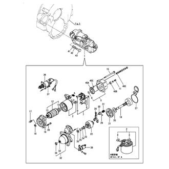
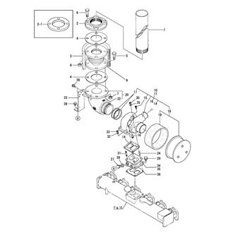
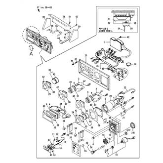
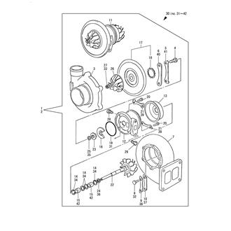
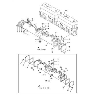
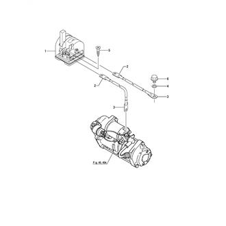
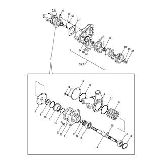
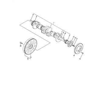
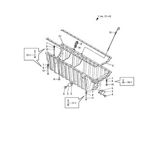
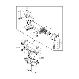
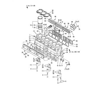
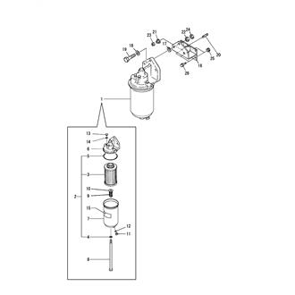
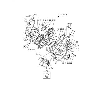
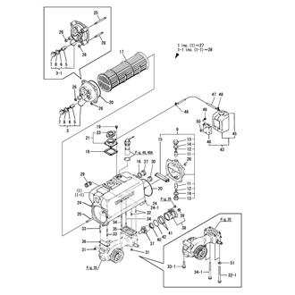
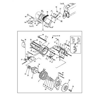
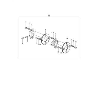
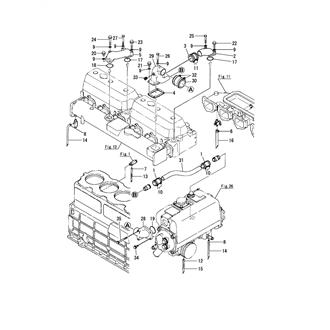
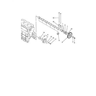
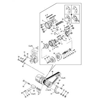
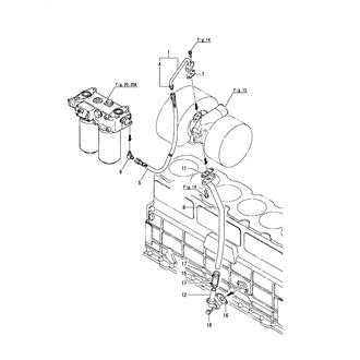
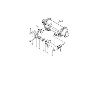
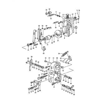
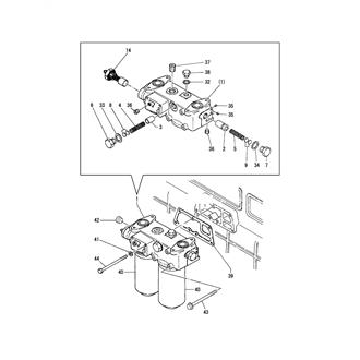
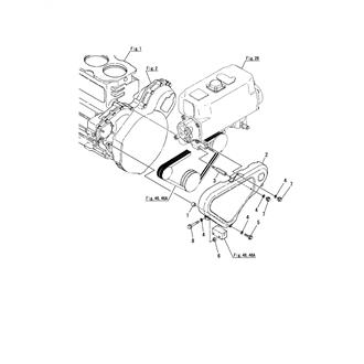
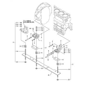
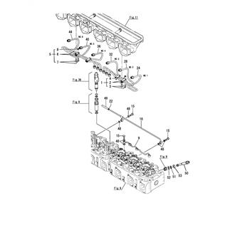
6CHQ1-WDT Large Grid View Table View FIG 1. CYLINDER BLOCK 0CF10-M63901_0001_01 Information FIG 10. ROCKER ARM 0CF10-M63901_0010_01 Information FIG 11. SUCTION MANIFOLD & INTER COOLER 0CF10-M63901_0011_01 Information FIG 12. EXHAUST MANIFOLD 0CF10-M63901_0012_01 Information FIG 13. TURBINE 0CF10-M63901_0013_01 Information FIG 14. TURBINE(INNER PARTS) 0CF10-M63901_0014_01 Information FIG 15. CAMSHAFT 0CF10-M63901_0015_01 Information FIG 16. CRANKSHAFT & FLYWHEEL 0CF10-M63901_0016_01 Information FIG 17. PISTON & CONNECTING ROD 0CF10-M63901_0017_01 Information FIG 18. LUB. OIL PUMP 0CF10-M63901_0018_01 Information FIG 19. LUB. OIL COOLER 0CF10-M63901_0019_01 Information FIG 2. GEAR HOUSING 0CF10-M63901_0002_01 Information FIG 20. LUB. OIL FILTER(EARTH TYPE) 0CF10-M63901_0020_01 Information FIG 21. LUB. OIL THERMOSTAT 0CF10-M63901_0021_01 Information FIG 22. LUB. OIL PIPE 0CF10-M63901_0022_01 Information FIG 23. LUB. OIL PIPE(TURBINE) 0CF10-M63901_0023_01 Information FIG 24. COOLING PUMP(SEA WATER) 0CF10-M63901_0024_01 Information FIG 25. COOLING PUMP(FRESH WATER) 0CF10-M63901_0025_01 Information FIG 26. COOLER(FRESH WATER) 0CF10-M63901_0026_01 Information FIG 27. COOLING PIPE(SEA WATER) 0CF10-M63901_0027_01 Information FIG 29. COOLING PIPE(FRESH WATER) 0CF10-M63901_0029_01 Information FIG 3. FLYWHEEL HOUSING 0CF10-M63901_0003_01 Information FIG 30. BILGE PUMP(OPTIONAL) 0CF10-M63901_0030_01 Information FIG 31. FUEL INJECTION PUMP 0CF10-M63901_0031_01 Information FIG 32. GOVERNOR 0CF10-M63901_0032_01 Information FIG 33. FUEL FEED PUMP 0CF10-M63901_0033_01 Information FIG 34. TIMER 0CF10-M63901_0034_01 Information FIG 35. COUPLING 0CF10-M63901_0035_01 Information FIG 36. FUEL INJECTION VALVE 0CF10-M63901_0036_01 Information FIG 37. DRIVING DEVICE(FUEL INJECTION PUMP) 0CF10-M63901_0037_01 Information FIG 38. BRACKET(FUEL INJECTION PUMP) 0CF10-M63901_0038_01 Information FIG 39. FUEL INJECTION PIPE 0CF10-M63901_0039_01 Information FIG 4. OIL SUMP 0CF10-M63901_0004_01 Information FIG 40. FUEL PIPE 0CF10-M63901_0040_01 Information FIG 41. FUEL FILTER 0CF10-M63901_0041_01 Information FIG 42. WATER SEPARATOR 0CF10-M63901_0042_01 Information FIG 43. ENGINE STOP DEVICE(EARTH TYPE) 0CF10-M63901_0043_01 Information FIG 44. CABLE SUPPORT 0CF10-M63901_0044_01 Information FIG 45. STARTER MOTOR(EARTH TYPE) 0CF10-M63901_0045_01 Information FIG 46. GENERATOR(600W SPEC.)(TO E/#6929) 0CF10-M63901_0046_01 Information FIG 47. COVER(V-BELT)(TO E/#6929) 0CF10-M63901_0047_01 Information FIG 48. WIRE HARNESS & SENSOR(EARTH TYPE) 0CF10-M63901_0048_01 Information FIG 50. INSTRUMENT PANEL(D-TYPE) 0CF10-M63901_0050_01 Information FIG 51. CLUTCH 0CF10-M63901_0051_01 Information FIG 53. TOOL 0CF10-M63901_0053_01 Information FIG 54. TOOL(OPTIONAL) 0CF10-M63901_0054_01 Information FIG 55. LABEL(SAFETY) 0CF10-M63901_0055_01 Information FIG 57. (5B)MOUNTING FOOT(FOR YX-50L-5,YX-50N-7) 0CF10-M63901_0057_01 Information FIG 58. (12A)EXHAUST SILENCER(OPTIONAL) 0CF10-M63901_0058_01 Information FIG 59. (20A)LUB. OIL FILTER(EARTH FLOAT TYPE) 0CF10-M63901_0059_01 Information FIG 60. (20B)OIL SUCTION/DRAIN PUMP(OPTIONAL) 0CF10-M63901_0060_01 Information FIG 61. (26A)FILTER(SEA WATER)(SINGLE) 0CF10-M63901_0061_01 Information FIG 62. (26B)FILTER(SEA WATER)(DUPLEX) 0CF10-M63901_0062_01 Information FIG 63. (30A)KINGSTON VALVE(OPTIONAL) 0CF10-M63901_0063_01 Information FIG 64. (42A)WATER SEPARATOR(OPTIONAL) 0CF10-M63901_0064_01 Information FIG 65. (43A)ENGINE STOP DEVICE(EARTH FLOAT TYPE) 0CF10-M63901_0065_01 Information FIG 66. (44A)REMOTE CONTROL HEAD 0CF10-M63901_0066_01 Information FIG 67. (45A)STARTER MOTOR(EARTH FLOAT TYPE) 0CF10-M63901_0067_01 Information FIG 68. (45B)SWITCH(BATTERY) 0CF10-M63901_0068_01 Information FIG 69. (46A)GENERATOR(1KW SPEC.)(TO E/#6929) 0CF10-M63901_0069_01 Information FIG 7. BREATHER 0CF10-M63901_0007_01 Information FIG 70. (48A)WIRE HARNESS & SENSOR(EARTH FLOAT TYPE) 0CF10-M63901_0070_01 Information FIG 71. (50A)INSTRUMENT PANEL(D-TYPE)(2-PANEL SPEC.) 0CF10-M63901_0071_01 Information FIG 72. (51A)THERMOMETER 0CF10-M63901_0072_01 Information FIG 73. (51B)LEGAL SPARE PARTS(JCI)(COASTING AREA) 0CF10-M63901_0073_01 Information FIG 74. (46B)GENERATOR & COVER(V-BELT)(FROM E/#6930) 0CF10-M63901_0074_01 Information FIG 8. LABEL 0CF10-M63901_0008_01 Information FIG 9. CYLINDER HEAD 0CF10-M63901_0009_01 Information