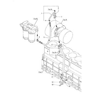
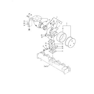
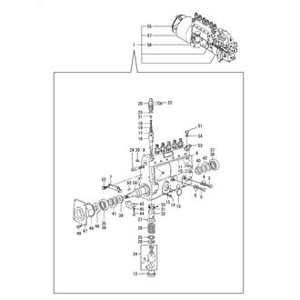
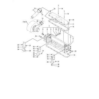
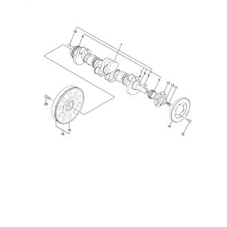
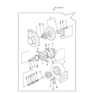
6CH-WDTE Large Grid View Table View FIG 1. CYLINDER BLOCK 0CF50-M00190_0001_00 Information FIG 10. ROCKER ARM 0CF50-M00190_0010_00 Information FIG 11. SUCTION MANIFOLD 0CF50-M00190_0011_00 Information FIG 12. EXHAUST MANIFOLD 0CF50-M00190_0012_00 Information FIG 13. EXHAUST PIPE(6CH-WDTE) 0CF50-M00190_0013_00 Information FIG 15. CAMSHAFT & DRIVING GEAR 0CF50-M00190_0015_00 Information FIG 16. TURBINE(6CH-WDTE) 0CF50-M00190_0016_00 Information FIG 17. TURBINE(INNER PARTS)(6CH-WDTE) 0CF50-M00190_0017_00 Information FIG 2. GEAR HOUSING 0CF50-M00190_0002_00 Information FIG 20. INTER COOLER(6CH-WDTE) 0CF50-M00190_0020_00 Information FIG 22. CRANKSHAFT & FLYWHEEL(6CH-WDTE) 0CF50-M00190_0022_00 Information FIG 24. PISTON & CONNECTING ROD(6CH-WDTE) 0CF50-M00190_0024_00 Information FIG 26. LUB. OIL PUMP 0CF50-M00190_0026_00 Information FIG 27. LUB. OIL COOLER(6CH-WDTE) 0CF50-M00190_0027_00 Information FIG 29. LUB. OIL THERMOSTAT 0CF50-M00190_0029_00 Information FIG 3. FLYWHEEL HOUSING 0CF50-M00190_0003_00 Information FIG 30. LUB. OIL FILTER 0CF50-M00190_0030_00 Information FIG 31. LUB. OIL FILTER(EARTH FLOAT TYPE) 0CF50-M00190_0031_00 Information FIG 33. LUB. OIL PIPE 0CF50-M00190_0033_00 Information FIG 34. LUB. OIL PIPE(TURBINE)(6CH-WDTE) 0CF50-M00190_0034_00 Information FIG 36. OIL SUCTION/DRAIN PUMP 0CF50-M00190_0036_00 Information FIG 37. COOLING PUMP(SEA WATER) 0CF50-M00190_0037_00 Information FIG 38. COOLING PUMP(FRESH WATER) 0CF50-M00190_0038_00 Information FIG 39. COOLER(FRESH WATER) 0CF50-M00190_0039_00 Information FIG 4. OIL SUMP 0CF50-M00190_0004_00 Information FIG 40. COOLING PIPE(SEA WATER) 0CF50-M00190_0040_00 Information FIG 41. COOLING PIPE(FRESH WATER) 0CF50-M00190_0041_00 Information FIG 42. FILTER(SEA WATER) 0CF50-M00190_0042_00 Information FIG 43. KINGSTON VALVE & KINGSTON COCK 0CF50-M00190_0043_00 Information FIG 44. BILGE PUMP 0CF50-M00190_0044_00 Information FIG 45. BILGE PUMP(OPTIONAL) 0CF50-M00190_0045_00 Information FIG 46. FUEL INJECTION PUMP(6CH-WDTE) 0CF50-M00190_0046_00 Information FIG 48. GOVERNOR 0CF50-M00190_0048_00 Information FIG 49. FUEL FEED PUMP 0CF50-M00190_0049_00 Information FIG 5. MOUNTING FOOT 0CF50-M00190_0005_00 Information FIG 50. COUPLING(6CH-WDTE) 0CF50-M00190_0050_00 Information FIG 52. FUEL INJECTION VALVE 0CF50-M00190_0052_00 Information FIG 53. FUEL INJECTION PUMP DRIVING DEVICE(6CH-WDTE) 0CF50-M00190_0053_00 Information FIG 55. FUEL INJECTION PUMP MOUNT 0CF50-M00190_0055_00 Information FIG 56. FUEL FILTER 0CF50-M00190_0056_00 Information FIG 57. WATER SEPARATOR 0CF50-M00190_0057_00 Information FIG 58. FUEL PIPE 0CF50-M00190_0058_00 Information FIG 59. ENGINE STOP DEVICE 0CF50-M00190_0059_00 Information FIG 6. MOUNTING FOOT(STEEL VESSEL) 0CF50-M00190_0006_00 Information FIG 60. ENGINE STOP DEVICE(MOTOR SOLENOID) 0CF50-M00190_0060_00 Information FIG 61. ENGINE STOP DEVICE(EARTH FLOAT TYPE) 0CF50-M00190_0061_00 Information FIG 62. CABLE SUPPORT 0CF50-M00190_0062_00 Information FIG 63. REMOTE CONTROL HEAD 0CF50-M00190_0063_00 Information FIG 64. STARTER MOTOR 0CF50-M00190_0064_00 Information FIG 65. STARTER MOTOR(EARTH FLOAT TYPE) 0CF50-M00190_0065_00 Information FIG 66. GENERATOR 0CF50-M00190_0066_00 Information FIG 67. COVER(V-BELT) 0CF50-M00190_0067_00 Information FIG 68. WIRE HARNESS 0CF50-M00190_0068_00 Information FIG 69. WIRE HARNESS(ERATH FLOAT TYPE) 0CF50-M00190_0069_00 Information FIG 7. BREATHER 0CF50-M00190_0007_00 Information FIG 70. SENSOR 0CF50-M00190_0070_00 Information FIG 71. SENSOR(EARTH FLOAT TYPE) 0CF50-M00190_0071_00 Information FIG 72. EXHAUST THERMOMETER & BATTERY 0CF50-M00190_0072_00 Information FIG 73. CLUTCH 0CF50-M00190_0073_00 Information FIG 74. FRONT DRIVING DEVICE 0CF50-M00190_0074_00 Information FIG 75. INSTRUMENT PANEL(B-TYPE) 0CF50-M00190_0075_00 Information FIG 76. INSTRUMENT PANEL(D-TYPE) 0CF50-M00190_0076_00 Information FIG 77. TOOL 0CF50-M00190_0077_00 Information FIG 78. TOOL(OPTIONAL) 0CF50-M00190_0078_00 Information FIG 79. TOOL(TAIWAN)(OPTIONAL) 0CF50-M00190_0079_00 Information FIG 8. LABEL 0CF50-M00190_0008_00 Information FIG 80. SPARE PARTS 0CF50-M00190_0080_00 Information FIG 81. (66A)GENERATOR & COVER(V-BELT) 0CF50-M00190_0081_00 Information FIG 9. CYLINDER HEAD 0CF50-M00190_0009_00 Information