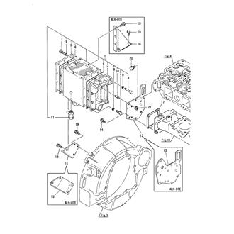
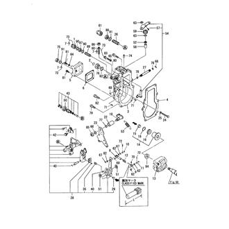
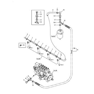
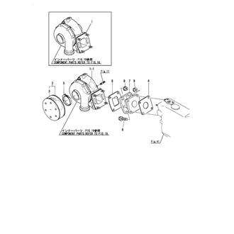
4LH-DTE Large Grid View Table View FIG 1. CYLINDER BLOCK 0CR10-M32504_0001_02 Information FIG 10. SUCTION MANIFOLD 0CR10-M32504_0010_02 Information FIG 11. MIXING ELBOW 0CR10-M32504_0011_02 Information FIG 12. CAMSHAFT 0CR10-M32504_0012_02 Information FIG 17. TURBINE(4LH-DTE) 0CR10-M32504_0017_02 Information FIG 18. TURBINE(INNER PARTS)(4LH-DTE) 0CR10-M32504_0018_02 Information FIG 19. TURBINE(INNER PARTS)(4LH-DTE) 0CR10-M32504_0019_02 Information FIG 2. GEAR HOUSING 0CR10-M32504_0002_02 Information FIG 23. AIR COOLER(4LH-HTE,DTE) 0CR10-M32504_0023_02 Information FIG 25. AIR DUCT 0CR10-M32504_0025_02 Information FIG 27. CRANKSHAFT & FLYWHEEL 0CR10-M32504_0027_02 Information FIG 28. PISTON & CONNECTING ROD 0CR10-M32504_0028_02 Information FIG 29. LUB. OIL PUMP 0CR10-M32504_0029_02 Information FIG 3. FLYWHEEL HOUSING 0CR10-M32504_0003_02 Information FIG 30. LUB. OIL COOLER 0CR10-M32504_0030_02 Information FIG 31. LUB. OIL COOLER HOUSINGG 0CR10-M32504_0031_02 Information FIG 33. LUB. OIL SYSTEM(4LH-DTE,STE) 0CR10-M32504_0033_02 Information FIG 34. LUB. OIL PIPE(TURBOCHARGER) 0CR10-M32504_0034_02 Information FIG 35. OIL SUCTION/DRAIN PUMP 0CR10-M32504_0035_02 Information FIG 36. BILGE PUMP(OPTIONAL)(UP TO EXXXXX) 0CR10-M32504_0036_02 Information FIG 37. BILGE PUMP(STD,OPTIONAL)(UP TO EXXXXX) 0CR10-M32504_0037_02 Information FIG 38. BILGE PUMP(DX,OPTIONAL)(UP TO EXXXXX) 0CR10-M32504_0038_02 Information FIG 39. COOLING FRESH WATER PUMP 0CR10-M32504_0039_02 Information FIG 4. LUB. OIL SUMP 0CR10-M32504_0004_02 Information FIG 40. COOLING SEA WATER PUMP 0CR10-M32504_0040_02 Information FIG 41. COOLING FRESH WATER COOLER 0CR10-M32504_0041_02 Information FIG 43. COOLING SEA WATER PIPE 0CR10-M32504_0043_02 Information FIG 45. COOLING FRESH WATER COOLER PIPE 0CR10-M32504_0045_02 Information FIG 46. COOLING FRESH WATER PIPE(TURBOCHARGER) 0CR10-M32504_0046_02 Information FIG 47. THERMOSTAT 0CR10-M32504_0047_02 Information FIG 48. COOLING SEA WATER STRAINER(OPTIONAL) 0CR10-M32504_0048_02 Information FIG 5. OIL SEAL HOUSING 0CR10-M32504_0005_02 Information FIG 50. FUEL INJECTION PUMP(4LH-DTE,STE) 0CR10-M32504_0050_02 Information FIG 51. GOVERNOR(4LH-DTE)(UP TO EXXXXX) 0CR10-M32504_0051_02 Information FIG 52. GOVERNOR(4LH-DTE)(FROM EXXXXX) 0CR10-M32504_0052_02 Information FIG 54. FUEL FEED PUMP 0CR10-M32504_0054_02 Information FIG 55. TIME & FUEL INJECTION PUMP DRIVING DEVICE 0CR10-M32504_0055_02 Information FIG 56. FUEL INJECTION VALVE 0CR10-M32504_0056_02 Information FIG 57. FUEL INJECTION PIPE 0CR10-M32504_0057_02 Information FIG 58. FUEL PIPE 0CR10-M32504_0058_02 Information FIG 6. LABEL 0CR10-M32504_0006_02 Information FIG 60. FUEL RETURN PIPE(4LH-DTE) 0CR10-M32504_0060_02 Information FIG 62. FUEL STRAINER 0CR10-M32504_0062_02 Information FIG 63. OIL/WATER SEPARATER(OPTIONAL) 0CR10-M32504_0063_02 Information FIG 64. ENGINE STOP DEVICE 0CR10-M32504_0064_02 Information FIG 65. SINGLE LEVER CONTROL(OPTIONAL) 0CR10-M32504_0065_02 Information FIG 66. STARTING MOTOR 0CR10-M32504_0066_02 Information FIG 67. STARTING MOTOR 0CR10-M32504_0067_02 Information FIG 68. GENERATOR 0CR10-M32504_0068_02 Information FIG 69. GENERATOR(80A,OPTIONAL)(UP TO EXXXXX) 0CR10-M32504_0069_02 Information FIG 7. ENGINE BRACKET 0CR10-M32504_0007_02 Information FIG 70. GENERATOR(80A,OPTIONAL)(FROM EXXXXX) 0CR10-M32504_0070_02 Information FIG 71. CLUTCH 0CR10-M32504_0071_02 Information FIG 72. STRAIGHT COUPLING(OPTIONAL) 0CR10-M32504_0072_02 Information FIG 73. WIRE HARNESS 0CR10-M32504_0073_02 Information FIG 74. EXTENSION WIRE(OPTIONAL) 0CR10-M32504_0074_02 Information FIG 75. SENSOR 0CR10-M32504_0075_02 Information FIG 76. SAFETY SWITCH(OPTIONAL) 0CR10-M32504_0076_02 Information FIG 77. INSTRUMENT PANEL(B-TYPE,OPTIONAL) 0CR10-M32504_0077_02 Information FIG 78. INSTRUMENT PANEL(C-TYPE,OPTIONAL)(UP TO EXXXXX) 0CR10-M32504_0078_02 Information FIG 79. INSTRUMENT PANEL(D-TYPE,OPTIONAL) 0CR10-M32504_0079_02 Information FIG 8. CYLINDER HEAD 0CR10-M32504_0008_02 Information FIG 80. INSTRUMENT PANEL(E-TYPE,OPTIONAL) 0CR10-M32504_0080_02 Information FIG 81. INSTRUMENT PANEL(B-TYPE,OPTIONAL) 0CR10-M32504_0081_02 Information FIG 82. INSTRUMENT PANEL(C-TYPE,OPTIONAL)(UP TO EXXXXX) 0CR10-M32504_0082_02 Information FIG 83. INSTRUMENT PANEL(D-TYPE,OPTIONAL) 0CR10-M32504_0083_02 Information FIG 84. TOOL 0CR10-M32504_0084_02 Information FIG 85. GASKET SET(OPTIONAL) 0CR10-M32504_0085_02 Information FIG 9. B0NNET & BREATHER 0CR10-M32504_0009_02 Information FIG 95. (23A)AIR COOLER COMPONENT PARTS(4LH-HTE,DTE) 0CR10-M32504_0095_02 Information FIG 96. (68A)GENERATOR COMPONENT PARTS 0CR10-M32504_0096_02 Information FIG 97. (78A)INSTRUMENT PANEL(C-TYPE,OPTIONAL)(FROM EXXXXX) 0CR10-M32504_0097_02 Information FIG 98. (82A)INSTRUMENT PANEL(C-TYPE,OPTIONAL)(FROM EXXXXX) 0CR10-M32504_0098_02 Information FIG 99. (38A)BILGE PUMP(OPTIONAL)(FROM EXXXXX) 0CR10-M32504_0099_02 Information