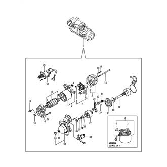
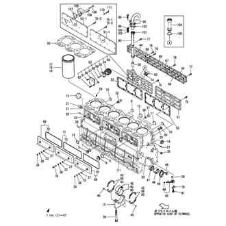
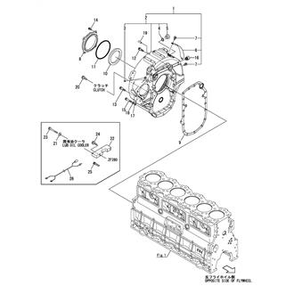
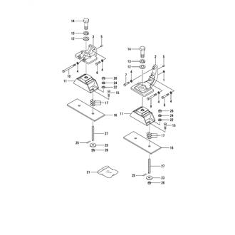
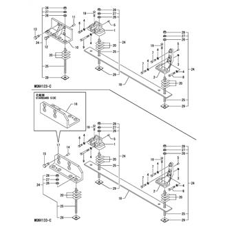
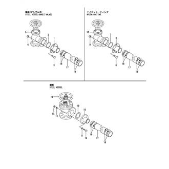
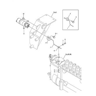
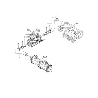
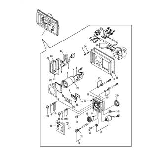
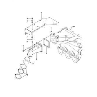
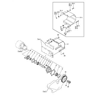
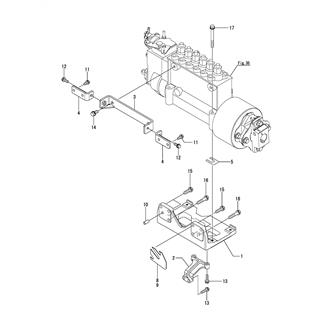
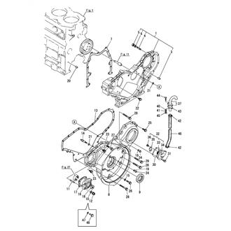
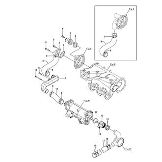
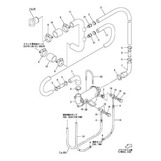
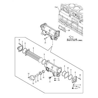
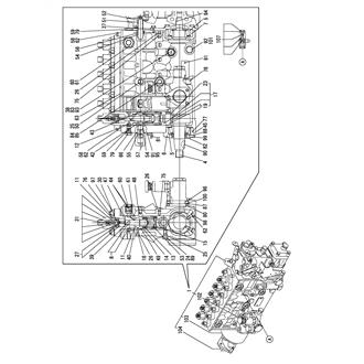
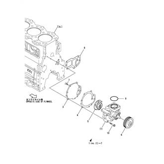
6CXBQ-GT Large Grid View Table View FIG 1. CYLINDER BLOCK 0CF10-M63002_0001_02 Information FIG 10. EXHAUST MANIFOLD 0CF10-M63002_0010_02 Information FIG 100. (23A)LUB. OIL PIPE(TURBINE)(JG/THRUSTER SPEC.) 0CF10-M63002_0100_02 Information FIG 101. (24A)LUB. OIL PIPE(LUB. OIL FILTER)(JG/THRUSTER SPEC.) 0CF10-M63002_0101_02 Information FIG 102. (29A)SUB TANK 0CF10-M63002_0102_02 Information FIG 103. (30A)COOLING PIPE(SEA WATER)(JG/THRUSTER SPEC.) 0CF10-M63002_0103_02 Information FIG 104. (30B)COOLING PIPE(SEA WATER)(YX-75, YX-80) 0CF10-M63002_0104_02 Information FIG 105. (30C)COOLING PIPE(SEA WATER)(YX-80)(FLANGE TYPE) 0CF10-M63002_0105_02 Information FIG 106. (30E)COOLING PIPE(SEA WATER)(ZF286) 0CF10-M63002_0106_02 Information FIG 107. (30I)COOLING PIPE(SEA WATER)(MGNV123, MGNV133) 0CF10-M63002_0107_02 Information FIG 108. (30J)COOLING PIPE(SEA WATER)(MGA56GL) 0CF10-M63002_0108_02 Information FIG 109. (32A)KINGSTON VALVE(OPTIONAL) 0CF10-M63002_0109_02 Information FIG 11. CAMSHAFT 0CF10-M63002_0011_02 Information FIG 110. (33A)FILTER(SEA WATER)(SINGLE)(OPTIONAL)(FROM E/#4383) 0CF10-M63002_0110_02 Information FIG 112. (33C)FILTER(SEA WATER)(DUPLEX)(OPTIONAL)(FROM SEP. 2010) 0CF10-M63002_0112_02 Information FIG 113. (43A)FUEL PIPE(PUMP - FILTER) 0CF10-M63002_0113_02 Information FIG 114. (43B)FUEL PIPE(PUMP - FILTER)(JG/THRUSTER SPEC.) 0CF10-M63002_0114_02 Information FIG 115. (47A)CABLE SUPPORT 0CF10-M63002_0115_02 Information FIG 116. (47B)ENGINE SIDE CONTROL EQUIPMENT(JG/THRUSTER SPEC.) 0CF10-M63002_0116_02 Information FIG 117. (53A)WIRE HARNESS(FOR SUB PANEL) 0CF10-M63002_0117_02 Information FIG 118. (49B)SWITCH(BATTERY) 0CF10-M63002_0118_02 Information FIG 119. (57B)CAN GAUGE CONVERTER 0CF10-M63002_0119_02 Information FIG 12. TURBINE 0CF10-M63002_0012_02 Information FIG 120. (50A)GENERATOR(INNER PARTS)(TO E/#3593) 0CF10-M63002_0120_02 Information FIG 121. (50B)GENERATOR(INNER PARTS)(FROM E/#3594) 0CF10-M63002_0121_02 Information FIG 122. (46B)ENGINE STOP DEVICE(STOP SOLENOID TYPE)(FROM E/#4939) 0CF10-M63002_0122_02 Information FIG 13. TURBINE(INNER PARTS) 0CF10-M63002_0013_02 Information FIG 14. AIR DUCT 0CF10-M63002_0014_02 Information FIG 15. BOOST COMPENSATOR PIPE 0CF10-M63002_0015_02 Information FIG 16. EXHAUST PIPE & EXHAUST THERMOMETER 0CF10-M63002_0016_02 Information FIG 17. CRANKSHAFT & FLYWHEEL 0CF10-M63002_0017_02 Information FIG 18. PISTON & CONNECTING ROD 0CF10-M63002_0018_02 Information FIG 19. LUB. OIL PUMP 0CF10-M63002_0019_02 Information FIG 2. GEAR HOUSING 0CF10-M63002_0002_02 Information FIG 20. LUB. OIL COOLER 0CF10-M63002_0020_02 Information FIG 21. LUB. OIL FILTER 0CF10-M63002_0021_02 Information FIG 22. LUB. OIL PIPE(CYLINDER BLOCK) 0CF10-M63002_0022_02 Information FIG 23. LUB. OIL PIPE(TURBINE) 0CF10-M63002_0023_02 Information FIG 24. LUB. OIL PIPE(LUB. OIL FILTER) 0CF10-M63002_0024_02 Information FIG 25. LUB. OIL PIPE(FUEL INJECTION PUMP) 0CF10-M63002_0025_02 Information FIG 26. OIL SUCTION/DRAIN PUMP(OPTIONAL) 0CF10-M63002_0026_02 Information FIG 27. COOLING PUMP(SEA WATER) 0CF10-M63002_0027_02 Information FIG 28. COOLING PUMP(FRESH WATER) 0CF10-M63002_0028_02 Information FIG 29. COOLER(FRESH WATER) 0CF10-M63002_0029_02 Information FIG 3. FLYWHEEL HOUSING 0CF10-M63002_0003_02 Information FIG 30. COOLING PIPE(SEA WATER) 0CF10-M63002_0030_02 Information FIG 31. COOLING PIPE(FRESH WATER) 0CF10-M63002_0031_02 Information FIG 32. KINGSTON COCK(OPTIONAL) 0CF10-M63002_0032_02 Information FIG 33. FILTER(SEA WATER)(SINGLE)(OPTIONAL)(TO E/#4382) 0CF10-M63002_0033_02 Information FIG 34. BILGE PUMP 0CF10-M63002_0034_02 Information FIG 35. FUEL INJECTION PUMP 0CF10-M63002_0035_02 Information FIG 37. FUEL FEED PUMP 0CF10-M63002_0037_02 Information FIG 38. TIMER 0CF10-M63002_0038_02 Information FIG 39. FUEL INJECTION VALVE 0CF10-M63002_0039_02 Information FIG 4. OIL SUMP 0CF10-M63002_0004_02 Information FIG 40. DRIVING DEVICE(FUEL INJECTION PUMP) 0CF10-M63002_0040_02 Information FIG 41. BRACKET(FUEL INJECTION PUMP) 0CF10-M63002_0041_02 Information FIG 42. FUEL INJECTION PIPE 0CF10-M63002_0042_02 Information FIG 43. FUEL PIPE(RETURN) 0CF10-M63002_0043_02 Information FIG 44. FUEL FILTER 0CF10-M63002_0044_02 Information FIG 45. WATER SEPARATOR 0CF10-M63002_0045_02 Information FIG 46. ENGINE STOP DEVICE(STOP MOTOR TYPE) 0CF10-M63002_0046_02 Information FIG 47. REMOTE CONTROL HEAD 0CF10-M63002_0047_02 Information FIG 48. STARTER MOTOR(EARTH TYPE) 0CF10-M63002_0048_02 Information FIG 49. STARTER MOTOR(EARTH FLOAT TYPE) 0CF10-M63002_0049_02 Information FIG 5. MOUNTING FOOT(YX-75, YX-80)(DIRECT MOUNTING SPEC.) 0CF10-M63002_0005_02 Information FIG 50. GENERATOR 0CF10-M63002_0050_02 Information FIG 51. COVER(V-BELT) 0CF10-M63002_0051_02 Information FIG 52. WIRE HARNESS & SENSOR(EARTH TYPE) 0CF10-M63002_0052_02 Information FIG 53. WIRE HARNESS & SENSOR(EARTH FLOAT TYPE) 0CF10-M63002_0053_02 Information FIG 54. AIR HEATER(OPTIONAL) 0CF10-M63002_0054_02 Information FIG 55. CLUTCH 0CF10-M63002_0055_02 Information FIG 56. INSTRUMENT PANEL(D-TYPE) 0CF10-M63002_0056_02 Information FIG 57. INSTRUMENT PANEL(B-TYPE)(OPTIONAL) 0CF10-M63002_0057_02 Information FIG 59. (48A)STARTER MOTOR(INNER PARTS)(EARTH TYPE) 0CF10-M63002_0059_02 Information FIG 6. MOUNTING FOOT(YXH-130, YXH2-130)(DIRECT MOUNTING SPEC.) 0CF10-M63002_0006_02 Information FIG 60. (49A)STARTER MOTOR(INNER PARTS)(EARTH FLOAT TYPE) 0CF10-M63002_0060_02 Information FIG 61. (36A)GOVERNOR(FROM E/#3098) 0CF10-M63002_0061_02 Information FIG 62. TOOL(STANDARD)(FROM E/#2811) 0CF10-M63002_0062_02 Information FIG 63. TOOL(OPTIONAL)(FROM E/#2811) 0CF10-M63002_0063_02 Information FIG 64. SPECIAL TOOL 0CF10-M63002_0064_02 Information FIG 65. (57A)INSTRUMENT PANEL(DUAL TYPE) 0CF10-M63002_0065_02 Information FIG 66. (6A)MOUNTING FOOT(YX-120-4)(DIRECT MOUNTING SPEC.) 0CF10-M63002_0066_02 Information FIG 67. (6B)MOUNTING FOOT(YX-120L-4)(DIRECT MOUNTING SPEC.) 0CF10-M63002_0067_02 Information FIG 68. (6C)MOUNTING FOOT(CLUTCHLESS)(DIRECT MOUNTING SPEC.) 0CF10-M63002_0068_02 Information FIG 69. (6D)MOUNTING FOOT(MGA56GL, MGN57BL)(DIRECT MOUNTING SPEC.) 0CF10-M63002_0069_02 Information FIG 7. LABEL 0CF10-M63002_0007_02 Information FIG 70. (6E)MOUNTING FOOT(MGN123, MGN133)(DIRECT MOUNTING SPEC.) 0CF10-M63002_0070_02 Information FIG 71. (6N)SPACER(MOUNTING FOOT) 0CF10-M63002_0071_02 Information FIG 72. MIST SEPARATOR(OPTIONAL) 0CF10-M63002_0072_02 Information FIG 73. (25A)LUB. OIL PRIMING PIPE(CYLINDER BLOCK) 0CF10-M63002_0073_02 Information FIG 74. (25B)LUB. OIL PRIMING PIPE(OIL SUMP) 0CF10-M63002_0074_02 Information FIG 75. (30D)COOLING PIPE(SEA WATER)(YXH-130, YXH2-130, YX-120-4, YX-120L-4) 0CF10-M63002_0075_02 Information FIG 76. (30F)COOLING PIPE(SEA WATER)(MGN57BL) 0CF10-M63002_0076_02 Information FIG 77. (30G)COOLING PIPE(SEA WATER)(MGN123) 0CF10-M63002_0077_02 Information FIG 78. (30H)COOLING PIPE(SEA WATER)(MGN133) 0CF10-M63002_0078_02 Information FIG 79. (30K)COOLING PIPE(SEA WATER)(CLUTCHLESS) 0CF10-M63002_0079_02 Information FIG 8. CYLINDER HEAD & BONNET 0CF10-M63002_0008_02 Information FIG 80. (44A)COOLER(FUEL) 0CF10-M63002_0080_02 Information FIG 81. (44B)COOLER(FUEL)(INNER PARTS) 0CF10-M63002_0081_02 Information FIG 82. (46A)ENGINE STOP DEVICE(STOP SOLENOID TYPE)(TO E/#4938) 0CF10-M63002_0082_02 Information FIG 83. ACCESSORY(FOR MGN, MGNV) 0CF10-M63002_0083_02 Information FIG 84. ACCESSORY(FOR MGA56GL) 0CF10-M63002_0084_02 Information FIG 85. 1ST/2ND GEAR SWITCH(FOR YXH2-130) 0CF10-M63002_0085_02 Information FIG 86. TROLLING DIAL 0CF10-M63002_0086_02 Information FIG 87. RESISTANCE BULB 0CF10-M63002_0087_02 Information FIG 88. BATTERY(115F51) 0CF10-M63002_0088_02 Information FIG 89. (2A)BREATHER(JG/THRUSTER SPEC.) 0CF10-M63002_0089_02 Information FIG 9. SUCTION MANIFOLD 0CF10-M63002_0009_02 Information FIG 90. (6F)MOUNTING FOOT(MGNV123, MGNV133)(DIRECT MOUNTING SPEC.) 0CF10-M63002_0090_02 Information FIG 91. (6G)MOUNTING FOOT(MGNV123-C, MGNV133-C)(DIRECT MOUNTING SPEC.) 0CF10-M63002_0091_02 Information FIG 92. (6H)MOUNTING FOOT(YX-75, YX-80)(SHOCK ABSORBER SPEC.) 0CF10-M63002_0092_02 Information FIG 93. (6I)MOUNTING FOOT(CLUTCHLESS)(SHOCK ABSORBER SPEC.) 0CF10-M63002_0093_02 Information FIG 94. (6J)MOUNTING FOOT(MGNV123)(SHOCK ABSORBER SPEC.) 0CF10-M63002_0094_02 Information FIG 95. (6K)MOUNTING FOOT(MGNV123-C, MGNV133-C)(SHOCK ABSORBER SPEC.) 0CF10-M63002_0095_02 Information FIG 96. (6L)MOUNTING FOOT(ZF286)(SHOCK ABSORBER SPEC.) 0CF10-M63002_0096_02 Information FIG 97. (6M)FOOT LINER(STEEL VESSEL) 0CF10-M63002_0097_02 Information FIG 98. (15A)BOOST COMPENSATOR PIPE(JG/THRUSTER SPEC.) 0CF10-M63002_0098_02 Information FIG 99. (20A)LUB. OIL COOLER(JG/THRUSTER SPEC.) 0CF10-M63002_0099_02 Information