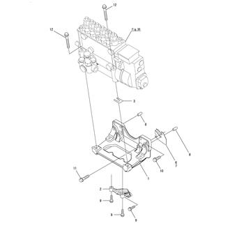
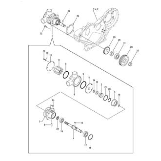
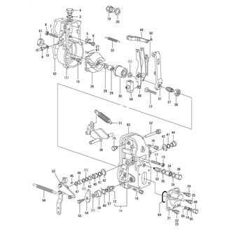
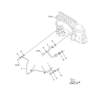
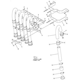
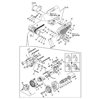
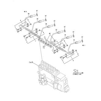
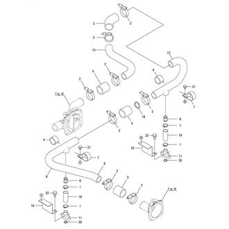
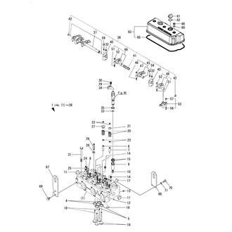
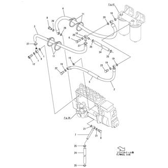
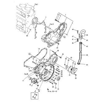
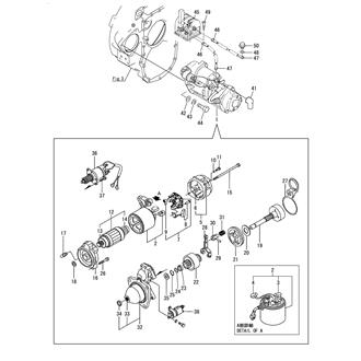
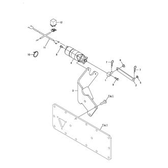
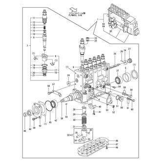
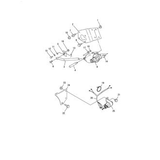
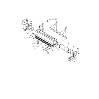
6CX110(A) Large Grid View Table View FIG 1. CYLINDER BLOCK 0CF10-M64600_0001_00 Information FIG 10. EXHAUST MANIFOLD 0CF10-M64600_0010_00 Information FIG 11. EXHAUST BEND 0CF10-M64600_0011_00 Information FIG 12. CAMSHAFT 0CF10-M64600_0012_00 Information FIG 13. CRANKSHAFT & FLYWHEEL 0CF10-M64600_0013_00 Information FIG 14. PISTON & CONNECTING ROD 0CF10-M64600_0014_00 Information FIG 15. LUB. OIL PUMP 0CF10-M64600_0015_00 Information FIG 16. LUB. OIL COOLER & LUB. OIL FILTER 0CF10-M64600_0016_00 Information FIG 17. LUB. OIL PIPE 0CF10-M64600_0017_00 Information FIG 18. LUB. OIL PIPE(FUEL INJECTION PUMP) 0CF10-M64600_0018_00 Information FIG 19. OIL SUCTION/DRAIN PUMP 0CF10-M64600_0019_00 Information FIG 2. GEAR HOUSING 0CF10-M64600_0002_00 Information FIG 20. COOLING PUMP(SEA WATER) 0CF10-M64600_0020_00 Information FIG 21. COOLING PUMP(FRESH WATER) 0CF10-M64600_0021_00 Information FIG 22. COOLING TANK(FRESH WATER) 0CF10-M64600_0022_00 Information FIG 23. COOLING PIPE(SEA WATER) 0CF10-M64600_0023_00 Information FIG 24. COOLING PIPE(SEA WATER)(OPTIONAL) 0CF10-M64600_0024_00 Information FIG 25. COOLING PIPE(FRESH WATER) 0CF10-M64600_0025_00 Information FIG 26. KINGSTON COOK 0CF10-M64600_0026_00 Information FIG 27. COOLING FILTER(SEA WATER) 0CF10-M64600_0027_00 Information FIG 28. COOLING FILTER(SEA WATER)(DOUBLE) 0CF10-M64600_0028_00 Information FIG 29. BILGE PUMP 0CF10-M64600_0029_00 Information FIG 3. FLYWHEEL HOUSING 0CF10-M64600_0003_00 Information FIG 30. FUEL INJECTION PUMP 0CF10-M64600_0030_00 Information FIG 31. GOVERNOR 0CF10-M64600_0031_00 Information FIG 32. FUEL FEED PUMP 0CF10-M64600_0032_00 Information FIG 33. TIMER 0CF10-M64600_0033_00 Information FIG 34. COUPLING 0CF10-M64600_0034_00 Information FIG 35. FUEL INJECTION VALVE 0CF10-M64600_0035_00 Information FIG 36. FUEL INJECTION PUMP & DRIVING DEVICE 0CF10-M64600_0036_00 Information FIG 37. FUEL INJECTION PUMP MOUNT 0CF10-M64600_0037_00 Information FIG 38. FUEL INJECTION PIPE 0CF10-M64600_0038_00 Information FIG 39. FUEL PIPE 0CF10-M64600_0039_00 Information FIG 4. OIL SUMP 0CF10-M64600_0004_00 Information FIG 40. FUEL PIPE(RETURN) 0CF10-M64600_0040_00 Information FIG 41. FUEL FILTER 0CF10-M64600_0041_00 Information FIG 42. WATER SEPARATOR 0CF10-M64600_0042_00 Information FIG 43. ENGINE STOP DEVICE 0CF10-M64600_0043_00 Information FIG 44. ENGINE STOP DEVICE(EARTH FLOAT TYPE) 0CF10-M64600_0044_00 Information FIG 45. CABLE SUPPORT 0CF10-M64600_0045_00 Information FIG 46. STARTING MOTOR 0CF10-M64600_0046_00 Information FIG 47. STARTER MOTOR(EARTH FLOAT TYPE) 0CF10-M64600_0047_00 Information FIG 48. GENERATOR 0CF10-M64600_0048_00 Information FIG 49. WIRE HARNESS & SENSOR 0CF10-M64600_0049_00 Information FIG 5. MOUNTING FOOT 0CF10-M64600_0005_00 Information FIG 50. WIRE HARNESS & SENSOR(EARTH FLOAT TYPE) 0CF10-M64600_0050_00 Information FIG 51. INSTRUMENT PANEL 0CF10-M64600_0051_00 Information FIG 52. CLUTCH 0CF10-M64600_0052_00 Information FIG 53. TOOL 0CF10-M64600_0053_00 Information FIG 54. TOOL(OPTIONAL) 0CF10-M64600_0054_00 Information FIG 55. SPECIAL TOOL 0CF10-M64600_0055_00 Information FIG 56. ACCESSORY(MGN43L) 0CF10-M64600_0056_00 Information FIG 58. (6A)MOUNTING FOOT(FOOT CHANGE EQUIP)(6CX110A) 0CF10-M64600_0058_00 Information FIG 6. MOUNTING FOOT(FOOT CHANGE EQUIP) 0CF10-M64600_0006_00 Information FIG 60. (44A)ENGINE STOP DEVICE 0CF10-M64600_0060_00 Information FIG 61. (48A)GENERATOR & COVER(V-BELT) 0CF10-M64600_0061_00 Information FIG 7. LABEL 0CF10-M64600_0007_00 Information FIG 8. CYLINDER HEAD 0CF10-M64600_0008_00 Information FIG 9. SUCTION PIPE 0CF10-M64600_0009_00 Information